时间:2023-03-10 16:15
人气:
作者:admin
异步升压IC,内置3.5A,0.14Ω,16Vmos管,最高12V的输出电压(可调),最大输出功率是10W,静态功耗关断电流0.1uA,可调式过流保护0.5A-3.5A,典型应用为5V1.5A,9V0.8A,12V0.6A锂离子电池在如今是广泛应用存在我们生活中的方方面面的电子产品中。如,电子玩具,美容仪,医疗产品,智能手表,手机,笔记本,电动汽车等等非常多。
锂电池3.7V升压到5V,3.7V转5V稳压输出的电子产品电路设计,由于锂电池的供电范围是3V-4.2V之间,无法持续提高恒定的电压输出,给到后级电路供电,保障稳定性。
3.7V升压5V的电源管理电路方式有七种:
1,升压类型,小电流250MA类型
2,升压类型,低功耗8uA,600MA类型
3,升压类型,升压可达12V,1.2A类型
4,升压类型,升压可达24V,1.2A类型
5,升压类型,输出5V2.4A类型
6,升压类型,输出5V3A类型
7,锂电池充电管理IC
8,锂电池稳压LDO和DC-DC降压芯片
1,FS2115C是一颗低噪声,恒频1.2MHZ的开关电容电压倍增器。PW5410A的输入电压范围2.7V-5V,输出电压5V固定电压,输出电流高达250MA。外围元件仅需要三个贴片电容即可组成一个升压电路系统.
FS2115C电路原理图

2,FS2111是一款高效率、7uA低功耗、低纹波、高工作频率1.2MHZ的PFM同步升压DC/DC变换器。输入电压最低0.7V,输入电压范围0.7V-5V之间,输出电压可选固定输出值,从3.0V至5.0V的固定输出电压.最大开关电流1.5A.支持3.7V升压5V300MA
FS2111电路原理图

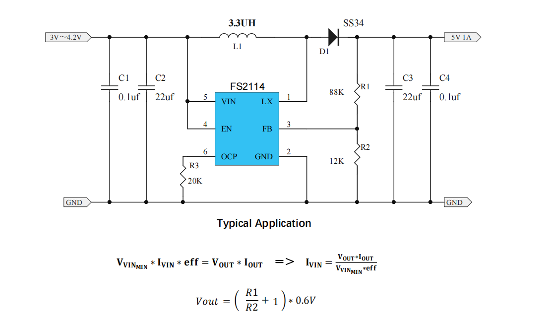
3,FS2114是电流模式升压DC-DC转换器。其内置0.2Ω功率MOSFET的PWM电路使该稳压器具有效率高的功率效率。内部补偿网络还可以程度地减少了6个外部元件的数量。误差放大器的同相输入连接到0.6V精密基准电压,内部软启动功能可以减低浪涌电流,
FS2114采用SOT23-6L封装,为应用提供节省空间的PCB。支持升压输出5V1A6V800MA9V500MA12V400MA输出电压电流
特点:
可调输出MAX达12V
内部固定PWM频率:1.0MHz
内部0.2Ω,2.5安,16V功率MOSFET
关断电流:0.1μA
过温保护,过压保护
可调过电流保护:0.5A2.5A(Vin端)
FS2114电路原理图

4,FSB628B是一款恒定频率,6引脚SOT23电流模式升压转换器,适用于小型,低功耗应用。FSB628B的开关频率为1.2MHz,允许使用高度小于2mm的小型低成本电容器和电感器。内部软启动可减小浪涌电流并延长电池寿命。FSB628B具有在轻负载时自动切换到脉冲频率调制模式的功能。FSB628包括欠压锁定,电流限制和热过载保护,以防止在输出过载情况下损坏。 FSB628采用6引脚小型SOT-23封装。支持升压输出5V1A6V800MA9V500MA12V400MA输出电压电流
特点:
效率可达97%
2V至24V输入电压
1.2MHz固定开关频率
内部4安开关电流限制
可调输出电压
内部补偿
自动脉冲频率调制
轻载模式
采用SOT23-6封装
FSB628B电路原理图
上一篇:PCB电路板散热设计的重要性