时间:2022-03-23 18:27
人气:
作者:admin
PS176是一款DisplayPort 1.2a到HDMI 2.0协议转换器,可接收视频和音频流从 DisplayPort 链接并转换为 TMDS 输出。TMDS 发射器符合 HDMI 2.0 标
规格,数据速率高达6Gbps。
PS176支持HDCP 1.4和HDCP 2.2中继器,用于带有嵌入式密钥的下游接收器。
PS176集成了一个片上微控制器,用于系统配置。该设备配置了 SPI 闪存,适用于定制应用。

DISPLAYPORTTM 接收器
PS176中实现的DisplayPort接收器接口完全符合VESA DisplayPort。
标准版,版本 1.2a。
物理层 (物理层)
DisplayPort主链路以 1.62Gbps(降低的比特率 - RBR)、2.7Gbps(高)的数据速率运行
比特率 - HBR)或 5.4Gbps(高比特率 2 - HBR2)。DisplayPort接收器接收串行数据流,
对其进行反序列化,并以 ANSI 8B/10B 格式对其进行解码。随后,接收器解扰和
反扭曲解码数据。
DisplayPort AUX 通道是一个半双工双向通道,支持 1 Mbps 的比特率。
AUX 通道的逻辑子块生成并检测启动/停止状态并锁定为同步
使用曼彻斯特II编码对数据进行模式,编码或解码。AUX通道的电气子块
由一个差分对组成,该对作为半双工双向通道工作。辅助通道
提供链路配置、链路维护和 EDID 访问。
DisplayPort热插拔/拔出检测由 HPD 信号指示。
PS 176 还支持其他视频模式只要在可用的 DisplayPort TM 带宽内,
TMDS时钟频率范围25 MHz 至 340 MHz ( HDMI 规格1.4 b )和TMDS字符率( 1 / 4 的TMDS时钟频率)
85 MHz 至 150 MHz 范围( HDMI 2.0规范)。
PS176封装:48针6x6mm QFN封装
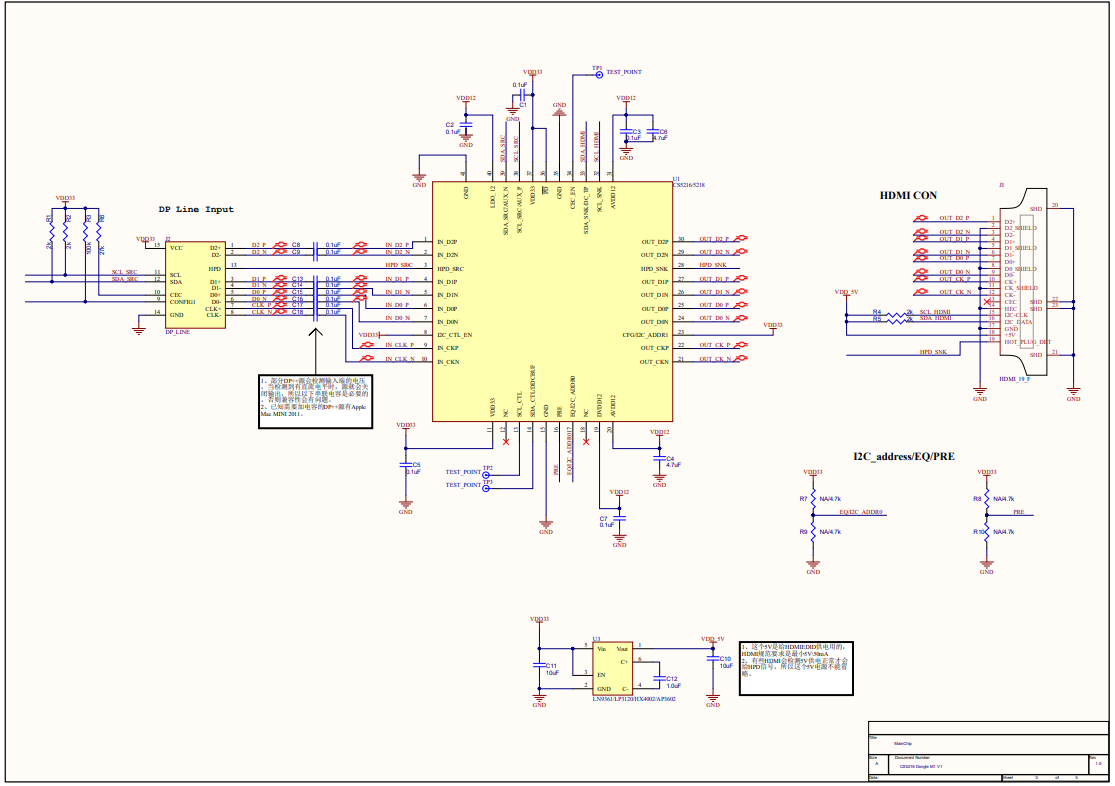
台湾 Capstone 推出的CS5218是一款单端口HDMI/DVI电平转换器/中继器,功能及性能与PS176完全一致,能够将其完全替代
CS5218封装为QFN_40,PS176封装为QFN_48相比之下CS5218集成度更高;另外CS5218价格比PS176要低,其性价比更高
CS5218替代PS176电路设计方法如下图所示: