全球最实用的IT互联网信息网站!

AI人工智能P2P分享&下载搜索网页发布信息网站地图

当前位置:诺佳网 > 电子/半导体 > PCB设计 >

微控制器电路中的晶振电路

时间:2022-04-24 09:18

人气:

作者:admin

标签: 微控制器  晶振 

导读:微控制器中有大量由晶振构成的振荡器,这里讲解各类具体电路。1.电路一下图所示是电路一。这是具有两根振荡元器件引脚的电路。X1是晶振,接在集成电路A1的①引脚和②引脚之间。...

微控制器中有大量由晶振构成的振荡器,这里讲解各类具体电路。
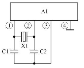
1.电路一
下图所示是电路一。这是具有两根振荡元器件引脚的电路。X1是晶振,接在集成电路A1的①引脚和②引脚之间。集成电路A1的内电路中设有一个
反相器,这一反相器电路与外接的x1和C1、C2构成一个振荡器,其振荡频率主要由晶振X1决定;电容C1和C2对振荡频率略有影响,可以起到对振荡频
率的微调作用。

poYBAGJie8iABJLtAABgSKkobnQ219.png电路一

电路中的集成电路 A1 的 ① 引脚是振荡信号输出端,② 引脚是振荡信号输入端

2.电路二
下图所示是电路二。这一电路中多了一只电阻R1.电路中集成电路A1的①引脚是振荡信号输入端,②引脚是振荡信号输出端,X1为晶振。

pYYBAGJiftmAQx2oAABAouDhbLE077.png电路二

如果时钟信号采用外接方式时,将②引脚外电路断开,外部的时钟信号从①引脚输入到集成电路A1的内电路中。

3.电路三
下图所示是电路三。这一电路的特点是在晶振X1上并联了一只电阻,实际上该电阻在许多电路中是设置在集成电路A1内电路中的。

poYBAGJif4aAWmtMAAA7367QRUM089.png电路三

4.电路四

下图为电路四。该电路的特点是电容 C1 和 C2 不是直接接地,而是接在直流电源 +VCC端。由于直流电源端对交流而言是等效接地的,所以对交流(振荡信号)而言,电容 C1 和 C2 仍然是一端接地的,其振荡电路的工作原理同前面几种一样。

pYYBAGJigBCALfBdAABGNLOsVrA534.png电路四

5.电路五

下图 所示是电路五。该电路的特点是电容 C1 和 C2 连接起来后,接在集成电路 A1 的 ③ 引脚,集成电路 A1 的 ③ 引脚在内电路中与接地引脚 ④ 引脚相连,这样 C1 和 C2 的一端还是相当于接地的。

poYBAGJigKGAAOhDAABDf-WHQMo368.png电路五

6.电路六

下图所示是电路六。该电路的特点是电路中没有电容 C1 和 C2。电路中,集成电路 A1 的 XTAL1 引脚是内部振荡器电路的外接晶振输入端,这一引脚也可以用来接入外部振荡源,即它也是外部时钟脉冲的输入端,这一引脚也可以用来接入外部振荡源,即它也是外部时钟脉冲的输入端。

poYBAGJigRKAT7U1AAAzxVT7Zr0302.png电路六

7.电路七

下图所示是电路七。这是单根引脚的电路。从图中可看出,电路中只有一根引脚用来外接晶振 X1。图 (a)和图 (b)所示电路的不同之处是,一个 X1 串接有电阻 R1,另一个则没有这一电阻。

pYYBAGJigZuAZck8AABNC7KgatY841.png电路七

摘录自-

电子工程师必备——元器件应用宝典(第 3 版)

胡斌 胡松 著

温馨提示:以上内容整理于网络,仅供参考,如果对您有帮助,留下您的阅读感言吧!
相关阅读
本类排行
相关标签
本类推荐

CPU | 内存 | 硬盘 | 显卡 | 显示器 | 主板 | 电源 | 键鼠 | 网站地图

Copyright © 2025-2035 诺佳网 版权所有 备案号:赣ICP备2025066733号
本站资料均来源互联网收集整理,作品版权归作者所有,如果侵犯了您的版权,请跟我们联系。

关注微信