时间:2022-05-10 09:17
人气:
作者:admin
石英晶振是利用石英材料的压电特性制成的石英晶体谐振器和石英晶体时钟振荡器,是一种电子谐振元器件,俗称晶石英晶振构成的谐振器其荡频率十分准确且稳定度高,这是它十分突出的优点,此外还有优良的抗干扰性能。
石英晶振的损耗非常小,即Q值非常高,做振荡器时可以产生非常稳定的振荡,做滤波器时可以获得非常稳定和的带通或带阻特性曲线。
石英晶振广泛应用于各种电子产品中。例如,它可以用在彩色电视机的遥控器中,以及用在色副载波恢复电路中(用来产生4.43MH的副载波),此外还应用于微控制器集成电路、计算机主板、手机、钟表等各个领域。例如,PC主板上使用了众多频率的石英晶振:时钟晶振(14.318MHz)、授时晶振(32.768kHz)声卡晶振24.576kHz)和网卡调制解调器晶振(25.000kHz)石英晶振外形特征和电路图形符号.
1.石英晶振外形特征
用石英晶体可以构成石英晶振,图所示是几种石英晶振实物图。石英晶振有多种形状,无源石英晶振只有两根功能引脚,且两根引脚没有极性之分。有源石英晶振通常是4根引脚,还有6脚、DIP-8封装、DIP-14封装。
石英晶振实物图2、石英晶振种类
石英晶振分非温度补偿式晶振、温度补偿式晶振(TCXO)电压控制式晶振(VCXO)恒温控制式晶振(OCXO)和数字化/up补式晶振(DCXOMCXO)等。
(1)温度补偿晶振。它是通过附加的温度补偿电路使由周围温度变化产生的振荡频率变化量削减的一种石英晶体振荡器。它又分为直接补偿型(由热敏电阻和阻容元器件组成的温度补偿电路,在振荡器中与石英晶振串联而成)和间接补偿型(又分模拟式和数字式两种(2)电压控制晶振。它是通过施加外部控制电压使振荡频率可变或是可以调制的石英晶本振荡器。通常是通过调谐电压改变变容二极管的电容量来“牵引”石英晶振的频率。
重要提示
PC中还分为无源晶振(Crystal,晶体)和有源晶振(Oscillator, 振荡器)两类型。无源晶振是两根功能引脚的无极性元器件,需要借助于时钟电路才能产生振荡信号,自身无法振荡起来。有源晶振有4根引脚,是一个完整的振荡器,其中除了石英晶体外,还有晶体管和阻容元器件,体积较大。
3、石英晶振电路图形符号
图所示是石英晶振电路图形符号,它与两端陶瓷滤波器的电路图形符号相同,文字符号一般用 X、Y等。



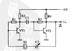
图所示是晶振构成的串联型振荡器U是输出信号,为矩形脉冲。电路中的X1为两根引脚晶振,三极管VTI和VT2构成一个双管阻容合两级放大器,VT1和VT2均接成共发射极放大器。
1.直流电路分析
R1是VTI集电极·基极负反馈式偏置电阻,R2是VTI集电极负载电阻。R3是VT2集电极基极负反馈式偏置电阻,R4是VT1集电极负载电阻。电容CI是级间耦合电容。
2.正反馈过程分析
假设某瞬间VT1基极信号电压为正,因为VTI接成共发射极放大器,所以VTI集电极信号电压为负,该信号经CI耦合加到VT2基极,即VT2基极振荡信号电压相位为负,VT2集电极信号电压相位为正。
这一信号经电容C2和X1加到VT1基极
它加强了VT1基极信号,这是正反馈过程
3.选频分析
电路中的晶振X1相当于电感,它与电容C2构成LC串联谐振电路。C2为可变电容器调节其容量即可使电路进入谐振状态。该振荡器供电电压为5V,输出波形为方波。

图所示是晶振构成的并联型振荡器原理电路,电路中的X1是晶振,它等效成电感与电容CI和C2构成电容三点式正弦波振荡器,晶振构成的并联型振荡器
重要提示
一般电路中的C1、C2值要比其他杂散电容高8~10倍,以减少杂散电容的影响一般集成电路的引脚有2~3pF杂散电容。
晶振内部电容C0为3~5pF。

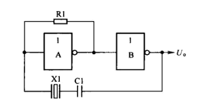
图所示是石英晶体自激多振荡器。从电路中可看出,这一电路与上面介绍的基本电路结构相同,只是在电容回路中串联了一只石英晶振X1。
1.电路分析
关于该电路的起振和电路翻转过程与前面介绍的电路一样,这里对振荡频率作些说明。由晶振的等效电路可知,X1等效成一个LC串联振电路,设它的振频率是f0,由LC串联谐振电路特性可知,当该电路发生谐振时,其电路的阻抗最小,当信号率为f0时,X1和C1串联电路的阻抗为最小。
2,振荡理解方法
从电路中可看出,X1和C1串联在“非门(反相器)A和B构成的正反馈回路中。当频率为f0时,X1和C1串联电路能够将最大的信号正反馈到“非门”A的输入端;
而对于频率高于或低于f0的信号,由于X1和C1构成的串联谐振电路失谐,其阻抗增大,这样正反馈强度较低。
所以,该电路能够振荡在频率为f0的信号上,这一石英晶体自激多谐振荡器的振荡频率就是f0,f0主要由X1特性决定。
(1)石英晶振电路在数字系统电路中应用广泛,凡是需要脉冲信号源的电路都要用到这种振荡器电路,而在数字系统电路中脉冲源又是不可缺少的一种信号源。
(2)大量采用石英晶振电路的根本原因是石英晶振具有众多优点:
一是振荡频率十分稳定(这是RC振荡器电路所不及的),二是有很高的Q值,三是选频特性好。
微控制器中有大量由晶振构成的振荡器这里讲解各类具体电路。
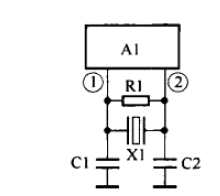
1
图1所示是电路之一。这是具有两根振荡元器件引脚的电路。X1是晶振,接在集成电路A1的引脚和2引脚之间。集成电路A1的内电路中设有一个反相器,这一反相器电路与外接的X1和C1、C2构成一个振荡器,其振荡频率主要由晶振X1决定;电容C1和C2对振荡频率略有影响,可以起到对振荡频率的微调作用。电路中的集成电路A1的①引脚是振荡信号输出端,②引脚是振荡信号输入端。
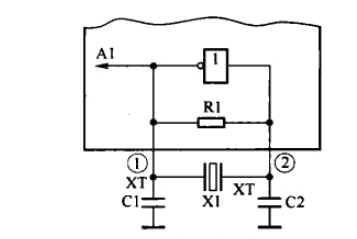
2.电路之二
2
图2所示是电路之二。这一电路中多了一只电阻R1。电路中集成电路A1的①引脚是振荡信号输入端,②引脚是振荡信号输出端,X1为晶振。
如果时钟信号采用外接方式时,将②引脚外电路断开,外部的时钟信号从引脚输入到集成电路A1的内电路中。
3.电路之三
3
图3所示是电路之三。这一电路的特点是在晶振X1上并联了一只电阻,实际上该电阻在许多电路中是设置在集成电路AI内电路中的。
4.电路之四
4
图4所示是电路之四。该电路的特点是电容C1和C2不是直接接地,而是接在直流电源+Vcc端。由于直流电源端对交流而言是等效接地的,所以对交流(振荡信号)而言,电容C1和C2仍然是一端接地的,其振荡电路的工作原理同前面几种一样。
5.电路之五
5
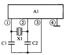
图5所示是电路之五。该电路的特点是电容CI和C2连接起来后接在集成电路A1的③引脚,集成电路A的③引脚在内电路中与接地引脚④引脚相连,这样C1和C2的一端还是相当于接地的。
6.电路之六
6
图6所示是电路之六。该电路的特点是电路中没有电容C1和C2。电路中,集成电路A1的XTAL1引脚是内部振荡器电路的外接晶振输入端,这一引脚也可以用来接入外部振荡源,即它也是外部时钟脉冲的输入端。XTAL2是内部振荡器的输出端,用来外接晶振的另一端。
7、电路之七
7
图7所示是电路之七。这是单根引脚的电路。从图中可看出,电路中只有一根引脚用来外接晶振X1。图(a)和图(b)所示电路的不同之处是,一个X1串接有电阻R1,另一个则没有这一电阻。
以上就是今天要讲的内容,本文仅仅简单介绍了晶振的定义与应用电路,谢谢大家的关注。
上一篇:TPS22860DBVR
下一篇:电路板工厂如何选择?