时间:2022-02-09 14:17
人气:
作者:admin
原文来自公众号:工程师看海
基于电感器的开关架构电源有3中常见的拓扑结构,分别是BUCK降压电源、BOOST升压电源以及BUCK-BOOST负压电源,今天介绍的第4中拓扑——4开关BOB电源,在手机、汽车、嵌入式等领域都有广泛应用,它的基本工作原理是怎样的呢?有什么优势呢?
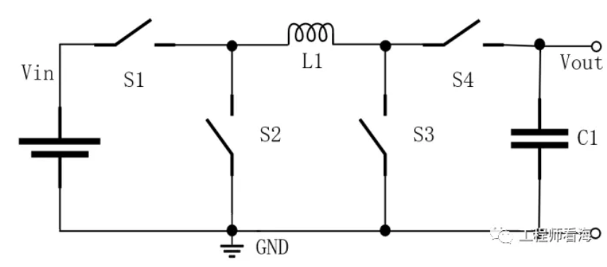
一.4开关拓扑
4开关BOB电源全称是BUCK or BOOST升降压电源,顾名思义,既可以降压,又可以升压,兼容BUCK和BOOST电源的功能。
下图是4开关BOB电源的拓扑示意图,4个开关带一个电感,通过控制开关的导通、断开的不同状态来衍生出不同的电源架构。

二. 降压模式
当S4处于常闭、S3处于常开状态时,反复开关的管子是S1和S2,这就构成了BUCK降压结构。下图就是BUCK的结构,有S1、S2两个工作管子,这种BUCK被称为同步BUCK,效率会高一些。有两种工作周期,1:S1闭合、S2断开,对电感L1充电,见下图绿色曲线;2:S1断开、S2闭合,电感对负载放电,见下图蓝色曲线。

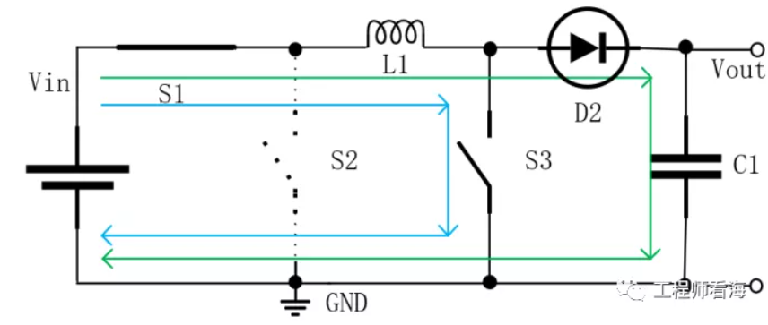
将上图中的S2代替为二极管也可以起到降压作用,然而效率会降低一些,二极管会消耗一部分功率,这种结构被称为非同步BUCK,只有S1一个管子动作。当S1闭合时,对电感L1充电,见下图绿色曲线;当S1断开时,电感L1通过负载——>二极管D2进行放电,见下图蓝色曲线。

对于非同步BUCK,如果在上图中SW点开关节点位置测量电压,会发现一个奇怪的负电压,如下图红色圈圈中那样,这是因为二极管需要有一个导通低电压,一般是0.7V,就刚好出现这个小小的负电压。
在历史文章中有更详细的介绍:
《为什么BUCK降压电路会出现奇怪的负电压?》:
https://www.dianyuan.com/eestar/article-3210.html
BUCK的仿真文件获取方法,在公众号后台回复:BUCK仿真文件
BUCK的电路详细原理以及电感选型的详细内容参考以前的文章:
《DCDC BUCK电路原理详细分析》:
https://www.dianyuan.com/eestar/article-1574.html
《怎么选择BUCK降压电源的电感?》:
https://www.dianyuan.com/eestar/article-1299.html

三. 升压模式
当S1处于常闭、S2处于常开状态时,反复开关的管子是S3和S4,这就构成了boost升压结构。下图就是BOOST的结构,有S3、S4两个工作管子,有两种工作周期,1:S3闭合、S4断开,对电感L1充电,见下图蓝色曲线;2:S3断开、S4闭合,电感对负载放电,见下图绿色曲线。

同样地,也可以把S4代替为二极管,依然实现升压结构。

总而言之,4开关架构电源,通过对开关进行配置,可以自由工作在降压或者是升压的模式。
BOOST的仿真文件获取方法,在公众号后台回复:BOOST仿真文件
BUCK的电路原理以及电感选型的详细内容参考以前的文章:
《BOOST升压电路原理详解》
https://www.dianyuan.com/eestar/article-1698.html
《怎么选择boost升压电路的电感?只要三个公式》
https://www.dianyuan.com/eestar/article-2890.html

四. 为什么需要BOB?
我们为什么需要BOB电源,这种电源有什么优势?
有一些对于电源噪声要求比较高的场合,我们倾向于使用低噪声的LDO,LDO的输入一般通过开关电源提供,最典型的架构是BUCK+LDO或者是BOOST+LDO。为了达到对电源的高效利用,电源系统中往往一个开关电源后面会接多路LDO,见下面示意图,比如开关电源的输入是3.0V,需要搭配多种LDO电源。

有同学会说,为什么不直接用一个BOOST声压电源来覆盖这么多种电源需求呢?
如果使用BOOST这种一刀切满足所有LDO要求的方法,假如高电压的负载没有工作时,见下图红色部分,依然使用BOOST的话,绿色LDO会额外增加功耗,因为LDO功耗与输入和输出的压差成正比。对于下图中,BOOST输出是3.5V可以满足所有LDO的需求,但是在3.3/2.9/2.8等LDO关闭时,BOOST继续输出3.5V的话,就会给LDO带来额外功耗,LDO1.0的功耗是(3.5-1.0)*Io(Io是LDO的负载电流),无论怎么降低BOOST的输出电源,它也不会低于3.0V。

不要小看这些功耗,对于移动嵌入式等产品而言,续航就是生命!
所以,升降压电源就给我们带来了更好的选择,假如高电压LDO没有工作时,升降压电源可以通过BUCK模式降低自己的输出到1.2V,这样的话LDO的功耗就会大大降低,
((1.2-1.0)*Io)/((3.5-1.0)*Io)=8%,这种架构的功耗只有原来功耗的8%,收益很明显,当然实际的功耗收益和负载的工作状态息息相关。

以上就是4开关电源的工作原理,你学废了吗?
感谢点赞、分享、在看,让知识变得更简单
限时免费扫码进群,交流更多行业技术

推荐阅读▼
电池、电源
硬件文章精选
华为海思软硬件开发资料
收录于话题 #硬件文章精选
70个
上一篇LDO输出为什么并联接地电阻?下一篇怎么选择boost升压电路的电感?只要三个公式