时间:2022-02-10 16:49
人气:
作者:admin
本文作为新春第一篇文章,将向大家介绍的基于思睿达主推CR6267SG 12W电源适配器方案,其中思睿达主推的CR6267SG是一款高性能原边检测控制的PWM开关。
接下来就让小编带着大家了解下这个方案吧!
1、样机介绍
该测试报告是基于一个能适用于宽输入电压范围,输出功率12W,恒压恒流输出的电源适配器样机,控制IC采用了思睿达主推的CR6267SG。



CR6267SG_12V1A 工程样机示意图
CR6267SG
CR6267SG是一款高性能原边检测控制的PWM 开关,待机功耗小于75mW。CR6267SG内部采用了多模式控制的效率均衡技术,用于优化芯片系统待机功耗和提升效率,同时采用了初级电感量补偿技术和内部集成的输出线电压补偿技术,保证了芯片在批量生产过程中 CC/CV 输出精度, 内置的全电压功率自适应补偿技术保证了系统在全电压范围 (90Vac~264Vac)内输出恒定的功率。
CR6267SG集成了多种功能和保护特性,包括欠压锁定(UVLO),VDD 过压保护(OVP), 软启动,过温保护(OTP),逐周期电流限制(OCP),CS 引脚悬空保护,输出短路保护, 内置前沿消隐电路,使得芯片具有更高的可靠性。
芯片特性
● CR6267SG 内置650V 高压功率MOSFET,反激式原边检测PWM 功率开关;
● SOP8 封装,一侧引脚(5-8)全为内置MOS 漏极,方便散热设计;
● 内置软启动,减小MOSFET 的应力,内置斜坡补偿电路;
● 低功耗以及良好的负载动态特性;
● 具有良好的EMI 特性;
● 具有“软启动、OCP、SCP、OTP、OVP”等多种保护功能;
● 原边反馈,无需光耦和TL431,可调式线损补偿,IC 基准精度±1%;
● 电路结构简单、较少的外围元器件,适用于小功率AC / DC 电源适配器、充电器。
基本应用
●小功率电源适配器
●蜂窝电话充电器
●数码相机充电器
●电脑和服务器辅助电源
●替代线性调整器和RCC
引脚分布

引脚描述

典型应用

样机PCBA尺寸:67*35*19mm,是一款全电压实现12V1A输出的电源适配器。AC90V满足启动时间的条件下,实现AC264V样机待机功耗仅为74mW;同时效率能够满足最严格的“COC_V5_T2” 能效标准;全电压可实现±5%的CC/CV输出精度。
整机(含套件外壳)可满足40℃环境温度满载温升测试要求。样机具良好的恒流输出效果;同时具有“软启动、OCP、SCP、OVP、OTP自动恢复”等多种保护功能。
样机的变压器,采用了EE16W加宽磁芯(PC40材质)。变压器绕制工艺部分,请见后文详细说明。
2、样机特性
以下表格为工程样机的主要特性,具体测试方法在第4 章节中有详细说明。
2.1、输入特性:

2.2、输出特性(PCB END):

2.3、整机参数:

2.4、保护功能测试:

2.5、工作环境:

2.6、测试仪器:

3、样机结构信息
本小节展示了工程样机的电路、版图结构,变压器结构及工艺。
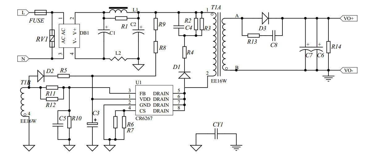
3.1、电路原理图及BOM:
3.1.1、原理图:

3.1.2、元器件清单:

3.1.3、PCB 布局&布线:

PCB 顶层布局&布线

PCB 底层布局&布线
3.2、变压器绕制工艺:
3.2.1、电路示意图:

3.2.2 规格参数:
1)骨架:EE16W 加宽立式(5+5PIN),Ae=38mm²,槽宽8.5mm;
2)材质:TDK PC40 或同等材质;
3)N1、N2、N3: 2UEW 漆包线;N4: 三层绝缘线;
4)次级绕组从变压器顶端进出线,磁芯接地5)绝缘胶带:3M900 或同等材质;
6)初级绕组感量Lp:1250uH±5%(测试条件:0.3V,10kHz);
7)漏感量LLK:要求控制在初级绕组的5%以内(测试条件:0.3V,10kHz);
8)耐压测试= 3KV 5mA 1Min;
9)成品要求:浸凡立水;
3.2.3、变压器参数:

3.2.4、变压器结构示意图:

4、性能测评
本小节对工程样机的输入部分、输出部分、各种保护以及一些时序进行了测试,以下详解了测试方法及结果。从测试结果来看,以下各项测试均合格,能够满足大部分客户的要求。
4.1、输入特性:
本模板经过在不同的输入电压(从90V/60Hz 到264V/50Hz)和不同负载条件(空载和满载)下测试,得到待机功耗、效率及平均效率。
表1 待机功耗

表2 输出100%负载下的输入特性

表3 效率测试(1.5m 24AWG Cable)

表4 效率测试(PCB END)

表5 能效等级评估(1.5m 24AWG Cable)

4.2、输出特性:
4.2.1 线性调整率和负载调整率: (1.5m 24AWG Cable)

4.2.2、输出恒流特性:

4.2.3、输出电压纹波:
注:纹波及噪声在1.5m 24AWG 处测试,测试端并联0.1uF/50V 的瓷片电容和10uF/50V 电解电容,带宽限制为20MHz。


R&N @ AC90V/60Hz,No Load

R&N @ AC90V/60Hz,100% Load

R&N @ AC264V/60Hz,No Load

R&N @ AC264V/60Hz,100% Load
4.3、保护功能:
以下涉及过流保护、短路保护的测试。
4.3.1、过流保护及恒流特性

4.3.2、短路保护:
功率计电流量程2.5A,开启平均值模式测量。

4.4、系统温升测试
本项测试评估成品样机(含配套塑料外壳)在40℃环境温度下长时间工作时关键器件的稳态温度值。测试条件:输入电压分别为90V~264V,输出电流1A。

测试样机及配套外壳
温升测试:

4.5、系统延时时间测试:


TON_DELAY @ AC100V,100% Load

TON_DELAY @ AC240V,100% Load

THOLD_UP @ AC100V,100% Load

THOLD_UP @ AC240V,100% Load

VOVER_SHORT @ AC100V,100% Load

VOVER_SHORT @ AC240V,100% Load
4.6、动态测试:
注:输出动态负载电流设置为1A 持续5/10ms,然后为0A 持续5/10ms并持续循环,上升/下降设置为3A/us。


AC90V @ 5ms

AC90V @ 10ms

AC264V @ 5ms

AC264V @ 10ms
4.7、其它重要波形测试:
DRAIN(深蓝色)端、CS(浅蓝色)端波形图:

AC90/60Hz,100% load

AC115/60Hz,100% load

AC230/50Hz,100% Load

AC264/50Hz,100% load

AC264/50Hz,100% load 输出肖特基电压

AC264/50Hz,输出短路,IC 漏极电压
5、EMI 评估测试
测试条件:
输入:AC115V/230V/50Hz;
输出负载:功率电阻;
限值标准参考:EN55013、EN55022B。(辐射测试结果仅供参考)

AC115V/50Hz 传导L 相

AC115V/50Hz 传导N 相

AC230V/50Hz 传导L 相

AC230V/50Hz 传导N 相

AC115V/50Hz 辐射测试

AC230V/50Hz 辐射测试
关于思睿达微电子

思睿达是专注于ADC、DAC、PoE和DC / DC 芯片级解决方案的高科技企业,目前同步推广启臣微全系列产品,希望将启臣15年在电源行业这份积淀,这份坚持发扬光大。思睿达同时也可以提供芯片级定制服务。
审核编辑:符乾江