时间:2022-02-18 15:28
人气:
作者:admin
引言
目前拉杆音箱或汽车音频系统采用12V铅酸电池为主要电源、由于电压的限制,音箱的输出功率很难有实质的提升。超过50W的功率现阶段市场上主要采用升压+TPA3116的升压音频解决方案,因TPA3116的最高工作电压为26V,考虑到可靠性升压至24V,输出4欧65W(THD1%)。随着技术进步及竞争加剧,市场对功率及音质的要求也越来越高,深圳市永阜康科技有限公司推出基于CS8683+FP5207、12V升30V大功率2x100W双声道D类音频功放升压组合解决方案,为音频爱好者提供极致的音质体验。
CS8683H输出功率曲线图:

方案简介
此方案大致分为两个主要级:
1、采用FP5207非同步升压控制器。此设计10V-15V输入电压,实现30V输出,并且能够为负载提供8A持续电流;
FP5207脚位定义图以及管脚说明

2、采用CS8683两颗大功率单声道D类音频功放IC(单声道100W用一颗),30V提供2*100W/4欧 ( THD+N=1%)持续功率输出;
CS8683H脚位定义图以及管脚说明

应用信息
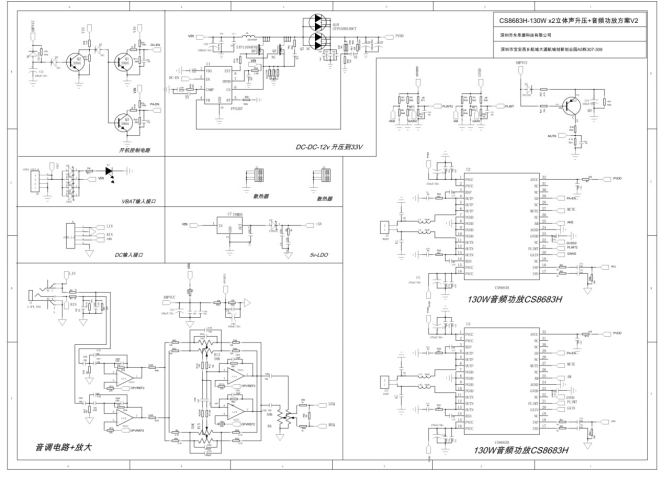
1.CS8683H+FP5207 DEMO板原理图

2.CS8683H+FP5207 DEMO板PCB顶层设计图

3.CS8683H+FP5207 DEMO板PCB底层设计图

4.CS8683H+FP5207 DEMO板贴片图

5.CS8683H+FP5207 DEMO板物料清单


6. CS8683H+FP5207 DEMO板3D布局图正面

7. CS8683H+FP5207 DEMO板3D布局图反面

8. CS8683H+FP5207 DEMO板实物图

上一篇:传导干扰与手机常见EMC处理措施
下一篇:初学者该如何去学习研发开关电源