时间:2022-06-24 10:35
人气:
作者:admin
有限且不断缩小的电路板空间、紧张的设计周期以及严格的电磁干扰(EMI)规范(例如 CISPR 32 和 CISPR 25)这些限制因素,都导致获得具有高效率和良好热性能电源的难度很大。在整个设计周期中,电源设计通常基本处于设计过程的最后阶段,设计人员需要努力将复杂的电源挤进更紧凑的空间,这使问题变得更加复杂,非常令人沮丧。为了按时完成设计,只能在性能方面做些让步,把问题丢给测试和验证环节去处理。简单、高性能和解决方案尺寸三个考虑因素通常相互冲突:只能优先考虑一两个,而放弃第三个,尤其当设计期限临近时。牺牲一些性能变得司空见惯;其实不应该是这样的。
本文首先概述了在复杂的电子系统中电源带来的严重问题:即 EMI,通常简称为噪声。电源会产生 EMI,必须加以解决,那么问题的根源是什么?通常有何缓解措施?本文介绍减少 EMI 的策略,提出了一种解决方案,能够减少 EMI、保持效率,并将电源放入有限的解决方案空间中。
什么是 EMI? 电磁干扰是会干扰系统性能的电磁信号。这种干扰通过电磁感应、静电耦合或传导来影响电路。它对汽车、医疗以及测试与测量设备制造商来说,是一项关键设计挑战。上面提到的许多限制和不断提高的电源性能要求(功率密度增加、开关频率更高以及电流更大)只会扩大 EMI 的影响,因此亟需解决方案来减 少 EMI。许多行业都要求必须满足 EMI 标准,如果在设计初期不加以考虑,则会严重影响产品的上市时间。
EMI 耦合类型 EMI 是电子系统中的干扰源与接收器(即电子系统中的一些元件)耦合时所产生的问题。EMI 按其耦合介质可归类为:传导或辐射。
传导 EMI(低频,450 kHz 至 30 MHz) 传导 EMI 通过寄生阻抗以及电源和接地连接以传导方式耦合到元件。噪声通过传导传输到另一个器件或电路。传导 EMI 可以进一步分为共模噪声和差模噪声。
共模噪声通过寄生电容和高 dV/dt (C × dV/dt)进行传导。它通过寄生电容沿着任意信号(正或负)到 GND 的路径传输,如图 1 所示。
差模噪声通过寄生电感(磁耦合)和高 di/dt (L × di/dt)进行传导。

图 1. 差模和共模噪声。
辐射 EMI(高频,30 MHz 至 1 GHz) 辐射 EMI 是通过磁场能量以无线方式传输到待测器件的噪声。在开关电源中,该噪声是高 di/dt 与寄生电感耦合的结果。辐射噪声会影响邻近的器件。
EMI 控制技术 解决电源中 EMI 相关问题的典型方法是什么?首先,确定 EMI 就是一个问题。这看似很显而易见,但是确定其具体情况可能非常耗时,因为它需要使用 EMI 测试室(并非随处都有),以便对电源产生的电磁能量进行量化,并确定该电磁能量是否符合系统的 EMI 标准要求。
假设经过测试,电源会带来 EMI 问题,那么设计人员将面临通过多种传统的校正策略来减少 EMI 的过程,其中包括: 布局优化:精心的电源布局与选择合适的电源组件同样重要。成功的布局很大程度上取决于电源设计人员的经验水平。布局优化本质上是个迭代过程,经验丰富的电源设计人员有助于最大限度地减少迭代次数,从而避免耽误时间和产生额外的设计成本。问题是:内部人员往往不具备这些经验。
X 缓冲器:一些设计人员会提前规划并为简单的缓冲器电路(从开关节点到 GND 的简单 RC 滤波器)提供占位面积。这样可以抑制开关节点的振铃现象(一项产生 EMI 的因素),但是这种技术会导致损耗增加,从而对效率产生负面影响。
X 降低边沿速率:减少开关节点的振铃也可以通过降低栅极导通的压摆率来实现。不幸的是,与缓冲器类似,这会对整个系统的效率产生负面影响。
展频(SSFM):许多 ADI 公司的 Power by linear™开关稳压器都提供该特性,它有助于产品设计通过严格的 EMI 测试标准。采用 SSFM 技术,在已知范围内(例如,编程频率 fSW 上下±10%的变化范围)对驱动开关频率的时钟进行调制。这有助于将峰值噪声能量分配到更宽的频率范围内。
X 滤波器和屏蔽:滤波器和屏蔽总是会占用大量的成本和空间。它们也使生产复杂化。
以上所有制约措施都可以减少噪声,但是它们也都存在缺 陷。最大限度地减少电源设计中的噪声通常能够彻底解决问 题,但却很难实现。ADI 公司的 Silent Switcher®和 Silent Switcher 2 稳压器在稳压器端实现了低噪声,从而无需额外的滤波、屏蔽或大量布局迭代。由于不必采用昂贵的反制措施,加快了产品上市时间并节省大量的成本。
最大限度地减小电流回路 为了减少 EMI,必须确定电源电路中的热回路(高 di/dt 回路)并减少其影响。热回路如图 2 所示。在标准降压转换器的一个周期内,当 M1 关闭而 M2 打开时,交流电流沿着蓝色回路流动。在 M1 打开而 M2 关闭的关闭周期中,电流沿着绿色回路流动。产生最高 EMI 的回路并非完全直观可见,它既不是蓝色回路也不是绿 色回路,而是传导全开关交流电流(从零切换到 IPEAK ,然后再切换回零)的紫色回路。该回路称为热回路,因为它的交流和 EMI 能量最大。
导致电磁噪声和开关振铃的是开关稳压器热回路中的高 di/dt 和寄生电感。要减少 EMI 并改进功能,需要尽量减少紫色回路的辐射效应。热回路的电磁辐射骚扰随其面积的增加而增加,因此,如果可能的话,将热回路的 PC 面积减小到零,并使用零阻抗理想电容可以解决该问题。

图 2. 降压转换器的热回路
使用 Silent Switcher 稳压器实现低噪声 磁场抵消 虽然不可能完全消除热回路区域,但是我们可以将热回路分成极性相反的两个回路。这可以有效地形成局部磁场,这些磁场在距 IC 任意位置都可以有效地相互抵消。这就是 Silent Switcher 稳压器背后的概念。

图 3. Silent Switcher 稳压器中的磁场抵消。
倒装芯片取代键合线 改善 EMI 的另一种方法是缩短热回路中的导线。这可以通过放弃将芯片连接至封装引脚的传统键合线方法来实现。在封装中倒装硅芯片,并添加铜柱。通过缩短内部 FET 到封装引脚和输入电容的距离,可以进一步缩小热回路的范围。

图 4. LT8610 键合线的拆解示意图。

图 5. 带有铜柱的倒装芯片。
Silent Switcher 与 Silent Switcher 2

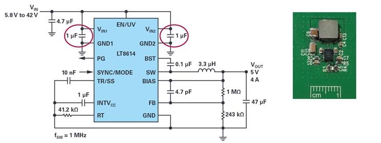
图 6. 典型的 Silent Switcher 应用原理图及其在 PCB 上的外观。
图 6 显示了使用 Silent Switcher 稳压器的一个典型应用,可通过两个输入电压引脚上的对称输入电容来识别。布局在该方案中非常重要,因为 Silent Switcher 技术要求尽可能将这些输入电容对称布置,以便发挥场相互抵消的优势。否则,将丧失 SilentSwitcher 技术的优势。当然,问题是如何确保在设计及整个生产过程中的正确布局。答案就是 Silent Switcher 2 稳压器。
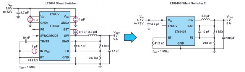
Silent Switcher 2 Silent Switcher 2 稳压器能够进一步减少 EMI。通过将电容 VIN 电容、 INTVCC 和升压电容)集成到 LQFN 封装中,消除了 EMI 性能对 PCB 布局的敏感性,从而可以放置到尽可能靠近引脚的位置。所有热回路和接地层都在内部,从而将 EMI 降至最低,并使解决方案的总占板面积更小。

图 7. Silent Switcher 应用与 Silent Switcher 2 应用框图。

图 8. 去封的 LT8640S Silent Switcher 2 稳压器。
Silent Switcher 2 技术还可以改善热性能。LQFN 倒装芯片封装上的多个大尺寸接地裸露焊盘有助于封装通过 PCB 散热。消除高电阻键合线还可以提高转换效率。在进行 EMI 性能测试时, LT8640S 能满足 CISPR 25 Class 5 峰值限制要求,并且具有较大的裕量。
µModule Silent Switcher 稳压器 借助开发 Silent Switcher 产品组合所获得的知识和经验,并配合 使用现有的广泛 µModule®产品组合,使我们提供的电源产品易于设计,同时满足电源的某些重要指标要求,包括热性能、可靠性、精度、效率和良好的 EMI 性能。
图 9 所示的 LTM8053 集成了可实现磁场抵消的两个输入电容以及 电源所需的其他一些无源组件。所有这些都通过一个 6.25 mm ×9 mm × 3.32 mm BGA 封装实现,让客户可以专心完成电路板的其他部分设计。

图 9. LTM8053 Silent Switcher 裸露芯片及 EMI 结果。
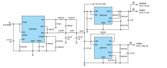
无需 LDO 稳压器——电源案例研究 典型的高速 ADC 需要许多电压轨,其中一些电压轨噪声必须非常低才能实现 ADC 数据表中的最高性能。为了在高效率、小尺寸板空间和低噪声之间达成平衡,普遍接受的解决方案是将开关电源与 LDO 后置稳压器结合使用,如图 10 所示。开关稳压器能够以更高效率实现更高的降压比,但噪声相对也较大。低噪声 LDO 后置稳压器效率相对较低,但它可以抑制开关稳压器产生的大部分传导噪声。尽可能减小 LDO 后置稳压器的降压比有助于提高效率。这种组合能产生干净的电源,从而使 ADC 以最高性能运行。但问题在于多个稳压器会使布局更复杂,并且 LDO 后置稳压器在较高负载下可能会产生散热问题。

图 10. 为 AD9625 ADC 供电的典型电源设计。
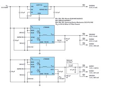
图 10 所示的设计显然需要进行一些权衡取舍。在这种情况下,低噪声是优先考虑事项,因此效率和电路板空间必须做些让步。但也许不必如此。最新一代的 Silent Switcher µModule 器件将低噪声开关稳压器设计与µModule 封装相结合,能够同时实现易设计、高效率、小尺寸和低噪声的目标。这些稳压器不仅尽可 能减少了电路板占用空间,而且实现了可扩展性,可使用一个µModule 稳压器为多个电压轨供电,进一步节省了空间和时间。图 11 显示了使用 LTM8065 Silent Switcher µModule 稳压器为 ADC 供电的电源树替代方案。

图 11. 使用 Silent Switcher µModule 稳压器为 AD9625 供电,可节省空间的解决方案。
这些设计都已经过相互测试比较。ADI 公司最近发表的一篇文章对使用图 10 和图 11 所示电源设计的 ADC 性能进行了测试和比较。测试包括以下三种配置: 使用开关稳压器和 LDO 稳压器为 ADC 供电的标准配置。 使用 LTM8065 直接为 ADC 供电,不进行进一步的滤波。 使用 LTM8065 和额外的输出 LC 滤波器,进一步净化输出。
测得的 SFDR 和 SNRFS 结果表明,LTM8065 可用于直接为 ADC 供电,并不会影响 ADC 的性能。
这个实施方案的核心优势是大大减少了元件数量,从而提高了效率,简化了生产并减少了电路板占位空间。
小结 总之,随着更多系统级设计需要满足更加严格的规范,尽可能充分利用模块化电源设计变得至关重要,尤其在电源设计专业经验有限的情况下。由于许多细分市场要求系统设计必须符合最新的 EMI 规范要求,因此将 Silent Switcher 技术运用于小尺寸设计,同时借助µModule 稳压器简单易用的特性,可以大大缩短产品上市时间,同时还可以节省电路板空间。
上一篇:如何一眼判断PCB质量的好坏?
下一篇:PCB领域两家企业IPO成功