时间:2021-09-14 16:09
人气:
作者:admin
看好基友超爱的小黄鸭暗戳戳想把玩好几天了,每天日思夜想给这小黄鸭改造改造。
来瞧瞧开发专业户是如何改造小黄鸭夜灯的吧~
画电路图,绘制PCB、剪视频等搞起来........
小鸭小夜灯改造开始啦!
wr3e、led 、8050三级管、1117-3.3、阻容件
红外收发管、轻触开关、铜线
手机充电头
小鸭小夜灯
1)在朋友的帮助下去IOT平台创建设备_source=7c8653b7bd61bf9239a1a6c12e52124d
因为是免开发的所以基本都是按照默认配置走的,就在固件配置时,改动了两项一个是WIFI 指示灯高电平有效另一个是配网完成后指示灯灭

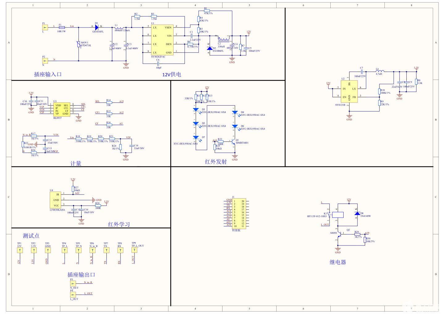
平台提供的原理图
2)然后根据平台提供的原理图,去立创参考绘制

3)参照平台原理图而绘制的

4)画完图就考虑找一个外壳然后根据外壳绘制PCB最后选择了下图的小夜灯

5)买完回来就一顿拆,边拆边构思以及量尺寸



6)采集到需要的尺寸以及元器件的布局后开始绘制PCB下图就是绘制好并且是3D预览图,立创EDA好用

7)画好PCB就可以导出gebr文件,到下单小助手中下单了。板子加工需要一定的时间所以我就提前对外壳进行改造
顶壳眼处打孔

红外管以及按键预装看效果

拆好的手机充电器

规划充电头位置

开口

预装看效果

拆原夜灯电路板

焊手机充电器

焊接好后用热熔胶固定到下后壳中

收到PCB后先放入壳中对照尺寸

PCB上锡膏

焊好贴片元件

焊好直插元件,图中按键部分用大铜线焊接加大受力强度

先安装上壳

连接电源

组装好后的样子

夜灯效果

用底部U口给手机充电

8)制作完成。 使用部分得去点击上面B站链接看视频由于在宿舍没空调做展示就参照我朋友的做法用手机观察红外头发射信号。
红外学习部分用的是手机给接收头发红外信号给模组学习。有点麻烦的是切换模式后再切到遥控器就要重新对码,而且夜灯也得开启后才能使用遥控器,不知道有没什么方法改进一下。
可能制作过程写的有些遗漏还请见谅,对于小鸭小夜灯的升级个人还是比较满意的,外壳该利用的孔洞用上,充电头的二次利用,外观上可以算是一次无损升级。
快来和我一起 DIY 制作超强小黄鸭叭!