时间:2022-01-05 16:04
人气:
作者:admin
作者:RECOM创新经理Steve Roberts、Rutronik产品销售经理Axel Stangl
降压转换器已存在了一个世纪,是当今电子电路中不可或缺的一部分。本文将讲述一个原始分立式器件如何演变成可以处理数百瓦功率的微型高集成器件。
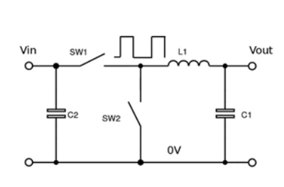
降压转换器是将输入电压转换为较低的输出电压,基本原理如图 1 所示。最初,开关 SW1 关断,电流流入线圈L1。由于线圈是一个微分元件,电流稳定地增加直到开关 SW1 导通SW2 关断,导致电流发生变化。电容C1是积分元件,因此产生的输出电压是电流和开关 SW1 和 SW2 的导通时间的函数。
最初 S1 和 S2是真实的机械开关但很快就被硅取代 — S1 是晶体管而S2 是二极管。

图 1:降压转换器基本要素(图片来源:Recom)
电路随技术进步而变化
多年以来,人们尽可能地将更多的器件件集成到控制电路来降低成本和缩小尺寸。其中一个突破发展是将主开关 S1 直接集成到控制器 IC 中,但线圈和二极管仍必须安装在外面。后来为了进一步提高效率,在新版中SW1 和 SW2开关都配备了 MOSFET,开关频率因此可高至 2MHz。

分立式设计 异步 同步集成电感
图2:集成降压转换器的发展(图片来源:Recom)
集成线圈是小型化的关键
在开关成功传换成 MOSFET 之后需要继续向小型化迈进。由于开关频率不断增加,现在就可以缩小线圈尺寸。电流幅度降低会影响输出电容的尺寸,而使用较低自热损耗的高质量电容也能进一步改善。
然而,目前的目标是更加缩小设计尺寸并提高效率。为了达到目标必须缩短开关路径以及在 Z 轴上重迭安装器件。
最简单的例子是引线框倒装芯片 (FCOL) 封装技术;控制器 IC(具集成功率晶体管)直接倒置连接到引线框冲压网格,旁边是同样直接连接到引线框架的SMD 电感(图 3)。

图 3:引线框倒装芯片结构
这种设计可以实现非常紧凑的降压转换器模块的全自动生产。屏蔽电感器连接线的缩短也对 EMC 表现有正面影响。以这种方式制造的产品也可以经过包覆形成 QFN(四方扁平封装无引线),湿度敏感等级为 MSL3并具有完整的环境保护。其中一个例子是 RECOM RPX 系列(图 4),4.5 x 4 x 2 毫米的小封装提供 2.5A 输出电流和1.2V 至 6V可调输出电压,仅需外部输入和输出电容。

图 4:RECOM RPX降压转换器POL模块的集成芯片电感和引线框倒装芯片设计(图片来源:Recom)
这些模块本身即是完整的解决方案,使用标准 SMT和回焊制程就能安装在用户的 PCB 上。RECOM另外两款采用FCOL 封装技术的 RPX 系列模块:RPX-1.0 和 RPX-1.5 系列能够在3 x 5 x 1.6mm超紧凑 QFN 封装中提供高达 36VDC 输入电压和 1.5A 输出电流。
结论
降压转换器在这几十年来取得了显着的发展。电容器、电感器、控制 IC 和封装技术的创新让器件能够以更高的功率密度集成到不断缩小的封装之中。现在,隔离式和非隔离式转换器使用创新的 3D 电源封装技术,在很大的程度上将低功率 DC/DC 转换器 IC 化,预计未来将进一步提高性能和功率密度。而作为一般用途的模块时,全功能降压转换器与普通 SMT 器件一样具有相同的量级,并以同样的方式在最终应用中找到属于它们的位置。