时间:2021-03-01 10:37
人气:
作者:admin
概述
PCB布局是优化高速板的线性性能时的关键因素。本系列中的前几篇文章讨论了减少二次谐波失真的一些基本技术。本文受TI文档“高速PCB布局技术”的启发,试图详细讨论应如何在高速差分ADC驱动器中布置轨至轨和轨至地旁路电容器,以实现以下目标:最大可能的线性性能。
使用单端运算放大器的差分ADC驱动器
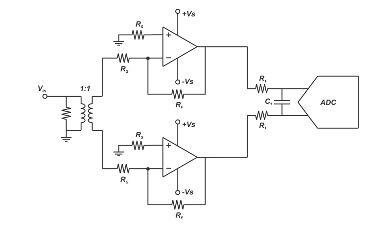
如图1所示,可以通过采用两个单端运算放大器来实现差分ADC驱动器。

图1.使用两个相同的单端运算放大器来实现差分ADC驱动器
将差分信号施加到这些相同的路径后,各个运算放大器将产生相同的二次谐波分量。这些失真分量将在ADC输入端显示为共模信号,就像其他任何共模噪声和干扰信号一样,将被差分ADC抑制。
在上一篇文章中,我们讨论了需要对称的PCB布局以保持两条单端路径相同并衰减二次谐波。在本文中,我们将讨论如何布置运算放大器的去耦电容器,以实现最大可能的线性性能。
我们知道,去耦电容器充当电荷源,并提供运算放大器应传递给负载的高频电流。为了提供高频差分电流,我们可以使用轨对地和轨对轨去耦电容器。
轨到轨与轨到地去耦结构
采用图1所示的结构,输送到负载的电流是差分的,即,当上部运算放大器向负载提供电流时,下部分支吸收电流,反之亦然。让我们考虑上级运算放大器提供负载电流而下级路径吸收负载电流的情况。图2显示了轨对地和轨对轨去耦选项以及电流路径。请注意,在该图中,为简单起见未显示放大级的电阻。此外,我们假设使用具有专用接地层的多层板。

图2.轨对地(a)和轨对轨(b)去耦结构
采用轨至地去耦结构(图2(a)),高频电流将从正轨的旁路电容器(C旁路1)流向负载,然后流向负轨的旁路电容器。(C旁路2),如蓝色箭头所示。电路原理图暗示节点A和B都处于地平面,蓝色箭头所示的路径是电流的闭合路径。但是,实际上,节点A和B是接地平面上的两个不同的节点,并且电流应从节点B流向节点A以具有闭合的电流路径。因此,负载电流将流经接地平面提供的最小阻抗的路径,流回C旁路1的接地侧。
这种结构的挑战在于,在接地平面中流动的,足够接近负载电流返回路径的任何电流都可以与负载电流耦合并改变负载电流。此外,如果负载电流返回路径从节点B到A经历任何不对称,则ADC驱动器的单端路径之间的对称性将受到影响,并且ADC输入端将出现较大的二次谐波。
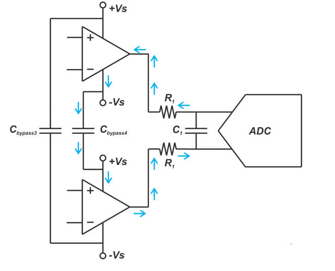
为了避免这些问题,可以在两个电源轨之间放置一个旁路电容器时采用图2(b)中的去耦结构。这样,差分负载电流将遵循蓝色箭头所示的路径,并且不必流经接地层。根据TI文档,轨到轨旁路电容器可以将二次谐波失真降低6至10dB。请注意,为了在相反方向上提供差分负载电流,我们需要包括另一个轨至轨旁路电容器(Cpass4),如下图3所示。

图3C旁路4提供的负载电流路径由蓝色箭头表示。
那么共模电流呢?
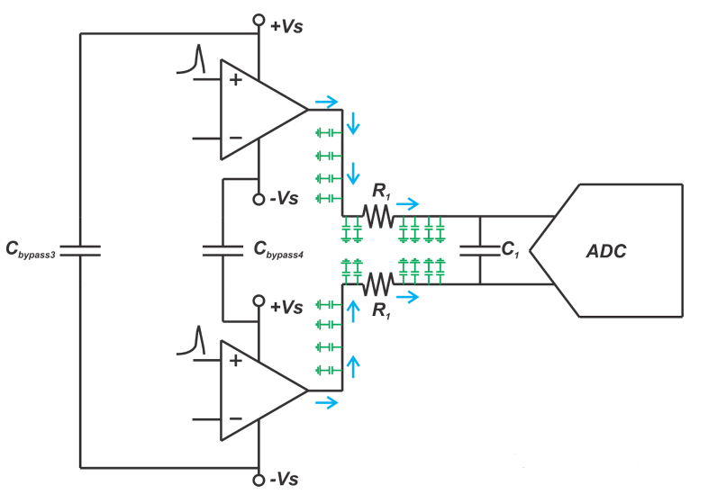
采用图1所示的结构,运算放大器提供的电流主要是差分的,并且可以由轨至轨去耦电容器提供。但是,我们仍然可以使用较小的共模电流分量。例如,假设噪声成分耦合到两个运算放大器的同相输入,并稍微提高这些节点的电压。这将产生从两个运放流出的共模电流。如图4所示,这样的共模电流将为PCB走线的杂散电容充电。

图4
请注意,轨到轨旁路电容器无法提供这些共模电流。在图4中,运算放大器必须直接通过电源和接地导体提供高频共模电流分量,这是不希望的。因此,我们需要添加轨到地旁路电容器,如图5所示。

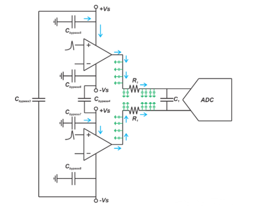
图5
如您所见,从两个运放流出的共模电流将由正极和地之间的旁路电容器(C旁路5和C旁路7)提供。该共模电流将为走线的寄生电容充电。因此,返回电流将从寄生电容的接地侧流回到接地平面中的C旁路5和C旁路7的接地侧。类似地,两个运算放大器吸收的共模电流将由位于负电源线和地之间的旁路电容器(C旁路6和C旁路8)提供。
轨至地电容可提供共模电流和差分电流
虽然我们添加了C旁路5,C旁路6,C旁路7和C旁路8来提供共模电流,但这些电容器还将提供负载的高频差分电流的一部分。如图2(a)所示,使用轨到地电容器会不必要地使差分负载电流流过接地层,这是不希望的。为避免这种情况,我们可以放置可对称地提供差分电流的轨至地旁路电容器,并将它们之间的走线在中点接地。最好在图6中以图形方式说明。

图6
上图显示了高端运算放大器提供负载电流而下部路径吸收负载电流的情况。在这种情况下,C旁路5和C旁路8可以提供一部分负载差分电流。为了防止差动电流流过接地层,我们通过板信号层上的PCB走线将C旁路5和C旁路8的接地侧连接在一起,并将该走线在中点接地(图中的节点A)。对于差分信号,理论上节点A应该是虚拟接地,并且差分电流不应流入接地层(对于差分负载电流,Iground= 0)。同样,我们放置C旁路6和C旁路7彼此对称,并将两个电容器之间的走线在中点接地。您可以在TI应用报告中找到采用上述技术的布局示例。
最后,值得一提的是,这些技术也适用于基于全差分运算放大器的ADC驱动器。有关更多信息,请参考我上面提到的TI文档。
结论
为了从差分ADC驱动器提取最大线性性能,我们需要对称的PCB布局。采用轨到轨旁路电容器作为高频差分电流的主要电荷源,可以将二次谐波分量降低6至10dB。我们仍然需要轨至地旁路电容器来提供共模电流。由于这些电容器还可以提供一部分负载差分电流,因此我们需要对称地布置它们,以使差分负载电流不会流入接地层。
编辑:hfy
上一篇:PCB设计后期自检要点
下一篇:柔性PCB电磁干扰屏蔽要求及方法