时间:2021-05-19 07:10
人气:
作者:admin
蜂鸣连续性测试仪已经存在很长时间了,但是出于PCB逆向工程的目的,他们还有很多不足之处。他们对几欧姆的“短路”做出反应,而人们则更愿意区分PCB迹线和测试探针电阻小于1Ω,以避免误报。
然后,人们会希望蜂鸣音调音调指示几毫欧的ΔR,以确定闭合的继电器触点,变压器绕组,保险丝或低电阻电流检测电阻器的哪一侧实际上已连接到目标网络,尤其是当铜迹线隐藏在组件下方。
当您快速扫过金属板上的扫帚以找到公共的净点时,就不能容忍任何时间延迟。哔哔声必须立即响起,并延长到明显的持续时间。次要要求是低电流消耗以延长电池寿命,降低测试电压,避免偏置半导体结,具有50-60Hz的抗干扰能力,对ESD和充电电容器的耐受性以及耳机操作以避免在实验室或办公室环境中引起同事的烦恼(真的,这听起来像是烫伤的猫)。
铁丝扫帚?
找到一个连接了夹子的单一网络的所有点的最快方法是在扫帚的同时扫帚扫过PCB的其余部分。探头(图1a)使用非常细(3密耳)的磷青铜硬毛,以避免对小型表面安装组件造成物理损坏。一旦将普通区域放在扫帚上,Pogo插针便会在特定设备的插针上归零,这对于它们的镀金和尖头很有用,可最大程度地降低接触电阻。它们的伸缩部分焊接在一起,以避免在测量中增加不必要的ΔR移动。使用多点弹簧针;与单点手相比,您不大可能意外地弯曲手,同时仍保持良好的低电阻接触。如果需要,可以将单点Pogo引脚用于平坦放置在工作台上的单独探针附件上,以实现极细间距的表面安装IC引脚,但请注意-这些引脚非常尖锐。
图1a扫帚和放射状弹簧针
图1b 相对端的轴向弹簧针
为了使探头在扫动时易于操作,您可以使用螺旋线–在这种情况下,线中的四根AWG26导线应平行,以最大程度地减小电阻。固定式探头可以使用香蕉插头连接到各种尺寸和类型的抓取夹。定期进行酒精清洁将最小化香蕉插头连接引起的ΔR变化。
典型的逆向工程设置如下所示(图2)。
图2蓝框Milliohm Squawker很好地适合人体工学的微型工作台,该工作台将BUT(被测板)提升到放大的放大镜视线水平,并在同一视平面上显示了原理图捕获软件。

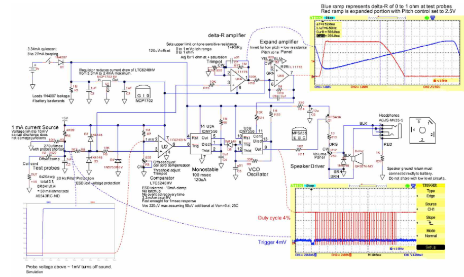
图3 Milliohm Squawker原理图(TinyCAD图)
对于低电平模拟电路,将9V电池调节至5V。R4将探头测试电流设置为1mA,R3将测试电压限制为10mV。R2增加了测试引线电阻,以确保U2的正偏移电压,该电压由微调电阻R8补偿。这是必需的,因为U2使用单个电源。它的偏移量可能为负,测试引线电阻随后会通过其他电路进行补偿。
C3消除了50-60Hz交流杂散拾波器,但立即放电到测试探头的短路处,以实现快速响应。R5,D1,D2和D4钳位ESD以及来自已充电BUT电容器的任何电压。U2是为低电流消耗和低输入失调电压而选择的低电平比较器,但其速度足以响应1ms的扫帚扫描脉冲。它仅在表面贴装中可用,因此,如果使用带引线的组件来构建它,则需要一块转接板。您可以尝试使用其他快速的低功耗,低失调运算放大器。我之所以选择LTC6240,仅仅是因为它在LTspice仿真中具有足够快的响应速度。
Trimpot R8设置蜂鸣阈值电阻:基于典型PCB长而细的走线,1Ω是一个不错的选择。忽略U2的输入失调电压,在U2的负输入端设置1mV即可设置1Ω探头+ R2 + PCB走线电阻下1mA测试电流的阈值。如果需要,可以将R8设置为不同的阈值。
低于1mV的探针电压会使U2触发100ms单稳态U3A。这有助于延长哔哔声,因此在快速扫帚扫除时会被察觉。U3A启用U3B VCO,该驱动器以4%的占空比驱动扬声器。在空闲(无蜂鸣)期间,U3B使扬声器驱动器晶体管Q1截止;低占空比确保Q1大部分处于关闭状态,从而最大程度地减少了电池电流消耗。R14将扬声器电流脉冲与电池隔离开,以防止扬声器电流与低电平模拟电路之间发生任何相互作用。C6提供将扬声器驱动到适当响度所需的电流峰值。
如果仅使用耳机,则不需要Q1。U3B可以直接驱动耳机(此扬声器电路的缺点是,即使使用耳机,音量控制也会浪费电流。由于Squawker大部分时间都是安静的,因此我忽略了此电池浪费问题。)
最终版本是使用SMT在具有坚固接地层的PCB上构建的,因此我不希望通过该平面发送扬声器返回电流。但是,如果在矢量板上构建扬声器,则应使扬声器的返回电流与低电平模拟接地系统分开,并通过其自己的返回路径直接将其连接至电池。最初的无焊面包板版本存在与此相关的各种问题。
U4A和U4B提供了音调与ΔR的关系。发现在PCB版本中不需要电容器C7和C8,此处显示为“仅在出现故障时”,即CYA动作。探头两端的0-1mV被U4A放大,其增益由微调电位器R16设置。通常,R16完全沿顺时针方向保持,以实现最小增益。我发现这足以轻松区分低至5mΩΔR的音调变化。如果有必要增加ΔR分辨率,可以将Trimpot R16设置为更高的增益。到目前为止,我还没有发现这是必要的。请勿过度使用-如果增益设置过高,U4A可能会在输入失调时达到饱和。
U4B和前面板调整R20让用户“放大”到感兴趣的ΔR范围。U4B驱动VCO U3B控制输入以设置提示音。R20设置ΔR测量窗口,并调整测试探针,香蕉插头附件和BUT走线电阻的电阻。首先将探头短接在一起,并调谐R20,直到蜂鸣声刚好从最低音调开始上升。探针之间的几毫欧将导致蜂鸣音高进一步增加。如果您的电路嗅探发现较长的BUT走线,请重新调整R20以适应增加的走线电阻,并将蜂鸣音调降低到其线性测量范围。
最终,您的兴趣点可能会以闭合的继电器触点或变压器绕组结束。这些线的两面都会发出蜂鸣声,但是音高较低(电阻最低)的那一面是被测网的连接位置。
您必须将pogo针牢固地固定在测试点上,以使接触电阻最小。请注意,pogo针的温度变化也会导致螺距变化,因此,如果您刚刚焊接了BUT或在探头组件上安装了新的pogo针,请给它们一些时间使其稳定到室温。另外,在使用过程中请勿触摸弹簧针。手指的温暖会改变蜂鸣音的音高。
编辑:hfy