时间:2021-01-07 11:25
人气:
作者:admin
PCB设计的学习是一个循环渐进的过程,不可能一蹴而就,需要一步一步的打好基础。今天,我们就来学习一些基础的PCB术语及其概念图。
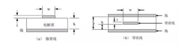
微带线
微带线,通常指的是PCB表层的走线,延时小,对于一般的FR4板材,1inch微带线对应的走线延时约为140ps,利于走对速度要求高的信号(例如差分线,通常为高速信号,同时抗干扰比较强)。
带状线
带状线通常是指PCB内层的走线,延时方面较微带线大,对于一般的FR4的板材,1inch的带状线的走线延时约170us,另外,二者在特性阻抗的匹配计算上也不一样。

差分线
差分线用通俗的话讲就是:用两条平行的、等长的走线传输相位差180度的同一信号。
说白了,就是一根线传输正信号,一根线传输负信号。正信号减去负信号,得到2倍强度的有用信号。而两根线路上的干扰信号是一样的,相减之后干扰信号就没了。

过孔
PCB上的用来走线用的孔。过孔不仅可以是通孔,还可以是掩埋式。所谓通孔式过孔是指穿通所有敷铜层的过孔;掩埋式过孔则仅穿通中间几个敷铜层面,仿佛被其它敷铜层掩埋起来。由于通孔在工艺上更易于实现,成本较低,所以绝大部分印刷电路板中均使用它。

阻焊
一种保护层,涂覆在印制板不需要焊接的线路和基材上。阻焊膜基本上都是绿色,所以也称呼为绿油,用来阻止焊接或者阻止焊盘/走线/过孔等外露。
丝印
PCB上的标识,用来指示器件或者用来做文字说明。
结构图
结构要素图:确定PCB的结构,包括板框、端口位置、限高区等,一般由结构工程师提供,也可以反向从PCB文件导出。

编辑:hfy
下一篇:浅谈印刷电路板返修之后的工程