时间:2018-03-10 09:40
人气:
作者:admin
EDA在通信行业(电信)里的另一个解释是企业数据架构,EDA给出了一个企业级的数据架构的总体视图,并按照电信企业的特征,进行了框架和层级的划分。 EDA是电子设计自动化(Electronic Design Automation)的缩写,在20世纪60年代中期从计算机辅助设计(CAD)、计算机辅助制造(CAM)、计算机辅助测试(CAT)和计算机辅助工程(CAE)的概念发展而来的。利用EDA工具,电子设计师可以从概念、算法、协议等开始设计电子系统,大量工作可以通过计算机完成,并可以将电子产品从电路设计、性能分析到设计出IC版图或PCB版图的整个过程的计算机上自动处理完成。现在对EDA的概念或范畴用得很宽。包括在机械、电子、通信、航空航天、化工、矿产、生物、医学、军事等各个领域,都有EDA的应用。目前EDA技术已在各大公司、企事业单位和科研教学部门广泛使用。例如在飞机制造过程中,从设计、性能测试及特性分析直到飞行模拟,都可能涉及到EDA技术。
(1)数码输入:按下一个数字键,其对应的数字就显示在最右边的数码管上,同时将先前输入的所有数字向左移动一位。设计密码为4位,系统只能显示前4位输人的数码。
(2)数码清除:当按下清除键时,清除前面输入的所有值,并显示为“----”。
(3)密码解除:按下55#键,可以将电子密码锁的旧密码解除。
(4)密码更改:将旧密码解除之后,可以进行密码更改。输入任意四位密码数字,再按#号就可以将输入的数码当作新的密码。
(5)密码上锁:输入新的密码之后,按下11#键,可以进行密码上锁操作。
(6)密码解锁:按下99#键,再输入数码;如果输入与系统储存密码一致,密码锁就能开启;否则不能解锁。
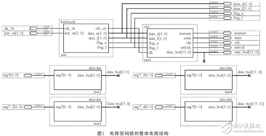
电子密码锁的整体结构如图1所示,它包括密码锁输入模块、控制模块和显示模块等。

设计一个电子密码锁,在锁开的状态下输入密码,密码共4位,用数据开关K1K10分别代表数字1、2、…、9、0,输入的密码用数码管显示,最后输入的密码显示在最右边的数码管上,即每输入一位数,密码在数码管上的显示左移一位。可删除输入的数字,删除的是最后输入的数字,每删除一位,密码在数码管的显示右移一位,并在左边空出的位上补充“0”。用一位输出电平的状态代表锁的开闭状态。为保证密码锁主人能打开密码锁,设置一个万能密码,在主人忘记密码时使用。

设计提示:
密码输入删除控制模块
寄存模块
比较模块
扫描显示模块

系统主要由红外发射模块和本机处理接收模块两部分构成,系统总体设计框图如图1所示。发射模块和本机处理接收模块的核心分别采用AT89C2051($0.5940)和AT89S52($0.8482)单片机。红外信号的收发通过串口进行通信,两部分的串口工作方式及通信波特率的设置相同。

AT89C2051单片机是AT89C51($3.7500)的一种精简版本,只有20个引脚,体积小;具有2.7~6 V的宽电压工作范围;具备低功耗空闲和掉电模式。该单片机满足本系统低电压供电、低功耗、方便随身携带的要求。在本机处理接收模块中,采用了AT89S52单片机,该单片机有3个定时器。设置密码和按键*时,均设计了按键间隔超过3s自动复位的功能,分别采用定时器T0和T1定时实现;定时器T2设置串口通信波特率。
红外发射模块仅仅是一手持遥控器,由AT89C2051单片机及键盘电路、按键K及红外发光二极管组成。发射电路原理图如图2所示。

发射模块设置的密码必须与本机接收模块相同(设置密码方法见2.2.1节),所设密码保存在RAM存储器的31H~38H单元。在待机状态下,系统工作在空闲方式,当按键K按下时,系统上电工作,依次发送密码信号。这样做的优点是,密码不但能跟随主机任意改动,而且遥控*时,仅按一键就可完成*,方便了用户。
本机处理接收电路的控制核心是AT89S52单片机。外接键盘电路、红外接收电路、*电路、报警电路和按键指示电路等,电路原理图如图3所示。

红外接收电路中使用一体化红外接收头TLl838接收红外信号。TLl838集红外接收和放大于一体,不需任何外接元件,就能完成从红外接收到输出与TTL电平兼容的所有工作,而体积和普通的塑封三极管大小一样。TL1838的输出波形如图4所示。当接收到频带内的红外信号时,TLl838 会输出低电平,否则数据高电平,从而将“时断时续”的红外信号解调成原来的连续方波信号。

报警电路采用了蜂鸣器发声模拟报警,蜂鸣器接在CPU的引脚P2.1上,通过NPN型三极管做电流放大,通过单片机控制蜂鸣器的频率及蜂鸣时间。当输入错误的密码进行*时,由P2.1口输出高电平使得NPN型三极管9014导通,蜂鸣器两端加电,由蜂鸣器发出3 s的报警声,当连续三次出现密码错误时,系统将长时间报警,有效起到了防盗作用。
电源部分使用LM7805($0.2053)芯片进行稳压后提供单片机5 V的电压,其电路如图5所示。主要采用家用交流电,同时采用9 V电池作为备用电源。这样做的优点是,即使断电也不至于无法*。

由于AT89S52单片机有4个并行输入输出口,硬件资源比较充足,键盘电路采用了相对简单的独立式按键;电路中用一继电器控制一绿色发光二极管代替具体的锁,当密码正确时,*5 s,然后自动上锁;P2.O口接一红色发光二极管,用其亮与灭来提醒用户按键是否按下。这样既巧妙地提醒了用户又有效地保护了密码。