时间:2009-03-20 14:09
人气:
作者:admin
控制电路的SPICE仿真模型
开关电源中的反馈控制电路现已广泛使用集成电路如SG1524(单环控制),UC1846(双环控制)等。
图1为集成电路SG1524的仿真模型符号。
其中,包括电压误差放大器E/A、比较器、振荡器(产生锯齿波),以及5V参考电压等。
图2 为锯齿波电压波形图。
由波形可以计算导通比。


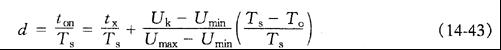
图1 集成电路561524仿真模型符号 图2 锯齿波电压波形图

式中 TO——延迟时间(如5μS)
x——开关晶体管的存储时间(如2 μS)
Umax及Umin——锯齿波峰值电压及最小电压;
Uk——控制电压(施加于比较器的输人端)。
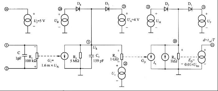
图3为SG1524的等效电路模型。它主要由两部分组成,即误差放大器和比较器,此外还有参考电压Ur=5V。
1)误差放大器
输人端①、②,输出端⑨、⑥,它由电压控制的电流源G1及电阻R1、电容C1等组成。
![]()
输人阻抗由电阻Ri=100 kΩ及电容Ci=1 pF模拟。
![]()

图3 SG1524的等效电路模型

放大器输出节点⑨(电压为Uk)由钳位电路限定电位上下限(由电压源Ua、Ub及二极管D3、D4组成)
2)比较器
放大器的输出端(节点⑨)Uk接到比较器输入端,其等效电路由三个电源组成。
(1)电压URC控制的电流源GD

(2)考虑晶体管存储时间的等效电流源IX,
IX=0.1tx/Ts (14-47)
(3)URO控制的电压源ED
ED=0.01×URO=d (14-48)
即比较器输出(节点⑩)导通比d
式中,URO=(GD+IX)RO=100d,URC=UK-Umin,UO=Umin
节点(21)、(22)分别接电压源Up及UM组成的钳位电路,即定节点20的电位(即导通比)最大值、最小值。
SG1524的仿真程序如下:

SPICE的程序输入语言,采用自由格式描述电路结构和元件参数。软件用改进节点法列方程,用牛顿一拉夫逊改进算法进行非线性分析,应用稀疏矩阵技术解线性代数方程组,瞬态分析中在求刚性微分方程数值解时,使用变阶变步长的隐式积分法(Gear法)。采用上述算法收敛快,数值解的稳定性好,SPIcE的使用方法可以参考有关手册。
因此只要将开关电源的各元件节点编号,将电路结构和元件参数值,按照规定的格式输入计算机,就可以对电路或系统进行仿真分析,包括输出计算结果、打印出瞬态时域响应特性或小信号频域特性等。
下一篇:高速数字电路的仿真