时间:2023-08-09 08:10
人气:
作者:admin
下一代物联网通信
为了进一步提升物联网技术在各行业的渗透率,超低功耗、极小尺寸和更低成本是后续物联网方案设计的核心诉求。在功耗方面,对于免电池设计或者极低频次更换电池的物联网方案,传统的MTC/NB-IoT以及现阶段流行的RedCap等物联网技术都已经无法满足需求,零功耗通信技术被寄予厚望,被定义为下一代物联网通信技术。
零功耗通信技术属于能量采集技术中的一种,是射频能量采集和低功耗物联网的融合。从工作原理来看,零功耗通信技术使用射频能量采集、反向散射和低功耗计算等关键技术,通过采集空间中的无线电波获得能量以驱动终端工作,因此零功耗通信终端可不使用常规电池。而在这套系统中,射频、传感、控制等器件分别承担着不同的使命,是构建零功耗通信方案的关键。在贸泽电子网站上,拥有来自不同厂商的、品类丰富的、可用于零功耗通信的元器件供大家选择。

图1:零功耗通信系统框图
(图源:OPPO)
零功耗通信对射频和系统的要求
根据OPPO发布的《零功耗通信白皮书》,零功耗通信方案设计主要分为两个部分,其一是网络设备;其二是零功耗物联网终端。如上所述,零功耗物联网终端又分为能量采集、反向散射通信和低功耗计算系统三个部分。

图2:反向散射通信基础电路
(图源:OPPO)
零功耗通信利用终端获得的外部能量驱动终端进行工作,能量源包括蓝牙、Wi-Fi、手机信号等,也就是我们常说的射频能量采集。互联网和物联网先后普及让我们生活中充满了射频能量,它们可能来自手机、基站,甚至是来自卫星。如果我们能够将这些能量收集并储存,就可以为广泛存在的物联网设备供电。
对于射频能量采集有两项指标非常重要:
首先是射频能量采集器需要有一个足够宽的工作范围,包括输入功率和输出负载电阻的变化,这样射频能量采集系统就能够适应多频带或宽频带范围,并且支持自动频率调谐的射频能量采集电路;
其次是低漏电流的能量存储技术,系统采集的能量经过倍压器或者多倍压器转变为直流电,然后储存到储能电容里,需要采用高电容率且低漏电流的电容器,只有漏电流远远小于收集的能量,这些采集来的能量才有可能会被用到。
集中储存起来的能量最终被用于设备运转,这些设备有时候也会采取零功耗(ZP)的设计理念——当设备处于待机状态时,系统的输入电流会被降至一个非常低的水平。当然,现阶段的低功耗技术已经不限于“零功耗”,连续工作的能效水平也已经很高。在这方面,无线SoC起到了表率作用。
无线SoC由两个主要的系统组成,一个是无线收发系统,还有一个是CPU子系统。无线收发系统一般由基带数字信号处理器、模拟前端、RF收发器和集成功率放大器组成,主要用于支持各种无线通信协议,比如蓝牙、Wi-Fi、ZigBee等。为了能够降低设备在通信过程中的能耗,几乎每一种无线通信协议,包括一些2.4GHz专有协议,在协议更新的过程中都把低功耗技术作为必要的更新内容,比如业界广为人知的蓝牙低功耗技术。
相应的,作为内部的控制和处理单元,无线SoC中的CPU子系统也会进行很多降低功耗的处理,以求在保持系统性能的前提下,消耗尽可能少的能量。对于零功耗通信系统而言,一般要做到的就是在需要的时候启动系统,当任务完成后,由CPU子系统控制整个系统进入“零功耗”模式。
这里我们来看一个具体的例子,这款器件来自Nordic Semiconductor,是一款多协议2.4GHz SoC,贸泽电子官网上该器件的料号为nRF52840-QIAA-T,大家可以通过搜索此料号迅速找到这颗器件。

图3:nRF52840多协议2.4GHz SoC
(图源:贸泽电子)
nRF52840主打超低功耗和高度灵活两大优势,非常适用于短距离无线应用。该器件支持Bluetooth 5/低功耗蓝牙(Bluetooth Low Energy)、802.15.4/Thread、ANT/ANT+以及2.4GHz专有协议,用户可以在这些协议中灵活地选择,也可以借助器件提供的动态多协议特性实现并发Bluetooth 5和Thread无线连接。
nRF52840在无线连接方面还拥有一个独特的设计,器件具有片上NFC-A标签支持。也就是说,方案设计可以通过NFC Type 2和Type 4标签仿真协议栈来进行OOB配对,简化了现有蓝牙配对认证的过程,极大改善了用户体验。
在CPU子系统方面,nRF52840采用电源和资源管理,能够显著提升系统能效水平。比如该器件所有外设均具有独立的自动化时钟和电源管理功能,以确保在任务操作不需要时关闭电源,进而降低系统能耗,并且这不需要应用程序执行和测试复杂的电源管理方案;该器件具有自动化和自适应电源管理功能的全面系统,从电源切换到外设总线/EasyDMA存储器管理进一步细化了系统的能耗管理;无需外部稳压器,可在1.7V至5.5V的电源电压范围支持一次侧和二次侧电池技术以及USB直接供电。

图4:nRF52840电源管理系统框图
(图源:Nordic Semiconductor)
超低功耗和高度灵活的特性,让nRF52840可以帮助开发人员将低功耗物联网技术带到更广泛的应用领域,比如传统物联网应用中的智能家居传感器和控制器、工业物联网传感器和控制器等。当然,开发人员也可用这款器件开发交互式娱乐设备或者高级可穿戴设备,包括高级远程控制、游戏控制器、先进的个人健身设备、具有无线支付功能的可穿戴设备以及虚拟/增强现实应用等。
零功耗通信重塑MCU供电模式
综合《零功耗通信白皮书》等多方面报告来看,零功耗通信技术经过初期的发展,目前已经渗透到多个物联网领域中,包括物流仓储、资产管理、智能家居、智能可穿戴、医疗健康、智慧能源等。在这些系统中,MCU依然是系统的核心,负责整个系统的调度。
下图是一种典型的MCU框架图,其主要的构成包括CPU系统、总线逻辑控制单元、时钟控制单元、储存单元、外设接口、定时器/计时器以及中继系统,这些功能单元均由总线进行连接。

图5:MCU基本组成框图
(图源:贸泽电子)
随着零功耗通信技术在物联网的渗透,MCU的设计也在发生着改变,包括使用更低功耗的内核,以及针对性开发多种省电模式,最终的目标是实现免电池设计。当然,现阶段由于射频能量收集到的能量还很小,创新方案一般还会搭载一次或者二次电池系统作为冗余的能量源。但必须要强调的是,零功耗物联网的最终形态一定是免电池设计,这才是这项技术的魅力所在。
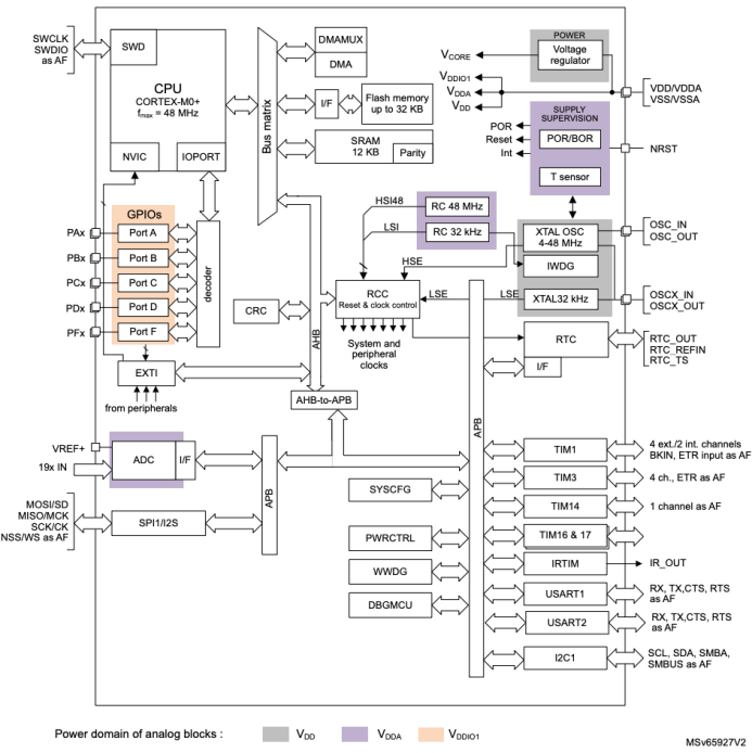
下面我们以STMicroelectronics的STM32C0x ARM Cortex-M0+32位MCU为例来展开,该器件在贸泽电子官网上的料号为STM32C031C6T6。
这款MCU基于ARM Cortex-M0+32位RISC内核打造,大家都知道ARM Cortex-M0+是Arm公司专门为成本和功耗敏感型应用打造的处理器核心,能够以8位MCU的成本实现超低功耗的32位MCU。光是这颗内核就进行了足够多的降低功耗设计,包括卓越的代码密度,极低的内存利用率,内置低功耗应用程序,支持三种高度优化的低功耗模式等。
在ARM Cortex-M0+内核的基础上,STM32C0x系列MCU还增加了一个低功耗RTC,并额外设计了一套动态功耗优化模式。这种模式可以和已有的省电模式结合,可实现低功耗应用设计。汇总来看,这款器件支持的低功耗模式包括休眠、停止、待机和关闭等。为了配合这些模式的运转,STM32C0x系列MCU都提供上电/断电重置(POR/PDR)和可编程掉电复位(BOR)功能。

图7:STM32C0x系列MCU系统框图
(图源:STMicroelectronics)
虽然内核面积小、功耗低,并且整个MCU系统也进行了低功耗设计,不过STM32C0x系列MCU的性能依然很出色。内核运行频率高达48MHz,提供高速嵌入式内存(12kB SRAM和带读写保护的高达32KB闪存程序存储器),设有增强型I/O外设、标准通信接口和一个高级控制PWM计时器等。
高集成度加上低功耗、低成本的优势,让STM32C0x系列MCU非常适合用于各种消费电子、工业和电器应用。
能量采集让物联网
智慧、便捷、绿色
零功耗通信的理念从各个方面重塑了物联网方案的设计,让物联网向着更高集成、更低功耗、更久续航和更低成本等方向发展。目前,除了射频能量采集,物联网所采用的能量收集技术还有太阳能采集、机械能采集和人体热能采集等,这些技术让物联网更加绿色、便捷。
不过,更持久的续航,甚至是无电池设计并不以牺牲物联网性能为前提,智能化是物联网系统发展不可逆的大趋势。因此,不断提升能量采集技术的转化效率和系统能效是重中之重,能够加速包括射频能量采集在内的能量采集技术在物联网领域的普及。当然,要想在这些前沿的物联网领域保持技术领先,一定是离不开贸泽电子官网上新品器件的支持。
关于贸泽电子
贸泽电子(Mouser Electronics)是一家全球知名的半导体和电子元器件授权代理商,分销超过1200家品牌制造商的680多万种产品,为客户提供一站式采购平台。我们专注于快速引入新产品和新技术,为设计工程师和采购人员提供潮流选择。