时间:2023-02-21 16:44
人气:
作者:admin
摘要:采用无线射频技术来测量电缆接头温度,设计的无线测温系统硬件由温度采集器系统和无线汇集终端系统两部分组成。将温度采集器安装在高压带电体被测接点上,温度采集器的射频芯片在接受到无线汇集终端发来的温度读取指令时会将温度数据进行打包发送出去,然后由无线汇集终端接收处理数据。该装置可准确地提供被测设备温度变化,为设备安全运行提供实时的可靠数据。
关键词:电缆接头温度;无线测温;射频技术;通信方式。
1
安装无线测温系统必要性
随着市政工程改造的日益推进,架空绝缘线路入地改造持续增多。电缆大多采用橡胶绝缘,虽然橡胶的绝缘性能好,但是随着铺设环境的改变,橡胶发热老化导致电缆绝缘击穿成为了电能传输过程中的一大障碍。突出表现在电缆铺入地下使用后,无法直观对其运行状况进行检测,电力电缆长时间运行后易发生绝缘老化,温度升高、局部放电等问题,导致绝缘击穿。电力电缆发生故障后,寻找故障点成为困扰电力运维部门的一大难题,通常会浪费大量人力物力,为电力部门带来难以估计的停电损失。
2
无线测温系统设计方案
从取电方式上看,可将在线测温方式主要分为有源测温和无源测温两种。其中:有源测温方式有红外摄像头测温方式,利用红外成像原理进行温度的实时检测,但成本非常高;无源测温传感器主要有铂热电阻温度传感器、光纤测温传感器、声表面波测温传感器和感应取电测温传感器等。
电气接点无线测温系统适用于高压开关柜触点及接点、刀闸开关、高压电缆中间头、干式变压器、低压大电流等设备的温度监测。该装置采用超低功耗技术设计,由嵌入式一体化触摸屏、无线测温收发器和无线温度传感器组成。无线温度传感器与主机信息交换通过无线信号传送,不会影响系统的绝缘性能,使用安全。装置具有隔离、安装方便、抗干扰能力强、工作可靠等特点,解决了高电压状态下的接触式温度监测的安全问题。
无线温度传感器对温度监测点进行温度测量后,将温度数据通过无线方式传递给无线测温终端;通过总线连接,温度监测计算机从无线测温终端采集各监测点的运行温度数据,在数据库中作长期保存,实时显示监测点的温度变化曲线,并进行分析,一旦发现温度过热或急剧升温至事先设置的报警温度值时立即报警。同时,可方便地将存有温度数据的上位机接入网络,进行Web发布。无线测温装置测温终端可设置可设置两档温度报警值,温度超过报警设定值,可驱动、蜂鸣器。该系统的应用分为民用和工业应用两个方面。民用应用主要适用于室温监测领域;工业应用主要适用于电力、钢铁、石化等领域,可对高压电缆接头及高压开关柜触点等处温度进行实时监测,方便运维人员远程掌握现场运行情况。
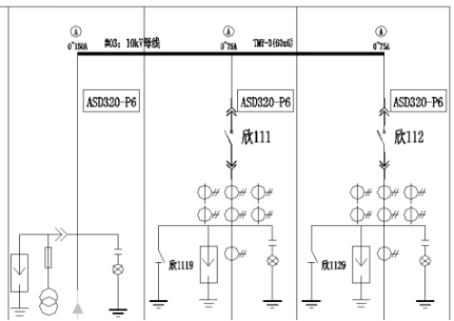
3
无线测温方案配置案例


3.1无线测温系统架构

3.2 系统配置

4
无线测温系统功能
实时监测
安科瑞Acrel-2000无线测温系统人机界面友好,能够以配电一次图的形式直观显示各测温节点的温度数据,及有关故障、告警等信号。

详细温度查询
历史温度曲线、实时温度曲线查询、实时温度数据查询。



运行报表
查询各回路设备运行温度报表。


实时报警
安科瑞Acrel-2000无线测温系统具有实时高温报警功能。

用户权限管理
安科瑞Acrel-2000无线系统为保障系统安全稳定运行,设置了用户权限管理功能。通过用户权限管理能够防止未经授权的操作(如遥控的操作,数据库修改等)。可以定义不同级别用户的登录名、密码及操作权限,为系统运行、维护、管理提供可靠的安全保障。

定值设置
用于修改高温定值、超温定值。

5
无线测温系统特点
(1)无线测温模块安全可靠、安装维护简单,适合对中开关高电压、大电流接点处进行温度监测,被测设备的结构不需要变动。
(2)整个无线测温系统可以通过无线方式通讯,信号传输方便。
(3)无线测温系统抗干扰能力强,对脉冲干扰、快速瞬变干扰、静电辐射、电磁场辐射等的抗干扰能力达到国家四级标准,同时设备运行不影响中压开关的分、合闸操作以及保护装置的动作。
6
结论
该配电工程用10kV无线测温系统经过运行检验,已经证明可以满足现场安全、稳定运行的要求。实现开关温度在线实时监测,不仅降低了开关设备的维护检修工作量,而且有效预防了重大事故的发生,对确保配电工程10kV设备的正常运行有重要意义,同时对其他公司进行设备无线测温装置改造工作具有一定的借鉴指导作用。