全球最实用的IT互联网信息网站!

AI人工智能P2P分享&下载搜索网页发布信息网站地图

当前位置:诺佳网 > 电子/半导体 > RF/无线技术 >

AD8369ARUZ数控VGA

时间:2022-04-18 10:54

人气:

作者:admin

标签: 数控VGA 

导读:AD8369采用先进的硅双极性工艺制造,以3 V或5 V单电源供电,提供节省空间的16引脚超薄紧缩小型(TSSOP)封装,额定温度范围为–40ºC至+85ºC。...

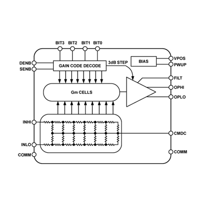
AD8369是一款高性能数字控制型可变增益放大器,设计用于手机接收机的中频设备。
该器件具有4位数字控制增益接口,可配置为并行或3线串行控制。增益控制在45 dB的范围内可调,以3 dB递增。

它适合用于数字中频接收机,并且额定工作频率为常见的中频:70 / 140 / 190 / 240 / 380 MHz。20 MHz通道带宽的增益稳定性和平坦度低于0.1 dB(380 MHz时)。它结合了低失真和驱动200 或1 K 的能力,可作为灵活的高中频增益控制元器件使用。

AD8369采用先进的硅双极性工艺制造,以3 V或5 V单电源供电,提供节省空间的16引脚超薄紧缩小型(TSSOP)封装,额定温度范围为–40ºC至+85ºC。

pYYBAGJb25-AMZ9kAAD7IQF9XwM467.pngAD8369ARUZ数


宽带宽(-3 dB带宽):600 MHz
数字控制增益,步进为3 dB
4位并行或3线式串行接口
增益控制范围45 dB(最大增益40 dB)
平坦增益响应:380 MHz,<0.2 dB(20 MHz信号带宽)
高线性度输出IP3:19.5 dBm (70 MHz)
单端200Ω输入与输出阻抗
小尺寸16引脚TSSOP封装


ADL5206ACPZ ADL5240ACPZ-R7
ADL6316ACCZ ADL5243ACPZ-R7
ADL6317ACCZ ADL5336
ADL5335ACPZN HMC960
HMC625B HMC680
ADL5205 AD8432ACPZ-R7
ADA8282WBCPZ LT5554IUH#PBF
HMC8120 AD8260ACPZ-R7
HMC8121 AD8372ACPZ-R7
ADA4961ACPZN-R7 AD8375ACPZ-R7
HMC627A AD8376ACPZ-R7
HMC681A HMC628
HMC742A LT5524EFE#PBF
ADL5201 LT5514EFE#PBF
ADL5202 AD8370AREZ
AD8369ARUZ

温馨提示:以上内容整理于网络,仅供参考,如果对您有帮助,留下您的阅读感言吧!
相关阅读
本类排行
相关标签
本类推荐

CPU | 内存 | 硬盘 | 显卡 | 显示器 | 主板 | 电源 | 键鼠 | 网站地图

Copyright © 2025-2035 诺佳网 版权所有 备案号:赣ICP备2025066733号
本站资料均来源互联网收集整理,作品版权归作者所有,如果侵犯了您的版权,请跟我们联系。

关注微信