时间:2022-04-29 16:28
人气:
作者:admin
现代社会,随着信息技术的迅速发展,信息和数据的重要性和安全性日益加深,在某些特殊场合,因为工作上的需要,或者日常生活的需求,往往需要记录和保留一些重要的声音,录音笔从而诞生,相比较于手机设备而言,录音笔以其便携性和隐蔽性的特点受到这类群体的青睐,受到广泛关注。
WT2605音频蓝牙语音芯片是深圳唯创知音电子自主研发的智能型无线音频数据传输、录音、MP3 音频播放芯片,是低成本高效率的录音方案,内含一个功能强大的 DSP(数字信号处理器)核心,是专为录音播放领域开发的低成本解决方案。
同时,WT2605芯片因其出色的录音效果在录音笔领域得到广泛的应用,深圳唯创知音这款WT2605芯片开发的录音笔方案已经形成一种成熟的方案,配合自主研发的时钟芯片,蓝牙透传芯片,可实现更多拓展性功能,目前,这款芯片在各种应用场合,可实现不同的定制化需求。
下面我们以应用实例:WT2605录音笔方案直观的呈现:
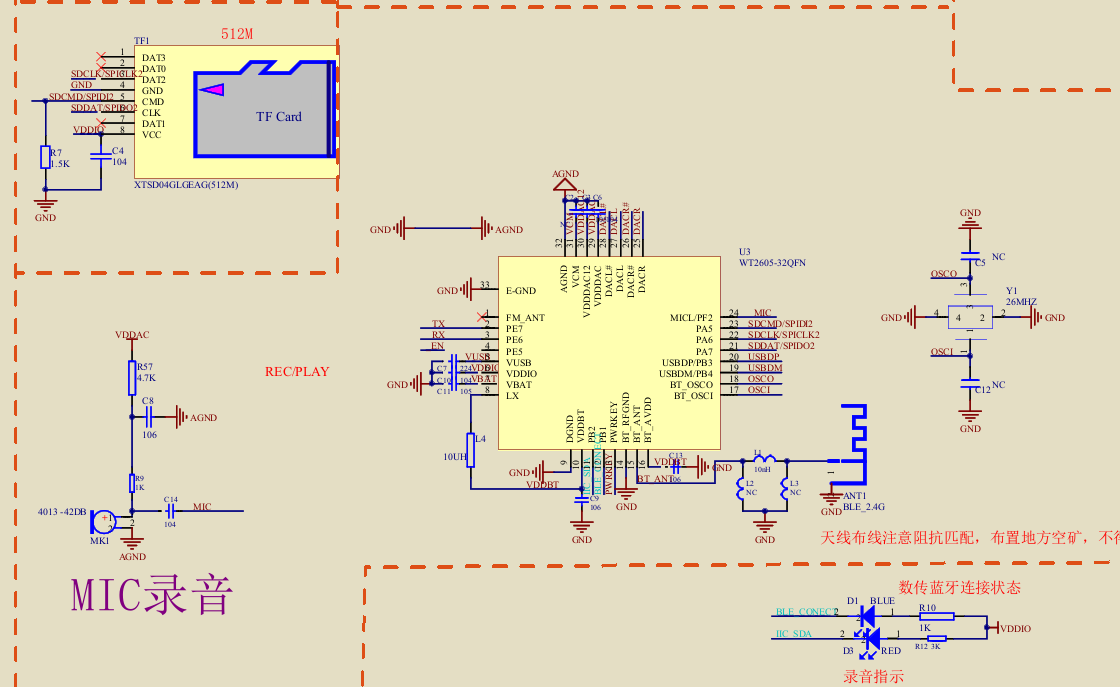
WT2605录音笔方案设计实例
1)WT2605录音笔方案概述
WT2605录音笔方案选用高品质录音芯片和深圳唯创知音自主研发的蓝牙BLE芯片,配合手机APP,可实现手机远程控制录音,实时监听录音内容,一键转换录音文字等功能;另外还支持,定时周期录音,声音控制录音功能,开启声控录音后,录音笔可实时检测外部声音,有声音则进入录音,无声音则进入休眠。
2)设计思路
① 功能特点
WT2605录音笔方案选用WT2605芯片外挂SD卡存储,最大可支持32G存储空间,录音最大支持44.1KHZ采样率 192KBPS录音码率,并支持环境降噪,保证录音效果干净清晰,配合蓝牙BLE芯片,可实现实时录音内容上传手机端,手机实时监听,也可指定SD卡存储的本地录音内容上传,实际测试10米距离稳定传输.
② 设计框图

③ 设计原理图


④ WT2605芯片应用于录音笔方案的优势:
A 支持高达1M波特率的UART传输速率,满足大数据量传输;
B 支持最高192M时钟频率;
C 支持MIC降噪;
D 带有16 bit DAC和16 bit ADC的音频编解码器;
3)用户协议
WT2605和APP端交互协议采用深圳唯创知音标准UART通讯协议,方便客户进行开发和产品的更新迭代。WT2605芯片内置标准UART异步串口接口,属于3.3V TTL电平接口。可通过MAX3232芯片转换成RS232电平。通讯数据格式是:起始位:1位;数据位:8位;奇偶位:无;停止位:1位。发送的指令都为十六进制的格式,使用电脑串口调试助手,需要正确设置串口的参数,设置如图:

起始码 | 长度 | 命令码 | 参数 | 累加和校验 | 结束码 |
0X7E | 见下文 | 见下文 | 见下文 | 见下文 | 0XEF |
注意:“长度”是指长度+命令码+参数+校验和的长度,“累加和校验”是指长度+命令码+参数的累加和的低八位。
具体协议内容可咨询深圳唯创知音客服。
4) 操作界面


深圳唯创知音自主开发了一款配合录音笔使用的APP,可提供给客户进行二次开发,极大简化客户处理录音数据的过程,客户只需要简单的操作协议,即可实现与录音笔进行交互,实现客户产品功能。
唯创知音作为一家专注于语音技术研究的高新技术企业,始终坚持以“服务好工程师”
为目标,以行业语音交互器件标准化为方向,致力于让复杂变简单,提供快捷的语音、智能
物联网应用解决方案。WT系列芯片应用设计方案,在智能闹钟、智能水杯、雾化器等消费电子行业领域内已有成熟的应用案例。消费类电子产品应用是公司重要的发展领域,未来,唯创知音将在更多行业推出标准化语音芯片,进一步提升工程师的设计体验,为消费类电子行业标准化赋能。
上一篇:激光干涉中周期性非线性误差的思考