全球最实用的IT互联网信息网站!

AI人工智能P2P分享&下载搜索网页发布信息网站地图

当前位置:诺佳网 > 电子/半导体 > RF/无线技术 >

ADL5336ACPZ-R7可变增益放大器

时间:2022-04-18 10:56

人气:

作者:admin

标签: 放大器 

导读:ADL5336采用5 V电源供电,典型电源电流为80 mA,禁用时的功耗为4 mA。它采用先进的硅-锗BiCMOS工艺制造,提供32引脚、裸露焊盘LFCSP封装,额定温度范围为−40°C至+85°C。...

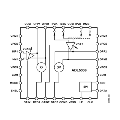
ADL5336包括一对可变增益放大器(VGA),设计用于级联中频应用。放大器具有线性dB增益控制,在低频至1 GHz范围内工作。得益于ADI公司用于实现高性能可变增益控制的创新技术——已获专利的X-AMP®架构,该器件在整个控制范围内具有出色的增益性能,并且在整个频率范围内具有出色的平坦度。
各VGA具有24 dB的增益控制范围,其最大增益可以在6 dB范围内通过SPI独立编程。VGA可以级联,以提供48 dB的总增益范围。当通过1:4巴伦连接到50 Ω信号源时,增益会提高6 dB。第二VGA具有一个SPI可编程输入开关,用于从两路外部输入中选择其一。

从一个200 Ω信号源或从一个50 Ω信号源通过1:4巴伦驱动时,复合放大器的噪声系数(NF)在最大增益时为6.8 dB。各VGA的输出可以将100 Ω负载驱动到5 V p-p最大值。

各VGA具有独立的方波检波器,用于实现自主的自动增益控制(AGC)。各检波器设定点可以在−24 dBV至−3 dBV范围内,以3 dB步长通过SPI独立编程。当两个VGA均处于AGC模式并且具有相同的设定点时,如果从最大增益倒退18 dB,则复合噪声系数(NF)提高到9 dB。

ADL5336采用5 V电源供电,典型电源电流为80 mA,禁用时的功耗为4 mA。它采用先进的硅-锗BiCMOS工艺制造,提供32引脚、裸露焊盘LFCSP封装,额定温度范围为−40°C至+85°C。

pYYBAGJbeziAI_CiAAEO8GDq0sk171.pngADL5336ACPZ-R7


一对集成RMS AGC检波器的VGA
VGA和AGC工作模式
连续增益控制范围: 48 dB
噪声系数(NF):6.8 dB(最大增益时)
IMD3 > 62 dBc(1.0 V p-p复合输出)
差分输入和输出
VGA2支持多路复用输入
可编程检波器AGC设定点
可编程VGA最大增益
关断特性
5 V单电源供电


应用

点对多点无线电
仪器仪表
医疗

ADL5206ACPZ ADL5243ACPZ-R7
ADL6316ACCZ ADL5336
ADL6317ACCZ HMC960
ADL5335ACPZN HMC680
HMC625B AD8432ACPZ-R7
ADL5205 LT5554IUH#PBF
ADA8282WBCPZ AD8260ACPZ-R7
HMC8120 AD8372ACPZ-R7
HMC8121 AD8375ACPZ-R7
ADA4961ACPZN-R7 AD8376ACPZ-R7
HMC627A HMC628
HMC681A LT5524EFE#PBF
HMC742A LT5514EFE#PBF
ADL5201 AD8370AREZ
ADL5202 AD8369ARUZ
ADL5240ACPZ-R7

温馨提示:以上内容整理于网络,仅供参考,如果对您有帮助,留下您的阅读感言吧!
相关阅读
本类排行
相关标签
本类推荐

CPU | 内存 | 硬盘 | 显卡 | 显示器 | 主板 | 电源 | 键鼠 | 网站地图

Copyright © 2025-2035 诺佳网 版权所有 备案号:赣ICP备2025066733号
本站资料均来源互联网收集整理,作品版权归作者所有,如果侵犯了您的版权,请跟我们联系。

关注微信