全球最实用的IT互联网信息网站!

AI人工智能P2P分享&下载搜索网页发布信息网站地图

当前位置:诺佳网 > 电子/半导体 > RF/无线技术 >

HMC996LP4E可变增益放大器

时间:2022-04-18 10:55

人气:

作者:admin

标签: 放大器 

导读:HMC996LP4E是一款GaAs PHEMT MMIC模拟可变增益放大器和/或驱动器放大器,工作频率范围为5至12 GHz。...

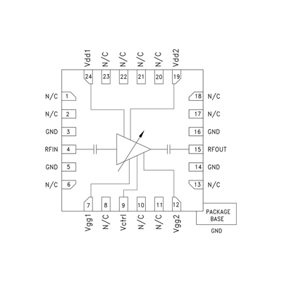
HMC996LP4E是一款GaAs PHEMT MMIC模拟可变增益放大器和/或驱动器放大器,工作频率范围为5至12 GHz。 该放大器提供高达18.5 dB增益、高达+23 dBm P1dB以及高达+34 dBm输出IP3(最大增益),采用+5V电源供电时功耗仅为170 mA,非常适合微波无线电应用。 另外还提供增益控制电压引脚(Vctrl),支持高达22 dB可变增益控制。 出色的增益平坦度使得HMC996LP4E适合于EW、ECM和雷达应用。 HMC996LP4E采用符合RoHS标准的4 x 4 mm QFN无引脚封装,兼容大规模表贴制造技术。

poYBAGJbfjeAWlfnAADMePessd0320.pngHMC996LP4E


宽增益控制范围: 22 dB
单控制电压: -1至-4.5V
最大增益下的输出IP3:
+34 dBm
输出P1dB: +22 dBm
无需外部匹配
24引脚4x4 mm SMT封装: 16 mm²


应用

点对点无线电
点对多点无线电
EW与ECM子系统
X频段雷达
测试设备和传感器

ADRF6521ACPZ AD8368ACPZ-REEL7
ADL5246ACPZN-R7 AD8337BCPZ-REEL
AD8338ACPZ-R7 ADL5330ACPZ-REEL7
AD8367S AD8335ACPZ
HMC6187 AD8331ARQZ
HMC996 AD8351ACPZ-R7
HMC997 AD8330ACPZ-R7
AD8264ACPZ AD8332ACPZ-R7
ADL5331ACPZ-R7 AD8367ARUZ
LTC6412CUF#PBF AD604ARZ
HMC694-Die AD605ARZ
HMC694LP4 AD603ARZ
AD8336ACPZ-R7 AD600JRZ
AD8334ACPZ AD602JRZ

温馨提示:以上内容整理于网络,仅供参考,如果对您有帮助,留下您的阅读感言吧!
相关阅读
本类排行
相关标签
本类推荐

CPU | 内存 | 硬盘 | 显卡 | 显示器 | 主板 | 电源 | 键鼠 | 网站地图

Copyright © 2025-2035 诺佳网 版权所有 备案号:赣ICP备2025066733号
本站资料均来源互联网收集整理,作品版权归作者所有,如果侵犯了您的版权,请跟我们联系。

关注微信