时间:2023-01-30 10:51
人气:
作者:admin
作者:John Cowles 和 Barrie Gilbert
电子电路分为两大类 - 处理和转换信号的电路和测量信号的电路。它们的功能通常是组合的,例如接收器的IF部分 - 处理信号(通过放大和解调),并提供接收信号强度的指示(RSSI功能),一种缓慢变化的电压,可以显示和/或用于自动控制增益和频率等变量(AGC和AFC)。
测量RF信号强度的电路(其基本指标是功率)通常称为检波器,但只有热电堆(辐射热计)直接测量该量。集成电路检波器总是对待测信号的电压样本进行操作。此类电路按其提供的信号转换类型进行分类。1976年,ADI公司提供了首款用于中等频率的单片“真有效值”检波器。现在,该产品线包括AD8361等器件,这些器件已将此功能扩展到微波域。准确确定信号功率,与其波形无关(另有说明,其概率密度函数)在CDMA等现代通信系统中非常重要。与热探测器不同,这些真均方根探测器使用模拟计算直接实现相关方程 - 千兆赫兹频率。
另一种有价值的RF检波器(也使用计算)是解调对数放大器。顾名思义,它放大信号,允许此类设备测量小信号,并将交变射频波形解调为缓慢变化的“准直流”输出。然而,与均方根检波器不同,均方根检波器的输出与输入电压的均方根值成正比,对数检波器提供的输出与信号电平的分贝值成比例,以固定电压为基准,V国际(定义如下)。输出(通常是电压)可以用电压或功率来解释,只需对称为“斜率”的缩放参数使用不同的值即可。
对于RF对数放大器,有必要对所有信号和缩放参数使用电压指标。为了定义输入电平,我们将使用dBV(这里的意思是相对于1 V rms的分贝),而不是“功率”,单位为dBm(相对于1 mW的分贝)。这是明确的,与输入接口的阻抗选择无关,适用于IC检测器。例如,0 dBV 对应于 2.83V 峰峰值幅度的正弦波;同样,–60 dBV是指2.83 mV p-p正弦波。
这些RF对数检波器的操作符合如下功能:
VOUT = VSLP log(VSIG/VINT) (1)
如果选择以 10 为底的对数 [log10(10) = 1 十进制],考虑到分贝,斜率电压,VSLP,可以在电压比的对数比例中以“伏特/十倍频程”来查看。由于十年内有 20 分贝,因此相应的“伏特/分贝”只是该电压的二十分之一。因此,对于VSLP400 mV/十倍频程的斜率也可以表示为20 mV/dB。第二个缩放参数,称为“截距”,V国际,是 log 参数为单位的输入电压。在此电压下,与基极选择无关,输出将为零,因为log(1) = 0。实际上,RF对数放大器的有限可用增益、噪声的存在以及其他实际限制导致其值V国际这是一个外推值,通常只有几微伏,由设计固定。
那么就出现了一个问题,即对什么的精确解释V国际代表。这个数量是“伏特直流”,还是“伏特有效值”?还是其他指标,例如简单的平均值或峰值?对于从一个水平到另一个水平的比率测量,值V国际不重要。但是,如果需要确定绝对水平V特别兴趣小组,测量精度直接取决于V国际就像DVM中的参考电压一样。
对使用该技术的射频对数放大器的仔细研究1被称为“渐进式压缩”,显示了经典对数放大器实践中没有遇到的另一种效果,即有效值V国际强烈依赖于输入信号的波形。出于这个原因,我们选择定义V国际对于正弦输入,然后为各种其他波形提供转换因子。
实际上,未修整的生产IC中的VINT控制无法像精密RF公制中经常需要的那样精确。激光调整首先用于AD640/641的RF对数放大器,最近用于AD8306等产品,可以在校准期间使用正弦波输入提供非常精确的校准。然而,虽然对已知波形使用适当的转换因子可以保持良好的精度,但仍然存在波形依赖性的基本问题。这在波形未知且变化迅速的当代系统中提出了一个问题。
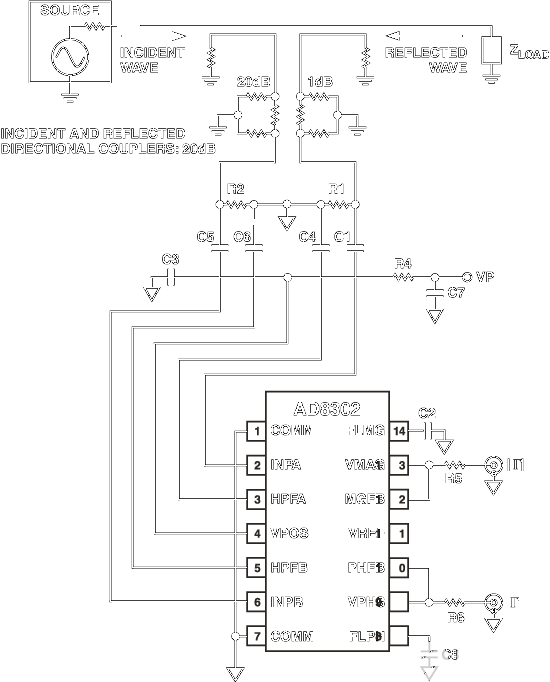
测量 2.5 GHz 的信号比
在AD8302中,通过使用两个相同的对数放大器以单芯片形式集成,解决了这个问题,如图1所示。每个通道都能够测量 60 dB 范围内的信号,从极低频率到 2.5 GHz。幅度(“增益”)输出的定义函数为
VMAG = VSLP log (VA/VB) + VCP (2)
其中VA和VB是两个独立的信号,应用于AD8302的两个相同输入端口,以及V正中电是中心点,定义为输出的值,V马格,电平差为 0 dB。(VSLP和V正中电是设计选择,考虑到易用性;两者都可溯源至带隙基准电压源)。

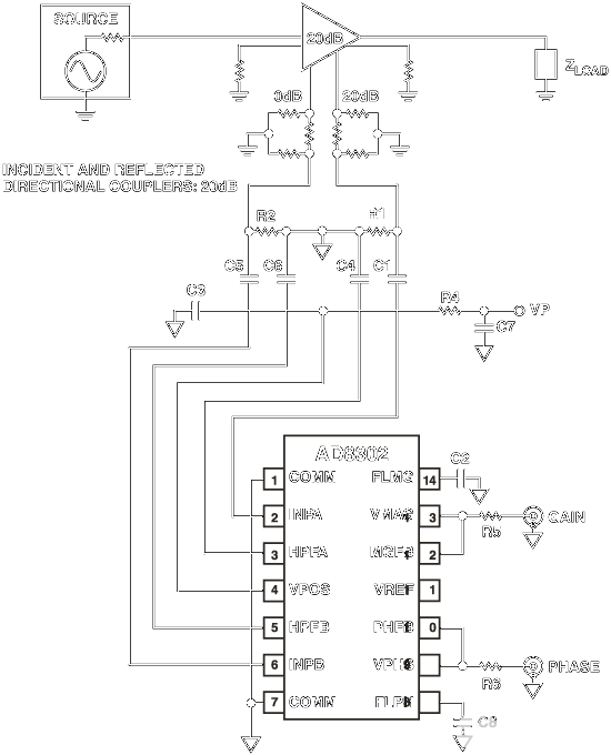
图1.AD8302包括一对精确匹配的对数放大器和一个高频鉴相器。
在AD8302中,通过取两个独立对数放大器输出的差值,可以消除公式1的常规固定截距。此关键步骤计算比率 (V一个/VB)*(V国际/V国际塔);而且,由于对数放大器相同,因此第二项非常精确地统一,与温度、电源电压和众多生产差异无关。
在许多应用中,这种优雅的固定截点消除可实现高度精确的信号电平测量。现在,对数参数准确性的主要限制是两个协集成通道的匹配。这种新颖的结构2开辟了许多测量可能性,否则需要使用两个不同的对数放大器,因为它们在斜率和截距校准方面存在固有差异。AD8302是首款允许直接测量交流信号比的IC。这种在很宽的频率范围内测量增益/损耗和两个信号端口之间的相对相位(见下文)的独特功能将在许多其他应用中具有价值。
图2显示了在900 MHz至2.2 GHz频率范围内输出电压变化与信号比(例如,可能对应于被监控通道的增益或损耗)的函数关系。呈现给通道B的信号电平是固定的,而通道A的信号电平相对于通道B在–30 dB至+30 dB之间变化。输出,V马格,演示精确的斜率,VSLP, 20 mV/dB 和一个中心点,V正中电,为 900 mV。与理想对数定律(图2b)的极小偏差证明了使用协积分对数放大器的价值。

(a) 显示错误

(b) 小于 0.2 dB 直至高频
图 2。信号电平比的测量
测量 2.5 GHz 的相对相位
AD8302还可以测量两个信号之间的相位差,范围为低频至2.5 GHz。每个单独的对数放大器在其最后阶段产生一个“硬限制”输出。这些信号被施加到一种新型乘法器式鉴相器的两个输入端,该鉴相器在两个输入端和180°范围内具有精确的对称性。相位输出,V小 灵通,由下式给出,
V小 灵通= ±VF(F – 90°) + V正中电 (3)
哪里VF是相位输出的缩放电压,(F是两个输入之间的相位差。符号的选择取决于哪个象限构成 180° 相位间隔。集成此功能后,AD8302将成为“片上网络分析仪”。
图3显示了900 MHz、1.9 GHz和2.2 GHz下的相位测量。在这里,相位差作为“滑移”产生,通过稍微偏移两个输入频率并允许角度累积。斜率V小 灵通输出为 10 mV/度,以V正中电900 mV。当相位滑过 180° 间隔时,斜率的交替符号很明显。图3b显示了测量误差。0°和180°附近的误差迅速增加主要是由于硬限制信号的有限上升和下降时间引起的死区。AD8302能够精确测量这些频率下的相位,这是其两个紧密集成的对数放大器实现出色平衡的结果。

(a) 表现出低误差

(b) 在宽角度范围内和高达高频
图 3。相位测量
使用AD8302
这些用于测量增益/损耗和两个信号端口之间相对相位的新功能在许多RF和IF应用中具有价值。这种“片上网络分析仪”的功能、多功能性和紧凑的外形非常适合原位诊断和系统参数监控,以及子系统的反馈和前馈线性化和控制。以下是AD8302的一些应用。
现在可以使用已知的交流基准电压源测量绝对信号电平。如图4所示,施加到通道B的参考信号产生有效的值截距VB.当两个信号具有相似的波形时,测量可以非常准确。如果能够确保两个输入的幅度接近相等,即使是斜率电压不确定性引起的误差也可以最小化(原则上消除)。这通常是一个简单的安排问题,在较大的信号上使用衰减器垫来定位比率V一个/VB接近团结。当需要最高精度或必须处理非常大的动态范围时,定心技术非常有用。

图4.使用通道B上的交流参考作为通道A的截距进行信号电平的绝对测量。
AD8302最有用的应用是监控和报告功能模块或子系统的增益或损耗。在图5所示的示例中,监控标称增益为20 dB的500 MHz IF放大器的输入和输出信号样本。通过使用衰减器和耦合器,两个信号被调理为具有相同的一般幅度。增益响应显示中间电平低频值,对应于放大器处的20 dB电平差和约500 MHz的3 dB带宽。此示例中的功能块可以是频率转换设备,例如混频器。在这种情况下,两个输入将处于不同的频率,测得的数量将是转换增益。由于波形保持相似,因此再次消除了误差源。但是,当输入频率差异很大时,由于阻抗匹配的不等式以及两个对数放大器在千兆赫兹区域中缩放的频率依赖性,可能会出现系统失调。


图5.AD8302监测被测放大器的频率响应并报告增益。
在许多通信系统中,外部接口端口存在不可预测的负载。这种负载的变化可能导致系统性能的变化,甚至在极端情况下会导致灾难性的故障。提供监测负载阻抗(或RF中的反射系数)而不扰动负载阻抗的方法具有重要价值。在图6中,AD8302配置为测量任意负载的反射系数,在本例中,该负载是一个PIN二极管,其偏置被扫描以改变其阻抗。响应曲线中的陷波表示与50欧姆特性线路阻抗的近似匹配,其中反射信号几乎为零。


图6.AD8302监控负载的反射系数,负载是PIN二极管,其阻抗由其偏置控制。
多功能性和易用性
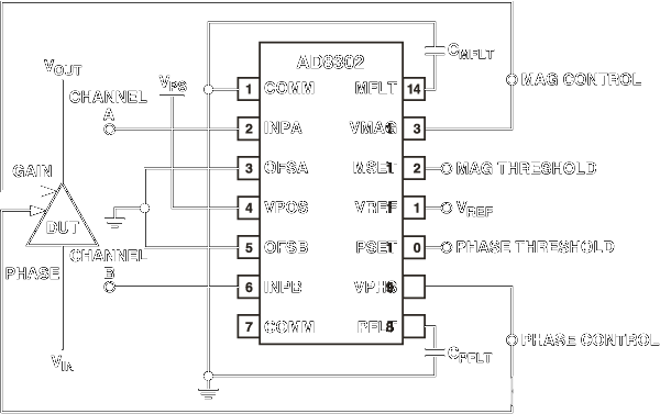
AD8302还提供其他几种工作模式,这是精心规划的结果,也是这种不同寻常结构的基本通用特性。前面的示例演示了AD8302的典型测量模式,其中V马格和V小 灵通输出报告其输入之间的信号电平和相位差。但是,传递函数的内置缩放和中心点可以使用外部电阻和VREF引脚上提供的1.80 V内部基准电压源进行调整。
通过将输出引脚与反馈引脚MSET和PSET断开,可以实现增益和相位比较器,如图7所示。在这里,V马格和V小 灵通输出在0 V和最大输出电压1.8 V之间切换,具体取决于信号电平和相位差是大于还是小于提供给MSET和PSET引脚的阈值。

图7.AD8302配置为增益和相位比较器,具有可控阈值。
在控制器模式下,如图8所示,VMAG和VPHS引脚驱动被监控信号链中包含的增益/相位调节器,以便将系统的整体增益和相位伺服到提供给MSET和PSET引脚的所需设定点。

图8.AD8302 在控制环路中,将DUT的增益和相位驱动到规定的设定点。
AD8302的输入频率范围很宽,从任意低频(甚至音频)到2.5 GHz不等。对数放大器的宽动态范围不仅可以适应相对信号电平的较大变化,还可以适应绝对电平的变化。代表幅度和相位差的输出量的最大小信号包络带宽为30 MHz;这可以通过添加外部滤波电容来减少。
AD8302首次采用先进的双极性工艺,以单芯片形式提供这种强大的计算功能。出色的对数放大器匹配、高频能力以及增益和相位测量的精确缩放,所有这些都在小尺寸中,为以非侵入式方式对RF和IF系统进行原位监测和控制开辟了新的机会。电源电压范围为 2.7V 至 5.5V 电源电压,电流仅为 20mA。该产品采用 14 引脚 TSSOP 封装。
审核编辑:郭婷