时间:2023-02-24 14:23
人气:
作者:admin
本应用笔记介绍了硅锗如何增强RF应用中的IC性能。贾科莱托模型用于分析噪声效应。SiGe技术的更宽增益带宽表明可提供更低的噪声性能。探讨了SiGe对线性度的影响。
对于蜂窝手机和其他数字便携式无线通信设备,三个参数越来越重要。低功耗和轻质电池为器件提供了自主性,更高的前端灵敏度增加了接收距离,更大的前端线性度对允许的动态范围有直接影响。随着非恒定能量调制方案(如 π/4DQPSK和 8QAM)的出现,最后一个参数越来越受到重视。
硅锗(SiGe)是最新的创新,可同时改善接收器的功耗、灵敏度和动态范围。GST-3是一种基于硅锗(SiGe)的新型高速IC工艺技术,其特征是过渡图(fT) 的 35GHz。典型的前端框图(图1)显示了硅锗技术(1.9GHz)对组合混频器和低噪声放大器(LNA)可能实现的性能。

图1.典型的无线电输入电路包括一个低噪声放大器和混频器。
噪声性能
下变频链路中噪声系数的主要贡献是LNA的第一个晶体管输入级产生的噪声。噪声系数(NF)是网络的品质因数,用于将实际网络中的噪声与理想无噪声网络中的噪声进行比较。功率增益 (G) 等于 G = P 的放大器或其他网络的噪声因数 (F)外/P在可以表示为:

NF 是网络输入端口和输出端口之间信噪比 (SNR) 下降的量度,通常以 dB 表示:NF = 10log10F.因此,
| F | = 输入信噪比/输出信噪比 |
| = (P IN /N IN )/(P OUT /N OUT ) | |
| = N OUT /(N IN . G) |
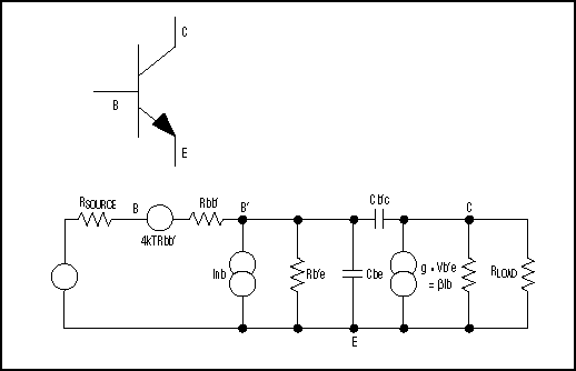
我们关注的是热噪声(也称为约翰逊噪声或白噪声)和散粒噪声(也称为肖特基噪声)。双极晶体管的详细高频等效模型(Giacoleto模型—见图2)有助于理解这种噪声是如何产生的。该模型还展示了SiGe技术如何帮助降低LNA的前端噪声系数。

图2.这个详细的npn晶体管模型(Giacoleto模型)简化了频率效应的分析。
硅锗热噪声和散粒噪声
在温度高于绝对零度(0°K)的导电介质中,电荷载流子的随机运动会产生随机噪声产生的电压和电流。导体温度升高会增加这些随机运动的电荷载流子速度,从而增加噪声电压。晶体管中寄生基极电阻(Rbb')产生的热噪声为Vn(f)= 4kTRbb',其中Vn(f)等于电压频谱噪声密度,单位为V²/Hz×。-23焦耳/开尔文),T是以开尔文(°C + 273°)为单位的绝对温度。
散粒噪声是电荷载流子颗粒状性质的结果。半导体中的直流电流通常被认为是每个时刻恒定的,但任何电流都由单个电子和空穴组成。只有这些电荷载流子的时间平均流显示为恒定电流。电荷载流子数量的任何波动都会在该时刻产生随机电流,这称为散粒噪声。
基极电流中散粒噪声的频谱噪声密度为 Inb(f) = 2qIb = 2qIc/β ,其中 Inb 是以 I²/Hz 为单位的电流频谱噪声密度,Ib 是基极直流偏置电流,q 是一个电子电荷 (1.6×10-19库仑),β是晶体管的直流电流增益。因此,晶体管输入级产生的总噪声频谱密度是热噪声和散粒噪声的总和:
γn = 4kTRbb´ + RSOURCE 2qIc/β
Analog 的新 SiGe 工艺 GST-3 是通过在晶体管基极中掺杂锗来创建 GST-2(一种过渡频率为 27GHz 的双极工艺)的扩展。结果是Rbb'的重要降低和晶体管β的显着增加。这两种变化的综合效应是SiGe晶体管的噪声系数更好(与具有相似集电极电流的硅晶体管相比)。通常,晶体管噪声系数表示为:

因为 R源= Vn(f)/Inb(f) 给出了硅双极和硅锗技术的最小噪声系数,SiGe 工艺的全部优势可以通过设计源阻抗接近该值的 LNA 来获得。
无线设计的另一个重要方面是噪声系数随频率的降额。典型晶体管的功率增益类似于图3中的上曲线。考虑到图2所示的等效晶体管电路,这条曲线并不奇怪。实际上,该模型是一个RC低通滤波器,其增益在每倍频程6dB时下降。共发射极电流增益(β)为单位(0dB)的最大理论频率称为转换频率(fT).LNA的增益(G)直接取决于β,因此降额噪声系数[F = N外/(N在G)] 从增益的滚降开始。

图3.硅锗(SiGe)双极晶体管具有高增益和低噪声。
要了解GST-3 SiGe工艺如何改善高频下的噪声系数,请考虑将锗添加到晶体管的p硅基极中可将基极上的带隙降低80mV至100mV,从而在发射极和集电极结之间产生强电场。通过将电子从基座快速扫入集电极,该电场减少了传输时间(tb)需要承运人穿越狭窄的基地。如果所有其他因子保持不变,则减少了b使 F 增加约 30%T.
对于相同面积的晶体管,硅锗器件实现了给定的 fT具有 GST-2 设备所需电流的一半到三分之一。更高的fT降低高频噪声,因为β滚降发生在更高的频率下。
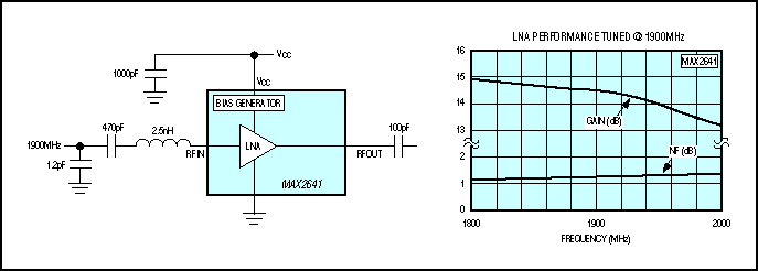
超低噪声SiGe放大器(MAX2641)
硅锗MAX2641优于硅双极LNA,后者的NF在接近2GHz限值时会下降(即,1GHz时为5.1dB,2GHz时为5.2dB)。SiGe器件中的高反向隔离还允许在不影响输出匹配的情况下调谐输入匹配网络,反之亦然。
硅锗MAX2641针对1400MHz至2500MHz工作范围进行了优化,典型性能包括14.4dB增益、-4dBm输入IP3(IIP3)、30dB反向隔离和1MHz时的3.1900dB噪声系数(图4)。该器件采用6引脚SOT23封装,采用+2.7V至+5.5V单电源供电,吸收3.5mA电流,内部偏置。通常只需要一个双元件输入匹配、输入和输出阻断电容以及一个 V抄送旁路电容器。

图4.请注意该硅锗集成电路低噪声放大器的极低噪声系数。
线性
除了噪声和有限带宽外,通信系统还受到信号失真的限制。系统的有用性取决于其动态范围(即它可以高质量处理的信号范围)。动态范围由噪声系数决定,噪声系数的下限由灵敏度级别定义,上限由可接受的最大信号失真水平定义。实现最佳动态范围需要在功耗、输出信号失真和输入信号电平与噪声之间做出权衡。
典型的接收器框图(图1)显示了噪声系数和线性度对LNA和混频器的相对重要性。由于LNA输入直接由来自天线的极低电平信号提供,因此其NF是主要参数。对于由LNA输出的放大信号馈送的混频器,线性度是主要参数。
输出从来都不是输入信号的精确复制品,因为没有晶体管是完全线性的。输出信号始终包括谐波、互调失真(IMD)和其他杂散分量。在图5中,第二项的P外方程称为二次谐波或二阶失真,第三项称为三次谐波或三阶失真。两者的特点是用一个音调或两个频率紧密间隔的纯正弦音组成的信号驱动器件输入。例如,MAX2681的三阶交调失真的特点是-25dBm信号由1950MHz和1951MHz的音调组成。

图5.双音测试表征谐波和互调失真。
P的图形频域表示外公式显示输出由基频ω1和 ω2, 二次谐波 2Ω1和 2Ω2, 三次谐波 3Ω1和 3Ω2、二阶互调产物IM2和三阶互调产物IM3。图5还显示,在蜂窝手机和其他具有窄带工作频率(即几十兆赫兹,小于一个倍频程)的系统中,只有IM3杂散信号(2ω1- ω2) 和 (2Ω2- ω1) 落在滤波器通带内。结果可能是与ω相关的所需信号失真1和 ω2.
在 P外低输出功率水平的公式,系数K1A与输入信号幅度成正比,K2A²与平方成正比,K3A3与输入幅度的立方成正比。因此,每个对数刻度上的图是一条直线,其斜率对应于响应的顺序。
二阶和三阶截距点通常用作品质因数。截点越高,设备越能放大大信号。在较高的功率电平下,输出响应被压缩,因此偏离基波响应。该偏差点(图6a)定义为1dB压缩点,位于输出信号压缩1dB(G1分贝= G - 1dB),相对于曲线线性部分的外推。
来自MAX2681数据资料,P外与 1900MHz 以上的频率相比,相对于 IM56,显示出 -3dBc 的无杂散动态范围 (SFDR)(图 6b)。典型的操作条件是PRF在= -25dBm,IIP3 = 0.5dBm,转换增益 = 8.4dB。LO-IF泄漏和其他杂散伪影可以通过窄带IF滤波器滤除,如图1所示。MAX2681 (SiGe双平衡下变频器)在典型值I条件下实现了这一性能。抄送电流仅为8.7mA。


图6.这款硅锗双平衡下变频器提供低 (0.5dBm) IIP3 电平 (a) 和 56dBc 动态范围 (b)。
另一种下变频混频器(MAX2680)提供不同的性能规格。该器件采用微型 6 引脚 SOT23 封装,由一个具有单端 RF、LO 和 IF 端口连接的双平衡吉尔伯特电池混频器组成。与MAX2681一样,它采用+2.7V至+5.5V单电源供电,接受400MHz至2500MHz的RF输入,下变频至10MHz至500MHz的IF输出。停机模式下的电源电流通常小于 0.1μA。LO输入是一个单端宽带端口,其典型输入VSWR(400MHz至2.5GHz)优于2.0:1。
前端输入灵敏度
为了评估使用MAX2641/MAX2681下变频器可实现的前端灵敏度,请考虑具有4MHz信号带宽的QPSK调制。为了简化计算,假设有一个完美的矩形输入滤波器。首先,必须增加一个3dB NF(AntNF),以抵消天线开关和前端无源滤波器引起的3dB插入损耗。接下来,添加后LNA滤波器以消除LNA产生的失真(IM3失真除外)。为此,考虑使用具有2dB衰减和NF的滤波器。在1900MHz时,后LNA滤波器噪声系数增加了MAX2681的11.1dB噪声系数:
总噪声系数 = 滤波器噪声系数 + 混频器噪声系数 = 2dB + 11.1dB =、13.1dB
LNA输入需要高噪声系数,因为它直接由来自天线的极低电平信号提供。混频器NF被LNA增益衰减:
总净值 = LNA NF + (1/GLNA)(NFTOTAL - 1) = 2.054;
NF总(dB) = 10log2.126 = 3.12dB。
带 QPSK 调制和 10-3BER,天线输入端所需的比特能量与噪声能量的最小比值为 Eb/No = 6.5dB。+25°C时的绝对本底噪声为AbsNfl = -174dBm = 10log(KT),其中T = +300°K和K = 1.38 × 10-23.滤波器带宽(以dB为单位)为FiltBwth = 10log(4MHz) = 66dB。在图1中,QPSK调制的前端灵敏度为10-3误码率估计为:
输入灵敏度 = AbsNfl + AntNF + FiltBwth + NF总+ eb/no= -174dBm + 3dB + 66dB + 3.12dB + 6.5dB = -95.38dBm。
结论
与纯双极性工艺相比,SiGe在频率超过1.0GHz时提供更低的噪声系数。它还提供更低的电源电流和更高的线性度。模拟已经展示了一种高线性度硅锗混频器,该混频器在3MHz时的典型IIP0为5.1900dBm,噪声系数为11.1dB(SSB),转换增益为8.4dB,同时仅消耗8.7mA的电源电流。硅锗的较高跃迁频率(fT) 支持通过 5GHz 的应用。
审核编辑:郭婷
下一篇:射频接收机的架构学习