时间:2022-11-05 11:00
人气:
作者:admin
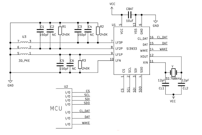
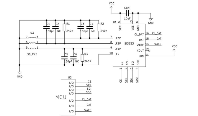
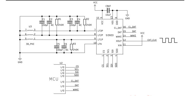
SI3933 的时钟生成器可以是晶体振荡器(R1<0>=1)、内部 RC 振荡器(R1<0>=0)或外部时钟源 (R1<0>=1)。晶体振荡器具有较高的频率精度和较高的电流消耗,并且需要三个外部元件(晶体和 两个电容器)。RC 振荡器是完全集成的,可以校准以提高其频率精度。假如外部已有一个数字时钟, 可以通过引脚 XOUT 直接使用它(此时 XIN 连接到 VCC)。 无论选择哪种时钟生成器,时钟生成器的频率必须根据载波频率来设置。
典型应用原理图:
1.采用晶振的典型应用原理图

2.采用 RC 振荡器的典型应用原理图

3.采用外部时钟源的典型应用原理图
上一篇:如何掌握天线设计?
下一篇:超详细的射频基础知识