时间:2022-09-07 15:03
人气:
作者:admin
射频,英文名Radio Frequency,简写RF,指的是射频电流,代表高频交流变化电磁波的振荡频率。频率以赫兹 (Hz) 为单位,等于每秒的振荡周期数 (1/s)。RF可以指高达300GHz或低至30 KHz的频率。
射频应用包括:
无线电广播;例如AM/FM收音机。
无线通信;例如5G、手机、WiFi、蓝牙。
射频遥控器;例如车库开门器、无人机。
遥感,例如天气或监视雷达。
卫星导航;如GPS、Galileo、Glonass、北斗卫星。
成像;例如用于机场安检的身体扫描仪
射频波可以有其它名称,例如微波(如“微波炉”)或毫米波。微波通常是指波长(λ)在1cm到10cm之间的无线电波,对应的频率(f)为30GHz到3GHz。毫米波通常是指波长(λ)在1mm到10mm之间的无线电波,对应的频率(f)为300GHz到30GHz。波长(λ)与频率(f)的关系表示为λ=c/f,其中λ以米为单位,c为光速(3×10^8m/s),f以Hz为单位,或 1/秒)。

什么是射频电路?
简单来说,射频电路(RF Circuit)就是指处理信号的电磁波长与电路(或元器件尺寸)处于同一数量级的电路。通常在3kHz至2.4GHz(3,000赫兹至24亿赫兹)频率范围内运行的模拟电路。一般情况下,常见的射频电路包括:
低噪声放大器 (LNA);用于放大远处的微弱信号,LNA决定无线电接收器的灵敏度。
功率放大器(PA);将无线电信号放大到高功率进行传输,PA确定发射机的覆盖范围。
本地振荡器 (LO);主要是为射频发射器和接收器提供本地载波频率。
混频器;混合两个信号,在发射机中,混频器是一个“上变频器”,它将低频模拟信号与LO信号混合以产生射频信号,而在接收器中,混频器是一个“下变频器”,它将射频信号与LO信号混合以产生低频模拟信号。
滤波器;主要是将信号能量限制在特定频段,它起到防止不同无线电信号相互干扰的作用。
开关;控制信号流路径。
收发器;由发射器和接收器组成。

其实,射频电路本质原理上是“模拟的”,具有连续的时间激励和响应。虽然射频电路以前是用真空管和分立晶体管制成的,但这些材料已在很大程度上被集成电路 (IC) 取代,除少数高功率应用外。
所以,在不需要高功率的应用中,例如手机收发器、WiFi收发器、蓝牙收发器和卫星接收器,电路通常采用硅基IC的形式而成。
另外,还一种特殊类型的射频集成电路称为单片微波IC(MMIC;也称为微波单片IC)。这些电路通常在2至100GHz范围或微波频率下运行,用于雷达系统、卫星通信和蜂窝电话的功率放大器。
射频电路的设计步骤
射频电路设计通常涉及自上而下的设计和实施过程,然后是自下而上的验证过程。当然,这种整体方法有很多变化,不过主要的基本步骤如需:
为设计制定高级规范;包括它将执行哪些功能?关键规格是什么,例如LNA增益和噪声系数、PA输出功率、LO相位噪声和混频器转换增益。
使用晶体管、电感器和电容器等组件创建设备级电路描述;此步骤通常从代工厂PDK中的预定义设备库中提取。
使用电路仿真验证设计是否符合其所有规格;在此步骤中,将对制造过程和操作可变性进行建模,以确保设备设计在面对这些不确定性时保持稳健。
通过组装所有组件的预定义布局来实现设计的物理布局;需要注意的是,必须遵循放置规则以确保可制造性。
最后从布局中提取等效电路;寄生效应这时候应该出现在设计描述中,并且重新模拟设计以确保它在添加这些新效应后仍能按预期运行。
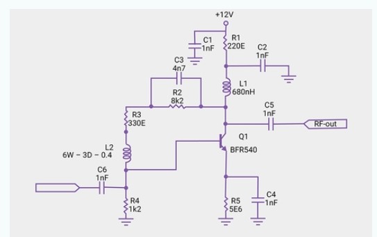
典型的简单射频电路如下图所示(仅供参考):

射频电路、模拟电路和数字电路区别差异
射频电路是一种特殊类型的模拟电路,它的工作频率很高,适用于无线传输。射频电路的一个显着特征是使用电感元件来调整谐振电路在特定无线电载波频率附近的操作。射频电路设计和低频模拟设计之间的主要区别在于对电路执行的分析类型。
在射频设计中,稳态操作是首要关注的问题。电路的行为通常在频域中建模,重点关注信号保真度、噪声、失真和干扰。在对射频载波上的调制信号进行建模时,混合时频域分析是最有效的,其中时域侧重于动态信号变化,频域侧重于射频载波及其谐波和互调产物。必须对制造和设计引起的射频电路可变性进行建模和补偿。
在模拟电路设计中,电路激励被视为随时间连续变化的信号。在无线通信的上下文中,模拟设计通常指的是“低频”或“基带”电路,而不是“RF”电路。在有线通信的上下文中,模拟设计通常是指模拟前端或高速模拟收发器电路。模拟电路的行为在时域和频域中建模,重点关注结果波形的保真度/精度、一致性和性能。必须对制造和设计引起的电路可变性进行建模和补偿。
此外,数字电路设计中,将电路激励视为一系列离散的逻辑“1”和逻辑“0”。随着时间的推移,逻辑“1”通常由IC的电源电压的存在表示,逻辑“0”由该电压的不存在表示(即,零伏)。数字电路中的设备必须将大部分时间花在逻辑“1”或逻辑“0”上。如果处理这些信号的电路对这些逻辑电平的响应是一致的,那么数字设计就可以很好地工作。模拟设计负责提供这些电路品质。这允许使用组合和顺序模型分析电路的行为,只考虑两个电压(“1”和“0”),这大大简化了设计和验证过程。
为了将射频电路、模拟电路和数字电路放在无线电系统中,模数转换器 (ADC) 充当模拟电路和数字电路之间的桥梁,混频器充当模拟电路和射频电路之间的桥梁,而天线充当射频电路和空气空间之间的接口。
下一篇:射频接收电路和射频发射电路