时间:2022-06-24 10:34
人气:
作者:admin
射频 (RF) 收发器是无线设计的内在组成部分,正在 5G 领域进行彻底改造。这主要是因为大规模 MIMO、波束成形和多频段通信等新技术对更高容量的需求导致了高度集成的无线电解决方案的创建。
然而,在单个设备中促进接收和发送路径的射频收发器必须在实际尺寸、重量、功耗和成本限制范围内提高集成度。这导致了射频架构的快速转变。
以下是 5G 时代射频收发器演进的主要亮点。首先是射频收发器如何转向更宽的带宽和更高的速度。
1. 更宽的信号带宽
5G 的出现是为了通过新的无线电技术(如 MIMO、波束成形和高密度天线阵列)有效地提供更高的容量。在这里,RF 收发器通过提供更宽的频率范围为这种无线发电机做出了贡献,为工程师提供了在宽频率范围内设计应用的灵活性。
以 Analog Devices Inc. 的ADRV9009射频收发器为例。它提供高达 200 MHz 的信号带宽——是上一代收发器芯片的两倍——以适应新兴 5G 无线网络对天线密度和扩展网络容量的要求基础设施设备。
RF 收发器可在 75 MHz 至 6 GHz 范围内进行调谐,以支持 2G、3G、4G 和 5G 无线网络,并且适用于所有频段和功率变体。它是一种基于时分双工 (TDD) 技术的单芯片解决方案,既适用于 5G 等宽带服务,也适用于军事通信和信号情报等窄带应用。
同样,MaxLinear 的四射频收发器针对有源天线系统 (AAS) 进行了优化,以促进大规模 MIMO 应用。MxL1500 收发器针对低功耗设计进行了优化,信号带宽高达 200 MHz,而 MxL1600 收发器提供高达 400 MHz 的信号带宽。
RF 收发器提供更宽的频率范围和更高的瞬时带宽的能力与高度集成的无线电解决方案交织在一起,这些解决方案可以吸收更多组件并缩小芯片尺寸。下一节将介绍射频收发器的集成方面。
2. 高度集成的解决方案
在 5G 时代,我们看到了从包含大量分立元件的特定频段设计向单芯片收发器解决方案的转变。这些单芯片设备正在采用创新的射频架构,将集成提升到一个全新的水平。
首先,这些单芯片收发器集成了主要的射频构建模块,例如 I/Q 调制器、压控振荡器 (VCO)、功率放大器 (PA)、低噪声放大器 (LNA)、可编程增益放大器 (PGA) ,和SPI控制接口。
接下来,MaxLinear 的MxL1500 和 MxL1600等 RF 收发器能够将四个发射器、四个接收器和最多两个反馈接收器封装在一个设备中。根据 MaxLinear 的说法,这可以将功耗降低多达 50%。
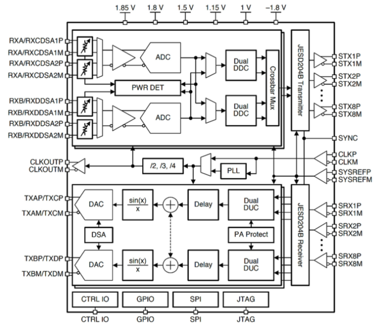
德州仪器 (TI) 的双通道和四通道射频采样收发器还提供了一个案例研究,说明现代射频收发器芯片的集成度如何提高。双通道AFE7422和四通道AFE7444收发器允许无线设计人员使用单个芯片支持多达 8 根天线和 16 个 RF 频段。
这些收发器使工程师能够直接将输入频率采样到 C 波段,而无需额外的频率转换级(图 2)。这反过来又消除了本地振荡器、混频器、放大器和滤波器。它还优化了收发器与天线的接近度,从而促进了高频和高密度天线阵列中的数字波束成形。

图 2:TI 的四通道 AFE7444 器件绕过额外的频率转换级这一事实导致高通道数系统的显着改进。
此外,TI 的射频采样收发器在单个芯片中集成了四个模数转换器 (ADC) 和四个数模转换器 (DAC),从而显着缩短了设计周期。结果,工程师最终花费的时间比他们在测试分立射频组件上花费的时间要少得多。
3. 令人难以置信的缩小射频收发器
RF 收发器中集成和小型化的影响越来越大,这带来了另一个关键的设计优势:消除了分立元件。高度集成的收发器无需外部 RF 分立,可降低总体成本、缩小尺寸并为电路板放置提供灵活性。
例如,与分立式射频采样数据转换器相比,TI 的射频采样收发器尺寸为 17 毫米 x 17 毫米,声称可节省 75% 的电路板空间。同样,ADI 的 ADRV9009 RF 收发器替换了 20 个组件,将功耗降低了一半,并将封装尺寸缩小了 60%。

图 3:ADI 的 ADRV9009 片上系统 (SoC) 无线电解决方案通过处理片上本地振荡器 (LO) 同步简化了数字波束成形设计,因此无需外部 LO。
ADRV9009 收发器芯片(图 3)集成了辅助功能,包括 ADC、DAC、用于功率放大器的通用输入/输出 (GPIO) 和射频前端控制。它还集成了合成器和数字信号处理 (DSP) 功能。
本文中概述的射频收发器芯片展示了这些半导体无线电解决方案如何在缩小物理尺寸的同时显着扩展功能。此外,这些单芯片解决方案还附带软件工具、参考设计以及评估和原型设计平台。
审核编辑:郭婷