时间:2022-07-05 17:32
人气:
作者:admin
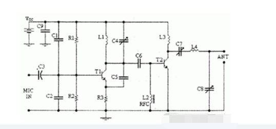
下图是调频发射功率高达4W的调频发射电路。该电路的供电电压为 12-16V,电流消耗为 100-400mA。该电路的发射频率范围为 88-108MHz。晶体管2N2219用作主信号放大器。
4 瓦 FM 发射器电路设计:

元件列表:
R1, R2 = 10K Ohm (1/4 W)
R3 = 47 Ohm (1/4 W)
C1, C2 = 1nF
C3 = 4,7uF/16V
C4, C7, C8 = 0~45pF 微调器
C5, C6 = 10pF
C9 = 100nF
T1,T2 = 2N2219
ANT = 简单偶极子 l/2。
MIC IN = 麦克风动态或其他类型。(它也可以连接到磁带播放器单元)
电感器 (L) 规格:
L1 = 4 匝,直径 7 毫米 *
L3 = 3 匝,直径 7 毫米 *
L4 = 5 匝,直径 7 毫米 *
L2 = RFC(电阻 1 MOhm,用细绝缘线缠绕足够线圈的电感器。最大电感器的划痕,您将最大程度地粘在电阻上,从而形成并联 Lr 电路。)
* 电感为同轴线75W或其他1mm左右的空气。
元件放置:

PCB布局:
