全球最实用的IT互联网信息网站!

AI人工智能P2P分享&下载搜索网页发布信息网站地图

当前位置:诺佳网 > 电子/半导体 > RF/无线技术 >

基于ESP32的Wi-Fi+ BLE模块(电路图+BOM表)

时间:2022-07-26 09:07

人气:

作者:admin

标签: Wi-Fi  ESP32  蓝牙  BLE 

导读:Wi-Fi+BLE双模是智能设备的首选连接模式,能大幅度解决2.4G5G环境下的配网问题,兼容性更高,速度更快,可在不增加成本的前提下大幅提高产品性能和体验。例如,采用ESP32的2.4GHz“Wi...

Wi-Fi+BLE双模是智能设备的首选连接模式,能大幅度解决2.4G&5G环境下的配网问题,兼容性更高,速度更快,可在不增加成本的前提下大幅提高产品性能和体验。例如,采用ESP32的2.4GHz“Wi-Fi + 蓝牙”单芯片方案,具有精细的时钟门控、省电模式和动态电压调整,典型应用场景包括:IoT传感器Hub、IoT数据记录器、智能照明、智能门锁、照明控制、工业机器人、网络广播、健康监测、服务机器人等。

方案特点

作为高度集成的“Wi-Fi+ 蓝牙”解决方案,ESP32集成了天线开关、射频Balun、功率放大器、低噪声放大器滤波器以及电源管理模块,外部元器件只需大约20个,极大减少了印刷电路板(PCB)的面积。

poYBAGLfPWOACeVDAAhayFh2Kfg555.pngESP32-DevKitM-1开发板

WiFi方面,ESP32支持802.11 b/g/n, 802.11 n(2.4 GHz)速度高达150Mbps。

蓝牙方面,ESP32包含蓝牙v4.2完整标准,包含传统蓝牙(BR/EDR) 和低功耗蓝牙(BLE),支持标准Class-1、Class-2和Class-3,且无需外部功率放大器,输出功率高达+9dBm。

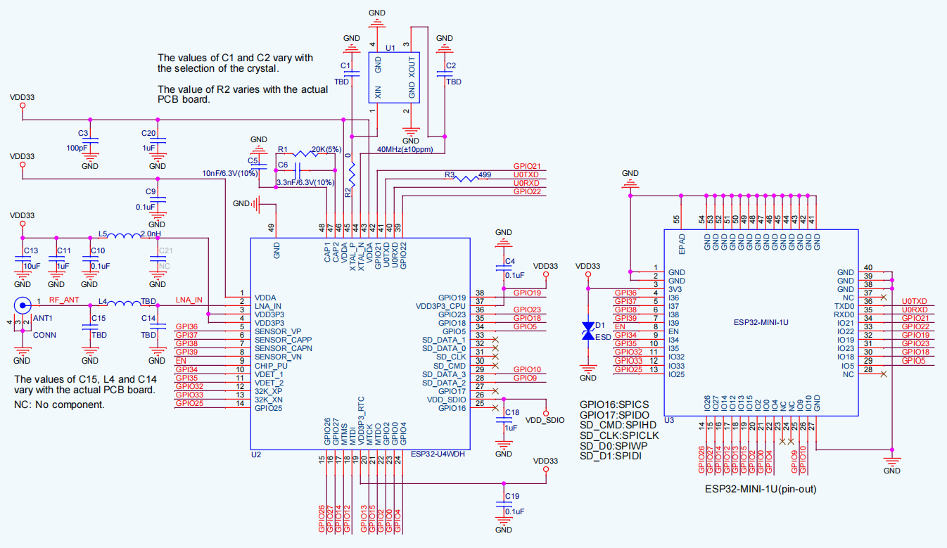
pYYBAGLfPXeAa2EOAAL91csKm2s978.pngESP32-DevKitM-1开发板电路图

在低功耗IoT传感器Hub应用场景中,ESP32只有在特定条件下才会被周期性地唤醒。低占空比可以极大降低ESP32芯片的能耗。射频功率放大器的输出功率也可调节,以实现通信距离、数据率和功耗之间的最佳平衡。

芯齐齐BOM分析

芯齐齐BOM分析工具显示,ESP32-DevKitM-1集成了ESP32-MINI-1U芯片,设有重置按钮和固件下载模式激活按钮,USB转串口编程接口同时可用作开发板的供电电源或PC和ESP32芯片的通信接口,单芯片USB至UART桥接器可提供高达3Mbps的传输速率。

poYBAGLfPY-AbGyQAADNQrksxiE950.pngESP32-DevKitM-1开发板BOM

BOM表中U1为40MHz石英晶体谐振器,频差±10ppm,负载电容15pF。因此,对应的匹配电容C1、C2应选择17pF左右NP0介质MLCC,PCB布线要接近xal_N和xal_P引脚。另外,PCB应选择RF性能良好的无卤板子,尺寸为13.2x13.5x0.8mm。

温馨提示:以上内容整理于网络,仅供参考,如果对您有帮助,留下您的阅读感言吧!
相关阅读
本类排行
相关标签
本类推荐

CPU | 内存 | 硬盘 | 显卡 | 显示器 | 主板 | 电源 | 键鼠 | 网站地图

Copyright © 2025-2035 诺佳网 版权所有 备案号:赣ICP备2025066733号
本站资料均来源互联网收集整理,作品版权归作者所有,如果侵犯了您的版权,请跟我们联系。

关注微信