时间:2022-07-28 11:58
人气:
作者:admin
我们要“收听”的频段位于 0 到 22 kHz 之间的频率。从下表可以看出,这些是非常低的频率,对应于人类可以听到的音频频率,但也涉及电磁波的发射。如果在这些频率上生成信号非常简单,那么构建调谐天线就不是那么容易了,因为相应的波长等于数百和数千公里。例如,调谐到 1,500 Hz 频率的半波偶极子应具有约 50 km 的范围。这是不可能发生的事情。在这些低频上,市场上没有令人满意的接收器,因此必须非常小心地准备天线。我们计算机的声卡就像一个很棒的接收器,但必须连接到合适的天线。除了声卡之外,还需要一个软件来查看、记录和分析接收到的信号。VLF 频段仅占整个无线电频谱的一小部分。即使使用低成本的紧急车辆,它肯定会带来很大的满足感。动物和人类可能也能够接收到这种类型的一些信号,我们的大脑可能对 ULF 波段更敏感。
| 乐队 | 频率 |
| 精灵 | 3赫兹至30赫兹 |
| SLF | 30 赫兹至 300 赫兹 |
| 超低频 | 300 Hz 至 3 kHz |
| 甚低频 | 3 kHz 至 30 kHz |
| 如果 | 30 kHz 至 300 kHz |
听还是读?
在这些低频段,扬声器或耳机听不到信号,或者更确切地说,可能会发出声音,但这不是主要活动,就像其他频率的情况一样。相反,各种发射通过解码和适当解释频谱图来“收听”(参见图 1)。分析频谱的软件或硬件在我们的耳朵里工作,是分析和记录该频段信号的主要手段。从时域记录可以看出,X 轴代表经过的秒数,Y 轴代表记录信号的频率。图表(Z 轴)的不同颜色或强度描述了它的力量。

图 1:0 至 24 kHz 频带中的典型单色频谱图
今天,接收低频无线电信号非常容易,不需要昂贵的接收器。拥有一台配备声卡和软件的个人计算机就足以对观察到的频段进行分析。在这些频率的频谱图中,可以观察到各种自然和人类信号。后者始终是编码和数字的,因此它们的解释通常很复杂。0 到 22KHz 频段仍然是一个神秘且探索不足的领域。在其中,有地球产生的任何类型的外部和内部自然信号,也有各种人类站发射的脉冲。不幸的是,主频率(50 赫兹或 60 赫兹)在频谱图中非常存在,并且通常构成一个需要克服的小障碍,由于产生的干扰和产生的噪音。正是由于这个原因,在远离居住中心的开阔乡村进行研究是有用的,那里的电气干扰强度较小。在获得一些经验之后,创建一个丰富的 WAV 格式接收信号数据库非常有用,同时还标记了录制发生的日期和无线电频率。例如,可以将音频材料存储在 CD-ROM 或 DVD 上以进行长期存档。还标记了录音发生的日期和无线电频率。例如,可以将音频材料存储在 CD-ROM 或 DVD 上以进行长期存档。还标记了录音发生的日期和无线电频率。例如,可以将音频材料存储在 CD-ROM 或 DVD 上以进行长期存档。
一个最小的电台
如上所述,在 VLF 频段建立自己的收听电台非常简单。如图 2所示,要使用的主要组件如下:
一个电气安静祥和的地方
天线
前置放大器
一张声卡
个人电脑
软件
请注意,大部分工作都是由软件完成的。有一些程序(即使是免费软件版本)也可以执行放大器和滤波器的功能。对于初始测试,可以省略前置放大器和滤波器。

图 2:任何人都可以做的典型低成本监听站
天线
天线是任何无线电台、发射器或接收器的主要元件。理论上,考虑到使用的低频和相关的巨大波长,将需要一个具有巨大尺寸的天线,甚至成百上千公里。对于天线,根据要执行的工作的难度、要获得的结果以及房屋内的可用空间,至少有三种解决方案(见图3 ):
随机线天线
环形天线
铁氧体天线
地球偶极子(聆听地球内部)
图 3:不同类型的天线
天线可以以多种方式构建。电线必须用塑料罩绝缘,或者可以使用漆包线。随机线天线是一种由悬挂在地面上的电缆组成的天线,其长度与所需的波长无关,而是根据可用空间进行调整。由于其电气特性,这种天线会收集大量噪声。环形天线由一个或多个线圈组成,在受影响的频段内非常“静音”。它必须构成一个谐振电路,因此需要一个可变电容并联。在我们的例子中,匝数必须非常高。匝数、导线的直径和线圈的面积决定了它的电感和电阻。与随机天线不同,环形或框架天线不需要接地连接。对于铁氧体天线,必须将大量漆包线缠绕在铁氧体磁芯上。天线的尺寸必须足够高。有些人使用了14公里的漆包线。最后,地球偶极子用于收听直接来自我们星球的电信号。它由两个打入地下并在中心馈电的桩组成。电线的长度在数百米的数量级。现在,关于静电放电和高压的一些建议。如果您使用长导线(例如,长度超过 100 到 200 m)制作天线,则存在危险静电的可能性会增加。还建议使用 Pi-Greco 天线调谐器降低阻抗。线材必须直接或间接连接到电脑声卡的麦克风插孔。如果静电水平很高,这种连接可能会对声音芯片造成风险。事实上,对于所有这些电线,除了阻抗之外,担心静态电压是明智的。危险不仅表现在附近或天线上的雷击,还表现在受干燥空气青睐的较弱静电场上。静电电压存储在天线上,与接地一起,后者充当电容器。因此,建议创建一个可以将这些电场释放到地面的系统。其中一种方法是通过一个高阻值电阻将天线连接到地面,比如说大约 5 到 10 MΩ(参见 担心静态电压是明智的。危险不仅表现在附近或天线上的雷击,还表现在受干燥空气青睐的较弱静电场上。静电电压存储在天线上,与接地一起,后者充当电容器。因此,建议创建一个可以将这些电场释放到地面的系统。其中一种方法是通过一个高阻值电阻将天线连接到地面,比如说大约 5 到 10 MΩ(参见 担心静态电压是明智的。危险不仅表现在附近或天线上的雷击,还表现在受干燥空气青睐的较弱静电场上。静电电压存储在天线上,与接地一起,后者充当电容器。因此,建议创建一个可以将这些电场释放到地面的系统。其中一种方法是通过一个高阻值电阻将天线连接到地面,比如说大约 5 到 10 MΩ(参见 因此,建议创建一个可以将这些电场释放到地面的系统。其中一种方法是通过一个高阻值电阻将天线连接到地面,比如说大约 5 到 10 MΩ(参见 因此,建议创建一个可以将这些电场释放到地面的系统。其中一种方法是通过一个高阻值电阻将天线连接到地面,比如说大约 5 到 10 MΩ(参见图 4)。或者,可以将两个反向并联的二极管连接到线路输入。
图 4:具有近似阻抗的随机天线示例
前置放大器
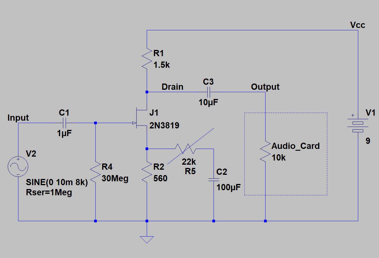
放大天线信号通常很有用,特别是如果在开阔的乡村进行“聆听”测试,信号真的“无声”并且实际接收到有用的信息,而不会衰减商业或家庭干扰。适用于 VLF 天线的音频很容易构建。大约 +15 dB 的增益有助于信号以稍强的方式来自天线。由于天线阻抗非常高,建议构建 FET 前置放大器。鉴于其输入阻抗约为 1,000 到 4,000 Ω,BJT 中的一个会大大降低信号。另一方面,FET 的输入阻抗为 8 至 10 MΩ,内部噪声几乎为零。图 5显示了一个基本但功能齐全的接线图. 它由 FET 2N3819 (J1) 制成,可在任何电子商品商店轻松买到。R1 和 R2 电阻使晶体管极化,以便漏极电压可以自由振荡而不会产生任何失真。22kΩ R5 微调器决定电路的放大倍数,可以在 1.5× 和 4.5× 之间。

图 5:天线前置放大器接线图
放大器的电路以低频工作,即音频工作。建造它并不困难,而且很容易完成。图 6中的图表显示了具有最大放大率的输入和输出信号,以及它的频率响应。输出信号与输入反相。放大器的消耗非常低。所需电流约为 2.7 mA,如果使用 9 V 电池,续航时间约为 100 小时。
图 6:放大器输入信号(黄色迹线)和输出信号(绿色迹线)及其频率响应
声卡
声卡是替代无线电接收器的设备,频带介于 0 和 22 kHz 之间。24 kHz 的限制取决于 PC 声卡的带宽和采样率。如果该卡允许高达每秒 192,000 个样本的采样率,则可以观察到高达 96 kHz 的信号。使用它时,必须小心地对其放大剂量,以避免可能的互调。本文实验使用Tascam 2×2 USB外置声卡(如图7所示),采样频率为96 kHz。它允许您通过前面板上的开关选择两种不同的输入阻抗:10 kΩ 和 1 MΩ。

图 7:Tascam 2 × 2 外置声卡
个人电脑
没有关于 PC 的特别建议:您可以使用台式电脑或笔记本电脑。电池电源有助于将系统与 50 Hz 或 60 Hz 交流电源隔离开来。建议安装一个非常大的硬盘以包含将要制作的大量 WAV 录音。
软件 软件
的任务是记录信号,在监视器上提供表示并在硬盘上进行记录。有许多专门用于这种听力活动的程序,但本文中使用的程序(参见图 8)如下:
HDSDR
黄蜂
索克斯
图 8:HDSDR、WASP 和 SoX 软件
简而言之,HDSDR 是适用于 Microsoft Windows 的免费软件 (SDR) 程序。它的典型应用是无线电收听、SWL、射电天文和频谱分析。WASP 是一个用于录制、查看和分析音轨的免费程序。也可以用它查看频谱图。SoX 以最流行的格式读写音频文件,并可以应用效果。仅使用 SoX 命令即可使用所有功能。它是一个非常强大的命令行音频处理工具,特别适合快速轻松的编辑和批处理。它允许以非常高分辨率查看频谱图。
现在,让我们听听……
在这个频段,许多信号属于无线电台附近的电子设备。接收到由电视、收音机、灯具、继电器、电机、洗衣机、电梯等引起的干扰是正常的。通过在采集软件中正确配置音频输入,您可以立即观察到第一个信号。必须非常小心地在左右之间正确选择音频通道(参见图 9)。事实上,使用的电缆通常是单声道的,并且只有一个轨道处于活动状态。
图 9:首先要执行的操作是选择音频信号通道。
许多信号将保持神秘,其他信号也可能在互联网的帮助下被发现。例如,图 10显示了建筑物电梯产生的电信号。它在 8 kHz 频段上很容易识别。频谱图显示了五个电梯活动:
第一次持续15.4秒
第二个持续15.4秒
第三场持续19.5秒
第四个持续7秒
第五个持续11秒
图 10:电梯信号在 8 kHz 频率上的频谱图
可以在整个频谱上进行其他观察。许多信号肯定来自人类来源:霓虹灯、电视、无线电控制装置、开关、开关电源和灯,如图 11 所示。
图 11:频谱图中记录的一些电信号
地球和大气也会发出声音,运气好的话,可以见证一些有趣的现象:
铁氧体
周
静止的
吹口哨
和许多其他人
地震前兆
还可以对地震前兆进行有趣的实验。仍然没有确定的科学数据,但在这些情况下,最好创建一个“地球偶极子”,这对于监测土壤的表面电流很有用。目前,一些研究表明,可以提前几个小时预测强地震,但接收站必须距离震中不到 100 公里。此外,收听和录音不能在城市的家中进行,而必须在农村进行,传感器直接连接到地面。
结论
观察 VLF 波段的频谱图无疑是一项非常迷人和神秘的活动,即使在晚上,至少在活动的头几天,它也会让你一直呆在你的电脑上。经验提高了一个人识别各种电信号和自然信号的灵敏度。许多信号在这个极低的频带中传播,并展示了地波如何能够长距离传输信息。聆听和观察信号的活动也应该旨在研究和发现产生信号的来源。如果遇到雷雨和闪电(参见图 12),请始终记住断开天线与声卡的连接。
审核编辑 黄昊宇
上一篇:用于物联网的安全蓝牙低功耗模块