时间:2022-03-28 09:13
人气:
作者:admin
SP4T开关可为混合波束成形系统提供业界领先的性能
圣迭戈,2022年2月16日——村田旗下公司、专注于半导体集成技术的pSemi® Corporation扩大旗下RF SOI开关产品组合,旨在为最新的5G无线基础设施建设项目和大规模MIMO基站部署项目提供支持。通过在混合波束成形架构拓扑中使用新型的高线性度开关,基站设计人员可以节省电路板上宝贵的空间并改善系统热耗散,降低整套系统的成本、重量和功耗。pSemi先进的SP4T开关可提供同类产品最佳的线性度、插入损耗和功率处理性能,从而提高sub-6 GHz有源天线系统的频谱效率。
sub-6 GHz频段的5G基站有助于网络提供商快速便捷地增加带宽和提高数据吞吐量。鉴于3-5 GHz频段频谱的最新分配以及天线设计复杂度的增加,人们需要使用全新的混合波束成形和移相拓扑架构。大规模MIMO系统采用混合架构,以最大限度地降低高能耗数字处理需求和减少功率放大器组件的数量。这些混合架构可在数字和模拟之间实现绝佳平衡,因而既能获得数字波束成形的灵活性,又能受益于模拟射频前端(RFFE)的功率效率和简单设计。

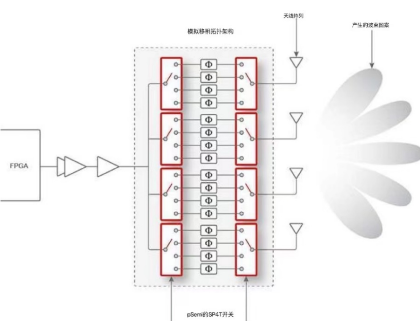
采用两个背靠背pSemi SP4T开关选择不同的移相步进,使混合波束成形架构中使用的模拟波束控制成为可能。这种移相拓扑架构可高效改善有源天线系统中的天线波束控制方式。
pSemi销售和营销副总裁Vikas Choudhary表示:“有源天线系统正在推动RFFE组件需求急剧增长,同时对先进5G网络的FR1开关性能要求也越来越高。作为射频和毫米波开关领域的行业领导者,pSemi将继续推动SOI技术的发展,并设计射频集成电路解决方案,为基站基础设备制造商提供支持,满足5G及更先进网络的需求。”
高线性度射频开关的特点和优势
支持1.8-5 GHz频率范围的每个UltraCMOS® PE42443和PE42444开关在n41、n77、n78和n79频段均提供业界领先的射频性能。PE42443(需正负电源电压供电)和PE42444(仅需正电源电压供电)采用4 x 4 mm LGA封装,可设计成管脚到管脚兼容配置。
·频谱效率高——高线性度和高功率处理,可最大限度地提高数据吞吐量。
·节能——低插入损耗可提高整体系统效率。
·波束管理灵活——开关速度快,可支持符号级模拟波束调整,便于设计实现大规模MIMO系统。