时间:2021-05-07 16:40
人气:
作者:admin
射频(RF)电传输线中的阻抗不匹配会导致功率损耗和反射能量。电压驻波比(VSWR)是一种测量传输线缺陷的方法。本教程定义了VSWR,并说明了其计算方法。最后,显示了天线VSWR监视系统。
定义和背景
为了使传输线具有最高的质量,必须进行阻抗匹配。这样可以确保通过线路传输的功率以相同的强度到达目的地。但是,在实际情况下,传输线并没有理想的完美。衡量生产线效率的事情之一是通过其VSWR。
在射频(RF)电传输系统中,驻波比(SWR)是衡量RF电源从电源通过传输线传输到负载的效率的度量。一个常见的例子是通过传输线连接到天线的功率放大器。
因此,SWR是透射波与反射波之比。较高的SWR表示传输线效率和反射能量较差,这可能会损坏发射器并降低发射器效率。由于SWR通常是指电压比,因此通常称为电压驻波比(VSWR)。
VSWR和系统效率
在理想的系统中,100%的能量从功率级传输到负载。这需要在源阻抗(即传输线及其所有连接器的特征阻抗)与负载的阻抗之间进行精确匹配。信号的交流电压从一端到另一端都是相同的,因为它通过时不会受到干扰。
但是,在实际系统中,阻抗不匹配会导致一些功率被反射回源(如回声)。反射会造成相长和相消干扰,从而导致电压沿线路的不同时间和不同距离出现峰值和谷值。VSWR测量这些电压变化。它是传输线上任何地方的最高电压与最低电压之比。
由于电压在理想系统中不会发生变化,因此其VSWR为1.0或通常以1:1的比率表示。发生反射时,电压会发生变化,VSWR会更高,例如1.2或1.2:1。
反射能量
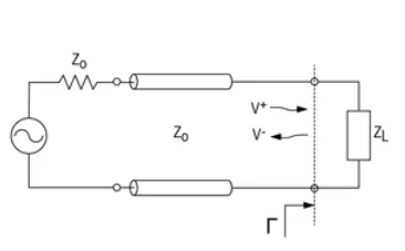
当传输波碰到边界(例如无损传输线和负载之间的边界)时(图1),一些能量将被传输到负载,而某些能量将被反射。反射系数将入射波和反射波关联为:
Γ= V- / V +(式1)
其中V-是反射波,V +是入射波。VSWR通过以下方式与电压反射系数(Γ)的大小有关:
VSWR =(1 + |Γ|)/(1 – |Γ|)(等式2)

传输线电路,说明传输线和负载之间的阻抗失配边界。反射发生在由Î指定的边界处。入射波为V +,反射波为V-。
VSWR可以直接用SWR表测量。可以使用诸如矢量网络分析仪(VNA)之类的RF测试仪器来测量输入端口(S11)和输出端口(S22)的反射系数。S11和S22分别等效于输入和输出端口上的Γ。具有数学模式的VNA还可以直接计算并显示最终的VSWR值。
可以根据反射系数S11或S22计算输入和输出端口的回波损耗,如下所示:
RLIN = 20log10 | S11 |dB(等式3)
RLOUT = 20log10 | S22 |dB(等式4)
反射系数由传输线的特征阻抗和负载阻抗计算得出,如下所示:
Γ=(ZL – ZO)/(ZL + ZO)(等式5)
其中ZL是负载阻抗,ZO是传输线的特征阻抗(图1)。
VSWR也可以用ZL和ZO表示。将公式5代入公式2,我们得到:
VSWR = [1 + |(ZL – ZO)/(ZL + ZO)|] / [1 – |(ZL – ZO)/(ZL + ZO)|] =(ZL + ZO + | ZL – ZO |)/ (ZL + ZO – | ZL – ZO |)
对于ZL> ZO,| ZL – ZO |= ZL – ZO
所以:
VSWR =(ZL + ZO + ZL – ZO)/(ZL + ZO – ZL + ZO)= ZL / ZO。(式6)
对于ZL
所以:
VSWR =(ZL + ZO + ZO – ZL)/(ZL + ZO – ZO + ZL)= ZO / ZL。(式7)
上面我们指出,VSWR是相对于1的比率形式的规格,例如1.5:1。VSWR有两种特殊情况,∞:1和1:1。当负载开路时,无穷比与无穷大之比发生。当负载与传输线特性阻抗完全匹配时,比率为1:1。
VSWR是根据在传输线上本身产生的驻波定义的:
VSWR = | VMAX | / | VMIN |(式8)
其中VMAX是驻波的最大振幅,而VMIN是驻波的最小振幅。对于两个叠加波,最大值在入射波和反射波之间产生相长干涉时发生。因此:
VMAX = V + + V-(式9)
以获得最大的建设性干扰。最小振幅发生在相消干涉下,或者:
VMIN = V + – V-(式10)
将方程式9和10代入方程式8可得出:
VSWR = | VMAX | / | VMIN |=(V + + V-)/(V + – V-)(式11)
将公式1代入公式11,我们得到:
VSWR = V +(1 + |Γ|)/(V +(1-|Γ|)=(1 + |Γ|)/(1-|Γ|)(等式12)
公式12是本文开头所述的公式2。
VSWR监测系统
MAX2016是双对数检波器/控制器,当与循环器和衰减器配对时,可用于监测天线的VSWR /回波损耗。MAX2016输出两个功率检测器之间的差。
VSWR监视系统由一个用于实时测量的ADC组成。外部数字电位器可在比较器的输出(COUTL)上启用可配置的警报信号。
MAX2016与MAX5402数字电位器和MAX1116 / MAX1117 ADC相结合,构成一个完整的VSWR监视系统(图2)。数字电位器通过使用MAX2016的参考电压输出作为分压器。内部基准电压通常可以提供2mA的电流。该电压设置内部比较器(引脚CSETL)的阈值电压。当输出电压超过阈值(引脚COUTL)时,会产生警报。MAX1116 ADC需要2.7V至3.6V电源,而MAX1117 ADC需要4.5V至5.5V。ADC还可以使用MAX2016提供的外部基准电压。与微控制器配对的ADC允许对天线的VSWR进行持续监控。
总结
本教程将SWR或VSWR描述为一种测量传输线缺陷和效率的方法。VSWR与反射系数有关。较高的比率表示较大的不匹配,而1:1的比率则完全匹配。这种匹配或不匹配是由驻波的最大和最小幅度引起的。SWR与透射能量和反射能量之比有关。
编辑:hfy
上一篇:浅谈RF设备的可靠性