时间:2021-04-19 10:30
人气:
作者:admin
基带I / Q走线不匹配会降低RF I / Q调制的边带抑制
DAC和RF调制器之间的走线不匹配,包括I和Q路径,差分线IP和IN以及差分线QP和QN,会导致I / Q幅度和相位误差,并导致边带抑制(SBS)下降。射频调制。这项工作研究了这些迹线失配对幅度和相位误差以及RF调制器SBS的影响,从而为设计DAC与RF调制器之间的接口以及PCB布局提供了指导。
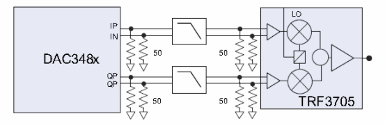
I / Q幅度和相位误差对边带抑制的影响在大多数应用中,数模转换器(DAC)通常直接将基带I / Q信号提供给RF调制器。图1显示了TI的DAC348x直接与TRF3705调制器接口,并且沿着I和Q路径使用了两个低通滤波器(LPF)来拒绝DAC采样图像。

DAC348x与TRF3705调制器的接口
基带输入由同相信号(I)和正交信号(Q)组成。I线和Q线是差分线。RF调制器相对于正交输入路径表现出对称性。建议PCB布局保持对称性,以确保不损害设备的正交平衡。此对称性包括I与Q之间,IP与IN之间以及QP与QN之间的对称性。IP和IN之间以及QP和QN之间的走线应按差分对进行布线,并且它们的长度都应保持相等。此对称性要求也应适用于I和Q LPF。
实际上,I和Q之间,IP和IN之间以及QP和QN之间总是会出现一些不匹配的情况。这些失配会引起I / Q相位和幅度误差,这将导致RF调制器输出处的边带抑制性能下降。通常,失配应保持足够小,以使未经调整的SBS小于–40 dBc。
编辑:hfy
上一篇:关于无线电设计的一些早期发展