时间:2021-04-15 16:25
人气:
作者:admin
本应用笔记是与MLX90121 RFID收发器实现符合ISO要求的通信的指南。将会向MLX90121的用户讲解如何传输符号以及如何使电路同步(LTC的使用,多数表决功能)。将详细描述几个ISO通信示例。
传输:可编程符号编码器
MLX90121设计有内部可编程编码器,该编码器允许预定义六个符号。组态后,只需使用引脚CK和DIN指定地址即可发送符号。相应的地址在内部存储在3位锁存器中。为了开始传输,需要三个CK脉冲来指定地址的3位,因为每次编码器开始发送符号时,内部锁存器都会复位为“ 000”。因此,只能用一个CK脉冲指定符号零和一个(所有其他位将保持为0),用两个CK脉冲指定符号2和3,并用三个CK脉冲指定符号4、5、6。
在最后一个符号发送之后,如果不再发送CK脉冲,则发送将终止。

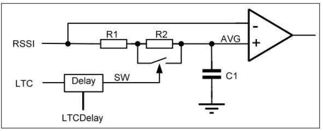
接收:ASK解码(ISO15693单子载波)
正如MLX90121的数据表中已经解释的那样,数据切片器用于数字化来自模拟链(RSSI)的ASK信息。

内部信号LTC(低时间常数)控制数据限幅器的时间常数。如下图所示,在响应开始时使用它在快速时间常数和慢速时间常数之间切换。
如上所述,对于ASK接收,必须在接收帧的开头将MLX90121的CK引脚置为高电平。此外,Melexis强烈建议将具有多数投票权的块用于接收,这将通过使用相同的方法来启动。因此,要执行ISO通信,无论使用哪种解码类型,都必须在接收帧开始时将MLX90121的CK引脚置为高电平。
同步
发送请求后,应用程序(外部微控制器)必须查看DOUT引脚以找到应答器应答的开始,以启动MV和数据限幅器(如果使用了ASK解码器)。这是通过将CK引脚置为高电平来实现的。下图说明了MLX90121的同步。

一旦微控制器检测到DOUT引脚上的上升沿,信号CK就上升。由于MLX90121中没有自动识别功能,因此外部微控制器需要轮询DOUT引脚以检测上升沿。
编辑:hfy