时间:2020-08-04 10:34
人气:
作者:admin
射频通信系统的组成
射频通信主要依靠发射机和接收机。
射频发射机需要注意的是功率的推动放大,预放推末前级,末前级推末级,注意由于增益过高而引起放大器自激,此时已经不稳定,设计时需要在中间加一些衰减,末级甚至末前级加隔离器的方法,有条件可以利用腔体隔开,留够足够的裕度。
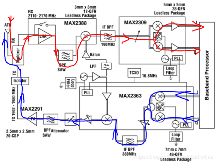
以WCDMA为例,下图蓝色线条描述的是发射机信号行进路线,基带信号I,Q(有用信息携带者)两路经过MAX2363内部的IQ调制器合成一路信号,然后通过可调增益放大器(VGA)放大信号,接着依次通过中频带通滤波(BPF),混频(上变频),放大器,衰减器,声表滤波器,功率放大器,隔离器,双工器,最后通过天线将信号发射出去。
下图红线描述的是接收机信号的行进路线,和发射机对比,就是信号的解调过程;天线接收空中信号,依次通过双工器,低噪声放大器(LNA),带通滤波器(BPF),混频器(下变频),滤波器,IQ解调器,最后进行基带处理。

上一篇:日常生活中所接触的射频通信应用
下一篇:射频通信系统的接收机三大结构