时间:2017-12-08 07:08
人气:
作者:admin
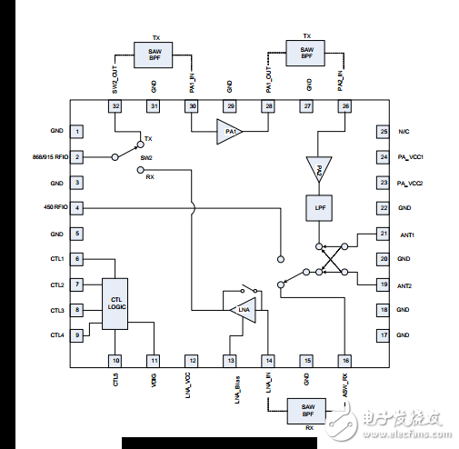
设计为868MHz和902至928MHz 的AMR解决方案,RFMD的RF6549功能独立的Rx和Tx路径,两个连接多样性的解决方案或一个测试端口的输出端口的端口。PA的部分包括一个标称输出功率为28dBm。该器件采用6mm x 6mm,32引脚封装。
Tx输出功率为28dBm
单50Ω双向收发器接口
直通路径插入损耗:1dB的
天线分集开关的LNA旁路模式
无线自动测光
无线报警系统
便携式电池供电设备
智能能源
868MHz/900MHz 的ISM波段应用
450MHz的接收直通路径
的单芯片射频前端模块

上一篇:智能手机待机功耗设计挑战及应对
下一篇:超宽带网络体系架构中的关键技术