时间:2017-11-25 05:49
人气:
作者:admin
面对移动电话数据业务需求量的持续攀升,基站设计人员被迫不断地增加带宽和降低成本。就安装和运作旨在满足增长需求的额外基站而言,影响其总体成本的因素很多。在宏蜂窝基站中使用体积较小、功率较低的电子组件除了有助降低初期成本以外,对于降低基站塔的现行土地房屋租赁成本及电能消耗也是有利的。诸如远端射频头 (RRH) 等新型架构有望进一步减低成本。超小型微微蜂窝和毫微微蜂窝基站将数据业务扩展到了较大的宏蜂窝基站未覆盖的领域。为了实现这些好处,基站设计人员需要具有极高集成度的新型组件,而且它们不能以牺牲性能为代价。
由于性能要求的原因,射频电路中 RF 部分的集成尤其具有挑战性。10多年前,典型的基站架构需要若干个电路级,包括低噪声放大、至中频 (IF) 的下变频转换、滤波及进一步的放大。如今,较高性能混频器、放大器和具有较高采样速率的较高动态范围模数转换器 (ADC) 使设计人员能免除下变频转换级 (集成为单个 IF 级)。然而,组件集成仍然受到一定的限制。混频器可提供缓冲 IF 输出、集成型平衡-不平衡变压器、LO 开关及分频器。带有一个混频器和一个 LO 用 PLL 的器件代表了近期的集成化发展水平。内置双混频器和双放大器的器件已面市。到目前为止,尚没有将 RF 链路的任何部分与 ADC 集成在同一块芯片上的器件。这主要是因为每种组件都必需采用独特的半导体工艺。对于应用来说,由于选择一种通用工艺所带来的性能折衷是不能接受的。
与此同时,手机射频电路已发展成为高集成度的基带和收发器 IC 以及集成型 RF 前端模块 (FEM)。收发器与天线之间的 RF 功能块包括滤波、放大和开关 (需要时在组件之间还包括阻抗匹配功能块)。收发器集成了接收 ADC、发送 DAC及相关联的 RF 功能块。这里,性能要求所处的水平允许采用一种通用的工艺。FEM 运用系统级封装 (SiP) 技术来集成不同的 IC 与无源元件,包括多模式滤波器和用于发送与接收的 RF 开关。这里虽然不适于采用某种通用工艺,但仍然需要集成。
微微蜂窝和毫微微蜂窝基站中的 RF / IF、ADC 和 DAC 组件的性能要求往往远远低于宏蜂窝基站,这是因为其覆盖范围、功率输出和每个服务区的用户数量均不及后者。在某些场合中,手机组件的修改版可用于微微蜂窝或毫微微蜂窝基站,并提供必要的集成、低功率和低成本。这里,一种通用的半导体工艺为信号链路中的所有功能块提供了足够的性能水平。宏蜂窝基站怎样才能实现这种集成度呢?
传统的集成化方式是:在一颗单片式芯片上集成越来越多的功能,而这往往是“成群”出现的。较小几何尺寸的半导体工艺成为可行、具备生产价值并产生了适合基站应用的足够性能。随之而来的功耗降幅常常为整整一个数量级,这使得能够将许多先前分离的功能部件加以集成。这样一来就可以整合众多的新型功能,不久便会有一批高集成度的产品面市。在手机领域,伴随着基带和收发器 IC 的问世就出现了上述情形。在两次重大的工艺几何尺寸改进之间,常常存在一个漫长的滞后期。当传统的集成化方式受阻时,其他的替代方案便出现了。
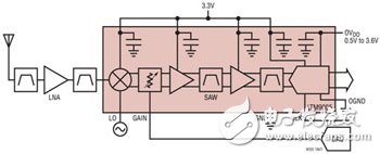
与在手机中一样 (即:单片式集成一直延续到 RF 前端,接着由模块提供后续的集成),一种新型模块为基站应用提供了新的集成度。近期的例子是凌力尔特公司推出的 LTM9004 和 LTM9005 μModule® 接收器,它们实现了高速 ADC 与 RF 信号链路的集成。LTM9004 采用直接转换架构,具有一个 I/Q 解调器、低通滤波器和一个双通道 ADC (图 1)。而 LTM9005 采用 IF 采样架构,具有一个下变频混频器、SAW 滤波器和一个单通道 ADC (图 2)。这两款器件均采用 22mm x 15mm LGA 封装,占用的板级空间缩减了约 75%,同时集成了多个 IC 和几十个无源组件。这种集成是无法运用传统方式来实现的,因为高速 ADC 采用细线 CMOS 工艺,而 RF 组件采用的则是锗化硅 (SiGe) 工艺。此外,由于性能要求的缘故,许多无源组件完全无法采用硅集成。


为什么说这种集成度最适合采用 SiP 技术来实现呢? IF 采样架构为此提供了一个明确的论据。每种组件都具有独特和苛刻的要求,因而必须依赖于某种优化的制造工艺。这就造成了目前没有通用工艺的现状。更加重要的是,中频频段上的信号滤波必须非常优良,以确保对有可能影响基站性能的干扰信号进行带外抑制。如今,这种滤波处理是利用密封陶瓷封装的表面声波 (SAW) 滤波器来完成的。LTM9005 中集成了此类滤波器。
下一篇:双向功率放大器的设计方案解析