时间:2017-11-22 18:25
人气:
作者:admin
低噪声放大器是通信、雷达、电子对抗及遥控遥测系统中的必不可少的重要部件,它位于射频接收系统的前端,主要功能是对天线接收到的微弱射频信号进行线性放大,同时抑制各种噪声干扰,提高系统的灵敏度。特别是随着通信、电子对抗、微波测量等向着宽频带、低噪声、小型化方向发展,放大器的低噪声和宽频带设计问题得到了越来越广泛的重视。这里给出了一个50~300MHz的低噪声宽带放大器的设计,该放大器在工作频段内具有优良的增益平坦度和噪声系数,能提高接收机的灵敏度。
1、宽带实现和负反馈原理
宽带放大器设计的主要障碍是有源器件的增益带宽积的制约,即有源器件的增益在频率高端随着频率的增加以6dB/倍频程下降。宽带放大器常用的设计方法有:平衡结构式放大器,负反馈式放大器,有源匹配电路,电抗网络匹配,宽带电阻匹配,分布式放大器等。其中负反馈式放大器具有如下明显的优点:降低整个电路对晶体管自身性能变化的敏感度;获得较好的输入阻抗匹配和较低的噪声系数;增大工作频带内放大器的稳定性;增加放大器的线性度等。因此,负反馈技术被广泛地运用于宽带放大器的设计当中。
采用负反馈技术的放大器如图1所示。

图1、负反馈式放大器
其中栅极和漏极之间的反馈网络由电容、电阻和电感组成。其中电容的作用是防止反馈网络对晶体管的直流偏置产生影响;电感的作用是减少放大器在频率高端的反馈量,抵消放大器的增益随频率增加而降低,通过调节电感的大小可以调节放大器增益的平坦度。电阻起主要反馈作用,通过调节电阻值的大小可以调节反馈量的多少。同时当反馈电阻R = gm × Z02时,放大器可以获得良好的阻抗匹配。
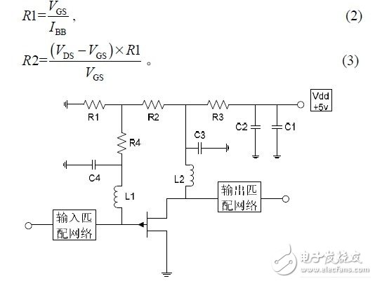
2、偏置电路和稳定因子
2.1、偏置电路
放大器的偏置电路如图2所示。图2中电感L1和L2是射频扼流圈(RFC);电容C1-C4为电源滤波电容;R3可由公式(1)推得:
其中IDS是漏电流,IBB是流经R1/R2分压器网络的电流。R1和R2可由式(2)和式(3)推得:

图2、放大器的偏置电路
2.2、稳定因子
电路的稳定性设计必不可少,因为高增益放大器比较容易自激。考虑放大器的稳定性时主要考虑的是稳定系数K和|Δ|,为了得到绝对稳定的网络,必须满足K>1和|Δ|<1。
稳定系数K和|Δ|的表达式如(4)和(5)所示:

当上面两个条件同时满足时,放大器绝对稳定;如果这两个条件不能同时得到满足,放大器将存在潜在的不稳定和振荡。此时需要采取一些措施来改善放大器的稳定性,主要方法有:源极串联负反馈;漏极与栅极并联负反馈;漏极串联电阻和漏极并联电阻;插入铁氧体隔离器等。
3、ADS仿真及电路测试
根据Avago公司提供的ATF54143的晶体管模型,在ADS中建立电路,对设计的低噪声放大器的S参数和噪声系数进行仿真和优化。考虑到制作加工过程中可能带来的误差,设计仿真的性能指标设置必须高于所要求达到的性能指标。通过反复的优化,最后得到的仿真结果为:在50~300MHz频带内,增益为23±0.2dB,噪声系数小于0.4,输入驻波小于1.4,输出驻波小于1.4。
根据仿真结果,制作PCB板,装配放大器,如图3所示。
图3、放大器实物图
然后使用安捷伦公司的E5061A网络分析仪和N8975噪声系数分析仪对放大器进行测试,增益、驻波和噪声系数的测试结果分别如图4、图5和图6所示。

图4、增益与频率的关系

图5、输入/输出驻波与频率的关系

图6、噪声系数与频率的关系
由图4、图5和图6可以看出,研制的低噪声放大器在宽带(50~300MHz)的工作频段内,增益大于22dB,平坦度小于±0.3dB,噪声系数小于1.25,输入驻波小于1.4,输出驻波小于1.3。可以看出低噪声放大器的测试结果与仿真结果吻合较好。但测试的噪声系数比仿真结果稍差,增益比仿真结果稍低,这是由于电容、电感的寄生电阻的影响,同时调试时滤波器的输入端口和输出端口不是完全匹配,器件的接地性不是很好,及测试电缆和接头的影响。
4、结语