时间:2017-11-06 02:28
人气:
作者:admin
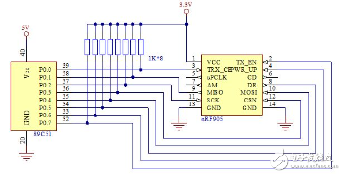
nRF905是挪威Nordic公司推出的一款单片射频发射器芯片,采用32引脚5mm×5mm QFN封装,工作于433、868、915MHz 3个ISM(工业、科学和医学)频道,其中国内433频段可以免费使用。nRF905由频率合成器、接收解调器、功率放大器、晶体振荡器、调制器等功能组成,不需要外加声表滤波器也可以有良好的通信效果。nRF905使用SPI接口可以和任何MCU进行通信,其中地址、输出功率和通信频道可通过程序进行配置,所以可以用于多机通信。nRF905融合了ShockBurstTM技术,可以自动处理数据包字头,且内置CRC校验功能,确保数据可靠传输。nRF905功耗很低,在以-10dBm的功率发射时,工作电流也只有11mA;而对应接收机的工作电流只有12.5 mA,芯片可以软件设置空闲模式、关机模式,易于节能设计。适合工业数据采集、无线报警及安全系统等诸多领用。
(1) 433Mhz 开放ISM 频段免许可证使用;
(2) 最高工作速率50kbps,通信距离可达300米左右;
(3) 高效GFSK调制,抗干扰能力强,特别适合工业控制场合;
(4) 工作频率可软件设置,满足多点通信和跳频通信需要;
(5) 内置硬件8、16位CRC 检错和点对多点通信地址控制;
(6) 低功耗1.9 - 3.6V 工作,待机模式下状态仅为2.5uA;
(7) 收发模式切换时间仅 650us;
(8) SPI编程接口,可软件设置地址,地址多达2的32次方;
(9) 集成地址匹配、载波侦听、收发完成状态指示功能;
(10) TX Mode: 在+10dBm情况下,电流为30mA; RX Mode: 12.2mA;
(11) 标准2.54mm DIP间距接口,便于嵌入式应用;
同时,为便于用户开发,我们提供配套评估套件,为产品开发保驾护航,使无线应用开发大大加速,并避免不必要的误区。
nRF905采用Nordic公司的VLSI ShockBurst技术。ShockBurst技术使nRF905能够提供高速的数据传输,而不需要昂贵的高速MCU来进行数据处理/时钟覆盖。通过将与RF协议有关的高速信号处理放到芯片内,nRF905提供给应用的微控制器一个SPI接口,速率由微控制器自己设定的接口速度决定。nRF905通过ShockBurst工作模式在RF以最大速率进行连接时降低数字应用部分的速度来降低在应用中的平均电流消耗。在ShockBurst RX模式中,地址匹配AM和数据准备就绪DR信号通知MCU一个有效的地址和数据包已经各自接收完成。在ShockBurst TX模式中,nRF905自动产生前导码和CRC校验码,数据准备就绪DR信号通知MCU数据传输已经完成。总之,这意味着降低MCU的存储器需求也就是说降低MCU成本,又同时缩短软件开发时间。

1)典型ShockBurst TX模式:
①、当应用MCU有遥控数据节点时,接收节点的地址TX-address和有效数据TX-payload通过SPI接口传送给nRF905应用协议或MCU设置接口速度;
②、MCU设置TRX_CE、TX_EN为高来激活nRF905 ShockBurst传输;
③、nRF905 ShockBurst:
无线系统自动上电
数据包完成(加前导码和CRC校验码)
数据包发送(100kbps,GFSK,曼彻斯特编码)
④、如果AUTO_RETRAN被设置为高nRF905将连续地发送数据包直到TRX_CE被设置为低;
⑤、当TRX_CE被设置为低时,nRF905结束数据传输并自动进入standby模式。
2)典型ShockBurst RX模式
①、通过设置TRX_CE高,TX_EN低来选择ShockBurst模式;
②、650us以后,nRF905监测空中的信息;
③、当nRF905发现和接收频率相同的载波时,载波检测CD被置高;
④、当nRF905接收到有效的地址时,地址匹配AM被置高;
⑤、当nRF905接收到有效的数据包(CRC校验正确)时,nRF905去掉前导码、地址和CRC位,数据准备就绪(DR)被置高;
⑥、MCU设置TRX_CE低,进入standby模式低电流模式;
⑦、MCU可以以合适的速率通过SPI接口读出有效数据;
⑧、当所有的有效数据被读出后,nRF905将AM和DR置低;
⑨、nRF905将准备进入ShockBurst RX、ShockBurst TX或Powerdown模式。
3)掉电模式
在掉电模式中,nRF905被禁止,电流消耗最小,典型值低于2.5uA。当进入这种模式时,nRF905是不活动的状态。这时候平均电流消耗最小,电池使用寿命最长。在掉电模式中,配置字的内容保持不变。
4)STANDBY模式
Standby模式在保持电流消耗最小的同时保证最短的ShockBurstRX、ShockBurstTX的启动时间。当进入这种模式时,一部分晶体振荡器是活动的。电流消耗取决于晶体振荡器频率,如:当频率为4MHZ时,IDD=12uA;当频率为20MHZ 时,IDD=46uA。如果uPCLK(Pin3)被使能,电流消耗将增加。并且取决于负载电容和频率。在此模式中,配置字的内容保持不变。