时间:2017-11-08 11:06
人气:
作者:admin
描述
由于苹果手机取消3.5mm接口的带动,近年来无线耳机、特别是低成本无线对耳耳机取得了爆炸式增长。而随着低成本无线对耳耳机的增长趋近饱和,近期各厂商又纷纷转向无线高保真的入耳和头戴耳机,无线高保真耳机亦取得了不错的市场空间。
鉴于上述市场的逐渐饱和,寻求更具有吸引力的市场,显得尤为重要。随着耳机市场的突飞猛进,降噪耳机逐渐进入市场主流,市场潜力巨大。然而由于降噪耳机目前由少数品牌垄断、价格高昂,市场潜力远未被发掘。开发一款具有较低的成本、同等降噪性能、与高保真头戴式耳机同等的高品质音质的耳机,将显然成为市场的新军,为降噪耳机注入新鲜血液,带动其向普通用户扩展,发掘市场潜力。
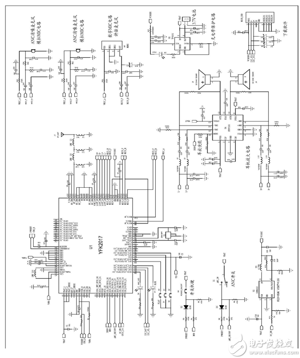
深圳市永阜康科技有限公司基于此市场考虑,推出的一款低成本、自适应主动降噪、高保真蓝牙耳机方案。其采用TP4101 + YFK2017 + HT97220的方案,无需昂贵的独立主动降噪芯片,即能达到高性能的自适应主动降噪性能,并具有高保真的专业级HiFi音质。
其中,YFK2017是一颗全集成自适应主动降噪双模蓝牙耳机芯片,具有全集成、高性能、低功耗等特点,并可以同时支持BT4.2和BLE4.2,支持HIFI音质(192Khz/24bit),SNR大于100dB,支持EQ以及各种音效技术(如超重低音,3D环绕等),支持多种噪音消除技术,尤其是高性能的自适应主动降噪技术,可以让高端主动降噪耳机省去昂贵的独立主动降噪芯片。
HT97220则是一款专业Hi-Fi级的耳机放大器,具有极其精简的BOM表,无需输出DC阻隔电容器,具有非凡的失真、信噪比和完全消失的click-pop声,以及卓越的低频保真度。
方案特点
1、 蓝牙版本2.1 + 4.2 双模蓝牙耳机带通话功能(A2DP v1.3/AVRCP v1.5/HFP v1.5 )
2、 支持SD/MMC卡
3、 USB 2.0通信协议
4、 2个主动消噪咪头,2个话筒声音识别口
5、 主电源供电3.1V -- 5.5V
6、 5段全配置EQ功能
7、 带I2S数字音频输出接口
8、 外挂HI_FI领域发烧级耳放HT97220最大输出125mW
9、 高效动态电池充电管理TP4101
特性
● 适用于HI_FI领域发烧级的降噪耳机
● BGA封装占用超小面积
● 具有超高信噪比音质,还原声学真实内容,享受天籁音质
● 超低功耗
● 600mA高效快速锂电池充电电路,带过充、过放、短路保护功能
方框图/理图


PCB DEMO板