时间:2017-11-22 10:32
人气:
作者:admin
设置信号发生器在特定功率下输出CW音,根据我的数学方程,ADC会产生–1 dBFS信号。不过,我看到了–15 dBFS信号!谁消耗了我所有的dB?
很多时候,ADC(模数转换器)在–1 dBFS时具有额定性能。一些数据手册给出的失真比满量程低0.5 dB。无论是比满量程低1 dB或0.5 dB,如果在满量程(0 dBFS)下运行ADC输入,这样做可防止信号发生削波。台式RF信号发生器通常以dBm为单位输出信号。为了在1.7 V p-p满量程ADC范围内实现–1 dBFS,信号电平仅需7.6 dBm(基于50 Ω基准阻抗)。不过,这样做时,ADC的单音FFT输出显示为–6.7 dBFS。是什么消耗了所有的dB?
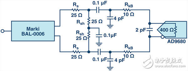
答案显而易见,即ADC部件。就是ADC的前端网络。让我们进一步看看用于ADCAD9680 的默认前端网络。

图1.用于AD9680评估板的默认前端网络。
将单端转换为差分模式可通过宽带巴伦BAL-0006SMG实现。简单看下BAL-0006SMG数据手册,显示它具有6 dB插入损耗。继巴伦之后的匹配网络(Rs和RSH)添加了另一个6 dB。该匹配网络需要提供宽带匹配至巴伦输出。ADC (RkB)前方的串联电阻呈现少量插入损耗。该电阻通过降低ADC采样级到保持级的反冲来提高第三次谐波性能。
因此,让我们克服相关ADC难题以了解信号发生器获得–1 dBFS ADC信号时所需功率。50 Ω基准电阻用于以下数学方程。对于1.7 V p-p的默认满量程电平,–1 dBFS信号为1.515 V p-p。由于10 Ω电阻损耗相当小,我们可以假设该损耗电压为端接网络电压。巴伦端接具有6 dB损耗,因此巴伦的每一侧摆幅约为1.515 V的两倍。这导致单端输入约为3.03 V p-p。因此,信号发生器须提供对应于约3.03 V p-p或14 dBm的信号。请注意,这不包括带通滤波器或连接器电缆的插入损耗。因此,再次看下图1,这次我们通过一些注释得到图2。

图2.集成带通滤波器和信号发生器的前端网络。
再次回到我们的问题上,如果ADC前方的信号发生器旁边没有任何干扰,则获得-1 dBFS ADC信号所需功率为7.6 dBm的前提是正确的。可能需考虑巴伦。现在有其它因素(宽带巴伦、匹配网络、反冲控制等)会影响插入损耗,从而导致在-6.7 dBFS时产生衰减信号。因此,您可以放心的说"我的前端消耗了所有的dB"。如您所见,数学方程从不会错。
参考以下等公式:
其中VIN是输入电压,而VFS是满量程电压
其中Vrms是rms电压,而V p-p是峰峰值电压
其中PdBm是信号发生器功率(单位:dBm),Vrms是rms电压,R是系统阻抗(本例中为50 Ω),P0是1 mW
上一篇:限幅放大器的RF预算分析