时间:2017-10-23 17:51
人气:
作者:admin
PT2262/2272是一对带地址、数据编码功能的红外遥控发射/接收芯片。其中发射芯片PT2262-IR将载波振荡器、编码器和发射单元集成于一身,使发射电路变得非常简洁。
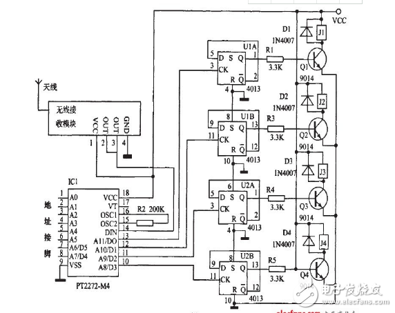
该部分电路主要由315MHZ无线数据接收模块、解码集成PT2272,D触发器4013和继电器电路组成。315MHZ无线数据接收模块有超再生式接收模块和超外差式接收模块两种,超再生和超外差电路性能各有优缺点。超再生式接收模块接收灵敏度为-105dBm,抗干扰能力差,频率受温度漂移大,采用带骨架的铜芯电感将频率调整到315MHZ后封固,这与采用可调电容调整接收频率的电路相比,温度、湿度稳定性及抗机械振动性能都有极大改善。超外差式接收模块抗干扰能力较强,自身辐射极小,背面有网状接地铜箔屏蔽,可以减少自身振荡的泄漏和外界干扰信号的侵入;输出端的波形在没有信号时比较干净,干扰信号为短暂的针状脉冲,不象超再生式接收电路会产生密集的噪声波形,但近距离强信号时可能有阻塞现象。


本电路采用频率编译码的控制方式,在发射电路中使用了两个红外发射管,使得本电路具有较远的遥控距离,而且遥控的方向性也不明显。
(1)电路组成:四路红外遥控器电路由红外线发射电路和接收译码和执行电路组成,电路原理如右图所示。
(2)电路工作原理: 发射电路的工作原理前面的例子相同,只是使用了两只红外线发光二极管,提高了电路的发射能力。
在接收译码电路中,红外线信号由红外线接收二极管接收,经反相器DANI~DAN3等元件组的放大器放大后送至译码器LM567进行频率译码,当发射信号的频率与锁相环的中心频率一致时,LM567的@)脚输出低电平,继电器得电吸合,实现控制作用。本电路的其他三路与第一路相同,只是所用的电位器阻值不同,RP2~RP4的阻值分别为6.8KS2、5.1K92和4.7KS2。需要注意的是,当红外线信号停止发射时,相对应的LM567的回)脚就恢复高电平输出状态,在应用中还应根据实际需要接入自保持电路。