时间:2017-04-06 14:33
人气:
作者:admin
随着无线通信技术的不断发展,高速数据业务也在呈现出一种爆发式增长。根据某相关数据分析预测,到2020年底,移动数据业务,将增长为现今的通讯数据量的1000倍以上。基于此,提高无线宽带的接入网的数据吞吐量,智能终端的数据传输速率势在必行。为了解决现今的高速的数据流量和用户带宽的需求,现今的4G技术提出MIMO多模多频段技术,基于MIMO PA的射频放大器的移动应用也是非常广泛,一起来看一下!
Qorvo专注于移动、通讯设施、国防科技及航天航空领域的RF射频技术、高集成产品及射频解决方案。产品领域包含汽车、智能手机、可穿戴设备、医疗电子等等。
针对移动射频,Qorvo提供了从先进的滤波器技术和天线调谐专门技术到RF Fusion™ and RF Flex™解决方案,Qorvo提供了工业领先用于智能手机和连接设备的架构解决方案。特别是针对MIMO支持的多模多频段集成式PA器件,通过把多个分立式器件集成到一个PA器件,实现有效、紧凑型RF设计,简化了发射与接收器射频元件,同时,Qorvo MMPA 支持 3G、4G 和 LTE等多种通信标准。
同时,PA双工器模块实现功率放大器(PA)与双工器的单个集成,并且面向移动3G、4G及LTE网络提供多种适合多模多频的PA集成器件。
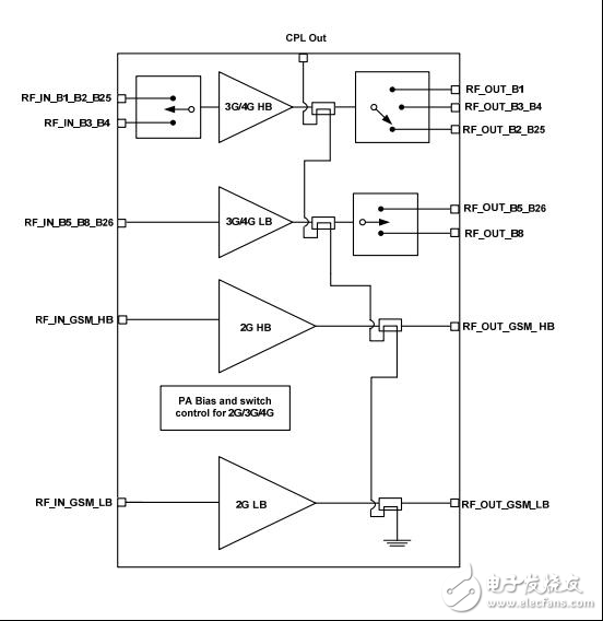
Qorvo 针对4G推出的移动MMPA模块TQP9058H
支持GSM850 / 900, DCS / PCS, WCDMA, LTE等多种无线标准

MMPA模组TQP9058H 内部结构图
RF Fusion™ 移动LTE模块
Qorvo® 的 RF Fusion™ 解决方案产品组合包含多个关注于差异化性能的高性能模块,通过集成 NoDrift™ 和 LowDrift™ 等 Qorvo 的领先技术与高级 PA 和开关技术得以实现。所有产品都采用业内最小的外形尺寸。
RF Fusion™ Mobile LTE 模块经过调优,为高端智能手机和数据设备中的高级核心 RF 解决方案的平台提供一流的性能和使用便捷性。
① RF Fusion™ 高频段模块

RF Fusion™ 高频段模块
·PA、TRx 开关、滤波器、ASM
·FDD 和 TDD-LTE
·UL CA、B41W、ET
② RF Fusion™ 中等频段模块

RF Fusion™ 中频段模块
·PA、开关、双工器/复用器、ASM
·FDD 和 TDD-LTE
·B1+3 CA、ET
③ RF Fusion™ 低频段模块

RF Fusion™ 低频段模块
·PA、开关、双工器、ASM
·FDD-LTE
·6 个双工器、ET
据悉,Qorvo RF Fusion™ RF 前端 (RFFE) 解决方案集成了Qorvo 高级滤波器、高掷计数开关和多模式多频段功率放大器,以实现高、中、低手机频段全覆盖。
Qorvo 高频段 RF Fusion 解决方案可满足新兴 2 级功率/高性能用户设备 (HPUE) LTE 的要求。此外,Qorvo RF Fusion 解决方案包含业内唯一的完整参考平台,以支持所有具有包络跟踪功能的领先手机芯片组。