时间:2016-03-01 10:36
人气:
作者:admin
导读:
功率电感和铁氧体磁环的价格差异显著,这推动了D类音频放大器滤波设计步入无电感时代。但同时,在铁氧体磁珠的作用下,滤波器的截止频率会急剧飙升,从几千赫兹增加到几兆赫兹;从而削弱了滤波器的EMI抑制效果。因此,D类应用亟需降低EMI噪声。在D类音频无电感应用中,要取得良好的EMI结果取决于电路板电平调整与适当的PCB布局。铁氧体磁环配备适当的电容可以降低D类输出边缘速率,但同时也会产生一些瞬时振荡,加剧传导性电磁干扰,因此,需要利用佐贝尔电路降低瞬时振荡。
本文将介绍一些电路板电平调整技术,包括铁氧体磁珠选择原则——降低边缘速率,佐贝尔网络调整方法——减少瞬时振荡,以及适当的PCB布局等。这些解决方案通过利用TI最新的EMI优化D类音频放大器TPA3140D2,帮助客户大幅节约系统设计成本,同时获得出色的音频性能。
无电感滤波器
无电感设计的目的是利用成本低廉的铁氧体磁珠替代昂贵的电感,为客户实现系统层面上的 低成本EBOM(工程材料账单)目标。铁氧体磁珠等同于多层片式电感。受当前铁氧体磁环材料和制造技术的限制,此类电感很难同时承受大电流、高阻抗。以日本东光多层片式电感为例,如果工程师将额定直流电流值设定为》2.5A,则绝大多数电感值将低于1uH。行内另外一家的产品顺络铁氧体磁珠系列(UPZ2012)也有类似表现:如果最大额定电流大于2.5A,铁氧体磁环磁珠同等电感值小于0.6uH。
表1为UPZ2012系列铁氧体磁珠在100MHz的阻抗、以及不同铁氧体磁环的最大额定电流和最大直流电阻。

如图1所示,“120Ω@100MHz 铁氧体磁珠”的同等电感值为0.39uH,而 600Ω@100MHz 铁氧体磁珠,同等电感值为1.59uH。

图1 铁氧体磁珠同等电感值
铁氧体磁珠工作时相当于一个并联谐振回路,如同电感在低频域(《100MHz)、电容在高频域(》100MHz)工作一样、也如同一个纯电阻在自身的谐振频率点一样。在使用铁氧体磁珠设定输出滤波器时,其基础就是利用它的电感特性。因为每个LC滤波器 (无源滤波器)均拥有自身的谐振频率,在此频率点,滤波器的增益很大,导致过滤后产生瞬时振荡。R1和C1将吸收由IC本身造成的振荡能量,通常使用10Ω的电阻和330pF的电容。R2和C2将吸收由滤波器本身造成的振荡能量。

图2 铁氧体磁珠滤波器设计
如何利用无电感滤波器实现低EMI目标?
· 意见1:选择铁氧体磁珠降低边缘速率
TI 设备中利用了一些技术,尽量降低5MHz频带(此频率通常为铁氧体磁珠滤波器的截止频率)范围内传导的EMI噪声。扩展频谱、L和R声道(D类立体声音频)的相移等也会有一定的帮助。对于小于5MHz的 EMI带宽,尤其是当开关频率约为300kHz(以获得较佳效率),实验结果显示减少边缘速率是降低EMI的有效方法。

图3 不同阻抗铁氧体磁环的边缘速率
图3中,较高的铁氧体磁珠阻抗可以实现较低边沿速率的D类输出;使用600ohm@100MHz 的铁氧体磁珠,可以获得最低边缘速率的D类输出,最终在高频段实现最佳EMI结果。然而,阻抗较高意味着额定电流较小。表1中,阻抗=600ohm@100MHz,最大额定电流为2A。以电视客户为例:
电视应用示例:PVDD (功率电源)= 12V,扬声器负载=8Ω,BD模式,忽略PCB与铁氧体磁珠的导通电阻和直流电阻。最大电流 = 12/8 = 1.5A。
在PVDD = 12V /8Ω扬声器的情况下,工程师可以使用600ohm@100MHz的铁氧体磁珠来设计滤波器。
图4为铁氧体磁珠对于传导性EMI的效果

图4 铁氧体磁珠对于传导性EMI的效果
图5为铁氧体磁珠对于辐射性EMI的效果

图5 铁氧体磁珠对于辐射性EMI的效果
意见2:利用佐贝尔网络,尽量降低瞬时振荡。
图6为我们设计的用于降低输出滤波电路振荡效应的典型电路。R1和C1将吸收由IC本身造成的振荡能量。R2和C2 用于吸收由滤波器谐振频率造成的振荡。

图6 调谐,以减少振荡、降低边缘速率
图7.a中,在传导性EMI测试噪音频带,捕获到周期为350ns的振荡(约2.85MHz),其能量在佐贝尔网络之后已经大幅减弱,并获得更高边缘增益。
表2 滤波器和佐贝尔网络设置

图7 调整佐贝尔网络和电容(减少振荡,获得较慢的边缘速率)
不过又出现了另外一个问题,图8显示振荡加剧了2MHz~4MHz的频带噪声(如果D类输出电流增加的话,振荡会更加严重)。从理论上讲,谐波分量越高,振幅应该越小,但是,滤波器的谐振频率点改变了这一情况。我们看一下图7.a,与设置4相比,设置3在2MHz~5MHz频带具有更好的噪声抑制能力。最终,设置3在减少振荡方面表现出最佳的调优效果,并且获得了较低的边缘速率,及良好的2MHz~5MHz的EMI裕量。

图8 振荡加剧2MHz~4MHz 频带噪声(设置4)
PCB布局
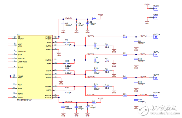
图9为TI无电感D类音频参考设计电路板(TPA3140D2)。图10是典型的输出应用电路原理图。

图9 TPA3140 EVM板(左)节约了很多滤波器PCB空间

图10 TPA3140典型输出应用电路原理图
l 滤波器PCB布局
为尽可能减少滤波器电流回路(电流回流至GND),确保电流环路小。
1) 将铁氧体磁珠尽可能靠近输出引脚。
2) 尽量减少滤波器接地的电流回路(C8至D类接地引脚)
3) 尽量确保滤波器和D类设备的底层是一个完整的接地层。
4) 如果要添加佐贝尔网络来减少振荡,将佐贝尔网络尽可能靠近滤波器。
5) 将缓冲电路尽可能靠近设备的输出引脚。

图10 滤波器布局

图11 PVCC布局
结论
TI最新无电感D类立体声放大器(TPA3140)使无电感设计在中等功率D类应用中得以实现。根据不同的扬声器线长度和输出功率(电流)要求,音响系统工程师可以使用本文中讲到的一些电路板电平调谐技术,包括铁氧体磁珠选择原则(降低边缘速率)、佐贝尔网络调谐方法(减少振荡)以及适当的PCB布局等,最终,在客户系统级测试中,得以使TPA3140实现足够的EMI裕量。目前用户设计获得的反馈显示,TI TPA3140是一款真正的无电感中等功率D类音频放大器,可以帮助客户在降低系统BOM成本、更小的PCB尺寸、良好的EMC裕量及稳定良好的音频性能等方面取得最佳平衡。