时间:2015-08-10 09:47
人气:
作者:admin
1、引言
随着电子技术的发展,在雷达、微波、通信等应用系统 中多频率工作越来越普遍,对分隔频率的要求也相应提高,需要使用大量的高性能滤波器。因此滤波器在微波及毫米波电路中有着广泛的应用。在低频段的应用中, 集总参数滤波器有着良好的表现,但是随着频率升高到微波频段以上,集总参数元件(电容、电感)的Q值急剧下降,造成滤波器的插入损耗太大,这时就必须用分 布参数元件来代替集总参数元件,但是分布参数元件滤波器的尺寸一般较大,因此有必要减小微波毫米波电路滤波器的尺寸。
2000年香港城市大 学薛泉教授提出了一种紧凑的微带谐振器(CMRC),此后螺旋紧凑微带谐振器(SCMRC)以及直线紧凑微带谐振器(BCMRC)又相继被提出。然而 SCMRC结构的阻带范围较小(5.2GHz-7.6GHz),BCMRC则由于在阻带范围内的衰减特性不理想通常需要几个单元来实现较好的低通特性。针 对这些问题,本文提出了一种新型CMRC宽带低通滤波器, 在0-7GHz低通频率范围内其最大插入损耗为0.3dB,低于-10dB的阻带频率范围为8.5GHz-22.1GHz, 低于-20dB阻带频率范围为9GHz-20.8GHz,可见该滤波器在通带内具有很低的插入损耗,并且在阻带内具有良好的衰减特性。
2、结构与等效电路
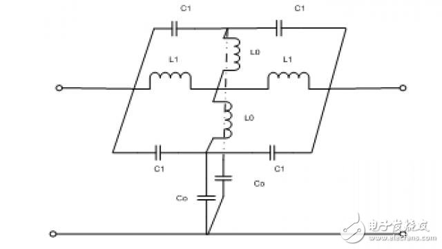
本文提出的新型CMRC平面结构如图1所示,其LC等效电路模型如图2所示。介质基板采用Taconic CER_10,其介电常数er=9.5,厚度为0.64mm.
图1、CMRC的平面结构

图2、LC等效电路模型
3、滤波器特性仿真分析
3.1、主要结构参数对传输特性的影响
我 们对图1所示CMRC结构应用HFSS进行建模以及仿真,并分析了主要结构参数对滤波器传输特性的影响。在仿真中我们发现x1、y1以及y2对滤波器传输 特性的影响较大,其影响特性曲线如图3至图5所示,由图3和图4可知减小x1和y1可以降低谐振频率,从而相应的可以减小低通频率范围,这是因为在等效电 路模型中,减小x1或y1都可以提高单位长度的分布串联电感(L0和L1)。而谐振频率,可知L0和L1的增大会相应的降低谐振频率。
图5所示为y2大小对传输系数的影响,y2的数值越接近y3,谐振频率越低。这是因为增大y2可以提高该微带部分的单位长度分布电容,另外缝隙的减小同时增大了边沿耦合电容,从而导致其等效电容C1的增加,进而降低其谐振频率,减小低通频率范围。

图3、传输系数随结构参数x1变化特性

图4、传输系数随结构参数y1变化特性

图5、传输系数随结构参数y2变化特性
3.2、优化结果及其主要参数
经 上述分析,对该CMRC宽带低通滤波器进行优化,得到了良好的输出S参数特性曲线如图6所示,在0到7GHz低通频率范围内的最大插入损耗为0.3dB, 低于-10dB的阻带频率范围为8.5GHz-22.1GHz, 低于-20dB的阻带频率范围为9GHz-20.8GHz,可见该宽带低通滤波器具有良好的低通及阻带衰减特性。此时主要微带分布参数由表1给出。

表1、主要微带结构参数
4、结语
该滤波器在宽通带范围内插入损耗很低,并且在宽阻带范围内具有很好的衰减特性,可用于高中频混频器的中频滤波器,并可以有效的抑制本振及其谐波成分。另外该宽带低通滤波器尺寸很小,具有容易集成的优点。