时间:2013-04-26 14:32
人气:
作者:admin
目前,已经可以在1.2V 65nm CMOS技术的基础上实现8Vpp和脉冲宽度调制射频高压/大功率驱动器。在0.9到3.6GHz的工作频率范围内,该芯片在9V的工作电压下可向50Ω负载提供8.04Vpp的最大输出摆幅。这使得CMOS驱动器能够直接连接并驱动LDMOS和GaN等功率晶体管。该驱动器的最大导通电阻为4.6Ω。2.4GHz时所测量的占空比控制范围为30.7%到71.5%.通过使用新型薄氧化层漏极延伸MOS器件,该驱动器可实现可靠的高压操作,而这一新型器件通过CMOS技术实现时无需额外的费用。
技术背景
现代无线手持通信无线电(包括射频(RF)功率放大器(PA)在内)均是在深亚微米CMOS中得以实现。不过,在无线基础设施系统中,由于需要较大的输出功率等级,必须通过硅LDMOS或混合技术(如GaA和更先进的GaN)才能实现RF PA.对下一代可重新配置的基础设施系统而言,开关模式PA(SMPA)似乎能为多频带多模式发射器提供所需的灵活性和高性能。但是,为了将基站SMPA中使用的高功率晶体管与发射器的所有数字CMOS模块相连,需要能够生成高压(HV)摆幅的宽带RF CMOS驱动器。这样不仅能实现更优的高功率晶体管性能,而且还能将数字信号处理直接用于控制所需的SMPA输入脉冲波形,从而提高系统整体性能。
设计挑战
LDMOS或GaN SMPA的输入电容通常为几个皮法,必须由振幅高于5Vpp的脉冲信号驱动。因此,SMPA CMOS驱动器必须同时提供高压和瓦特级的射频功率。遗憾的是,深亚微米CMOS给高压和大功率放大器及驱动器的实现提出了诸多挑战,尤其是极低的最大工作电压(即可靠性问题引起的低击穿电压)和损耗较大的无源器件(例如用于阻抗变换)。
现有解决方案
用于实现高压电路的方法并不多。可以采用能够实现高压容限晶体管的技术解决方案(如多栅氧化层),但代价是生产流程较昂贵,必须向基线CMOS工艺添加额外的掩模和处理步骤,因此这种方案并不理想。此外,为可靠地增加高压耐受力,可以采用仅使用标准基线晶体管(使用薄/厚氧化层器件)的电路方案。在第二种方法中,器件堆叠或串联阴极是最常见的例子。但是,射频复杂性和性能具有很大的局限性,尤其是当串联阴极(或堆叠)器件的数量增加至2个或3个以上时。另一种实现高压电路的途径就是如本文所述的在基线CMOS技术中使用漏极延伸场效应管(EDMOS)来实现。
新的解决方案
漏极延伸器件基于智能布线技术,这得益于在ACTIVE(硅)、STI(氧化层)及GATE (多晶硅)区域中可实现十分精细的尺寸,并能在没有附加费用的条件下,利用基线深亚微米CMOS技术实现PMOS和NMOS两种高压容限晶体管。尽管与采用该工艺的标准晶体管相比,这些EDMOS设备的RF性能实际上较低,但由于消除了与其他HV等效电路相关的重要损耗机制(如串联阴极),它们仍能在整个高压电路中实现较高整体性能。
因此,本文所述的高压CMOS驱动器拓扑结构采用EDMOS器件来避免器件堆叠。RF CMOS驱动器采用薄氧化层EDMOS器件通过65nm低待机功耗基线CMOS工艺制造,且无需额外的掩模步骤或工序。对PMOS和NMOS而言,这些器件上测量到的fT分别超过30GHz和50GHz,它们的击穿电压限度为12V.高速CMOS驱动器前所未有地实现了高达3.6GHz的8Vpp输出摆幅,因而能为像GaN这样的基于宽带隙的SMPA提供驱动。
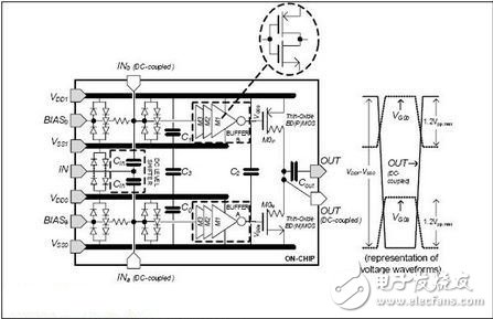
图1为本文所述驱动器的结构示意图。输出级包括一个基于EDMOS的逆变器。EDMOS器件可由低压高速标准晶体管直接驱动,从而简化了输出级与其它数字和模拟CMOS电路在单颗芯片上的集成。每个EDMOS晶体管均由通过3个CMOS逆变器级实现的锥形缓冲器(图1中的缓冲器A和B)提供驱动。两个缓冲器具有不同的直流等级,以确保每个CMOS逆变器都能在1.2V的电压下(受技术所限,即VDD1-VSS1=VDD0-VSS0=1.2V)稳定运行。为了使用不同的电源电压并允许相同的交流操作,两个缓冲器的构造完全相同,并内置于单独的Deep N-Well(DNW)层中。驱动器的输出摆幅由VDD1-VSS0决定,可随意选择不超过EDMOS器件最大击穿电压的任意值,而内部驱动器的运行保持不变。直流电平位移电路可分离每个缓冲器的输入信号。

图1:RF CMOS驱动电路示意图和相应的电压波形。