时间:2012-09-05 14:17
人气:
作者:admin
引言
目前市场上销售的风扇主要是通过导线将转速控制器和扇体连接起来,并且在使用的时候转速控制器往往被固定在墙体上,不能够实现随时随地的对风扇进行调控。同时由于采用导线连接方式进行调控风扇,必然会铺设大量的线路,造成线路冗余和浪费。并且目前的绝大多数的电扇不具备根据外界环境智能调节转速的功能,使得当前风扇的使用过于机械性。
本文设计一种可以远程遥控风扇转速,并且通过PIC单片机控制在外界一定温度下扇体可以自能调控自身的转速,达到用户可以像遥控电视一样遥控风扇,并且也不需要铺设大量的尸体线路去连接转速控制器和扇体。由于在扇体电路设计时,通过加入PIC单片机主控芯片智能的根据外界温度(遥控器中传送的温度数据)自动控制转速,大大节省了能源的利用,同时满足用户的需求。
1 系统硬件设计
由于PIC16F873A单片机是采用精简指令集(RISC)和FLASH存储技术的高性能嵌入式单片机。具有功耗小、运算速度快、外围扩展能力强等突出优点。本系统设计分别采用两片16F873PIC单片机对信号发射和接收控制电路的进行控制。
如图1所示基于PIC智能远程无线控制风扇系统设计系统框图,主要包括遥控信号发射电路、信号接收控制电路两个重要部分。遥控信号发生电路包括:温度传感器、红外管发射电路、档位控制键以及显示部分等;信号接收控制电路主要包括:红外接收电路、状态指示电路、风扇电机转速控制电路以及电压转换电路等。

图1 智能远程无线控制风扇系统设计系统框图
1.1 遥控信号发射电路设计
如图2所示PIC16F873A单片机控制的遥控器发射电路设计原理图。该电路主要以PIC50单片机为主控核心,包括行列式键盘电路、LCD1602液晶显示器、DS18B20温度才传感器、红外发射电路等。
本电路由两块1.5V的干电池供电。PIC16F873A单片机内部带有A/D转换模块,因此由DS18B20温度传感器采集来的数据可以直接由单片机进行分析,无需外加A/D转换模块。为了提高CPU的效率,遥控信号发射电路的键盘采用中断扫描的方式。行列式键盘电55路是由7个按键和7个二极管组成“与门”实现。7个按键包括:开关键、智能调控转速键和5个档位控制键。当没有按键按下时,单片机处于低功耗空闲等待状态,当有键盘按下时,相应地二极管阴极电压为零,二极管导通,同时触发中断1产生中断,使单片机退出空闲状态,进入红外发射程序。由于单片机产生37.91KHz的PWM,PWM占空比设置为1/3。在红外通信时通过P3.5口输出37.91KHz的红外载波信号,经过三极管放大,由红外发射管发60射出去。电路是否处于工作状态由D4发光二极管进行指示,同时电路工作时档位控制以及外界温度都可以在LCD1602中显示。

图2 遥控器发射电路设计原理图
1.2 信号接收控制电路设计
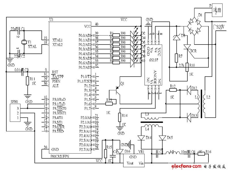
如图3所示PIC16F873A单片机控制的信号接收控制电路。该电路主要包括:风扇调速电路、交织电流转换电路、红外接收电路、单片机主控电路。遥控信号发射电路发射的红外信号由信号接收电路接收传递给PIC16F873A单片机,单片机根据接收的不同信号进行风扇70不同工作状态的处理。
由于风扇工作时的电压为220V,单片机的工作需要5V的直流电源。因此在电路设计时为了减少外部电池的使用,设计了220V交流转5V直流的电路。该电路核心器件是LM7805稳压芯片为电路提供5V的稳定直流电压,L1、L2、D12、D13构成全波整流电路,将工频交流电转换成具有直流成分的脉冲直流电,由于二极管具有单向导电性,起到开关的作用。
L3、L4、D14、D15、C5、C6、L5、R16构成滤波电路,将脉冲直流中的交流部分滤除,增加直流部分,电感电容起到滤波的作用。LM7805集成芯片、D16、C4、R15构成稳压电路,对整流后的直流电压采取进一步的稳压,D16为输出保护二极管,保护LM7805输出级不被损坏。
本电路采用的红外接收管型号为SFH4500。红外接收管包括:红外监测二极管、放大80器、限幅器、带通滤波器、积分电路、比较器等。红外监测二极管监测到红外信号,然后把信号送到放大器和限幅器,限幅器把脉冲幅度控制在一定的水平,而不论红外发射器和接收器的距离远近。交流信号进入带通滤波器,带通滤波器可以通过30khz到85khz的负载波,通过解调电路和积分电路进入比较器,比较器输出高低电平,还原出发射端的信号波形。

图3 信号接收控制电路设计原理图
风扇调速电路主要由桥式电路D1、光电耦合器6N137、SCR可控硅、三极管Q1等组成。PIC16F873A单片机产生可控硅控制的移相脉冲,通过改变相角实现导通角的改变,进90而改变输出的电路的电压,控制电扇的电机转动。当导通角为0时电机停转,导通角越大,风扇转速越快。P1.6为低电平时Q1导通,6N137光耦导通进而控制风扇转机电路。由于数字电平上下跳变时集成电路耗电发生突变,容易引起电源产生毛刺,通常对开关电源影响比线性电源大,因为开关电源在开关周期内不能响应电流突变,而仅由电容提供电流的变化部分。一般数字电路越复杂,数据速率越高,累积的电流跳变越强烈,高频分量越丰富。采用95光耦有利于降低噪声的干扰,提高信噪比。
2 软件设计
2.1 遥控信号发射系统程序设计
PIC16F873A控制软件在MPLAB环境下用C语言开发。在系统设计中首先要对系统进行初始化:A/D转换、IO口设置等。在该系统软件主要实现对键盘的中断方式扫描、对100DS18B20温度传感器的数据采集、红外发射信号脉冲的控制、PWM编码、液晶显示器显示控制以及工作状态指示灯控制等[7]。如图4所示为遥控信号发射系统程序流程图。

图4 遥控信号发射系统程序流程图
2.2 信号接收控制系统程序设计
在该系统中依然采用PIC16F873A单片机作为控制核心芯片。该系统软件主要实现对红外信号控制接收、处理信号控制风扇转速(控制相角变化)、指示灯的控制等。如图5所示信号接收系统程序流程图。

图5 信号接收系统程序流程图
3 结论
利用PIC16F873A单片机作为主控核心器件,产生PWM脉冲信号控制红外信号频率以及PIC16F873A自身集成模数转换模块方便的实现数据的有效采集。还设计方案不仅有效解决了目前市场上常规风扇的众多不足之处,可方便实现远距离可控调节风扇,同时还可以实现风扇自身的智能调节,降低了能源的消耗。在本电路中设计的引入交直电流的转换,实现了不同工作电压器件,在同一电源下的顺利安全工作,有效解决了不同规格电源选择问题。该设计方案在满足人们正常需求的同时,给人们的生活带来了进一步的方便与经济。
下一篇:3D无线射频鼠标的设计与实现