时间:2012-06-05 11:56
人气:
作者:admin
摘要:针对现有汽车门禁系统和胎压监测系统相互独立,硬件冗余和生产成本高的问题,提出了一种基于射频识别技术的汽车安全防盗系统的设计方案。在射频通信上,该系统采用434 MHz 的UHF 频段与125 kHz 的LF 频段相结合的方法,实现了系统胎压监测、遥控门锁和发动机防盗锁止等功能。调试结果表明,该系统提高了汽车的防盗性与控制性,节约了系统空间,降低了生产成本,优化了车身网络。
随着我国汽车工业的发展和人民生活水平的提高,汽车越来越多地进入普通家庭。由于各种突发性道路交通事故与汽车盗窃案件的频繁发生,人们对汽车安全与防盗的关注度也日益提高。开发和研究汽车安全与防盗系统,是确保行车安全和防止盗窃的有效技术措施。与传统单个独立汽车胎压监测系统和汽车遥控无钥匙进入系统相比,本系统的特点是,将胎压监测系统与遥控无钥匙进入系统进行整合,有效地实现了射频(RF)模块的复用,不仅节约了硬件开销,也提高了系统的集成度。
1 基于RFID 技术的汽车安全防盗系统
射频识别技术(RFID)是一种非接触式的自动识别技术。汽车安全防盗系统采用射频识别技术,通过射频信号自动识别目标对象并获取相关数据。RFID 技术采用射频传输,可以透过外部材料读取芯片数据,实现非接触操作。通信数据使用加密算法对数据进行加密,实现数据安全存储、管理及通信。随着电子技术的快速发展,电子芯片集成度的提高,RFID 系统成本也在不断地降低,加快了智能化在汽车电子行业中的推广与应用。
智能汽车安全防盗系统由轮胎发射模块、遥控钥匙模块和基站模块组成。对RFID 系统来说,收发频率大小决定了射频识别系统的识别距离、电路实现的难易程度以及硬件设计成本。在汽车安全防盗设计中,125 kHz 等低频(LF)频段用于近距离、低速度,数据量要求较少的汽车引擎防盗系统的识别;434 MHz 等超高频(UHF)频段则用于远距离的射频通信系统(汽车轮胎压力监测系统与远程无钥匙进入系统)的识别。
2 系统组成
系统的总体结构如图1 所示,系统由轮胎模块、钥匙模块和基站模块组成。

图1 系统总体框图
以4 个轮胎的轿车为例,系统由4 个轮胎模块、1个钥匙模块和1 个基站模块构成,其中基站模块包括RF 接收器、LF 收发器、中央控制部分、人机界面以及用来传送点火、门控命令的汽车区域互联网络(LIN)总线。4 个轮胎模块分别安装在汽车的4 个轮胎中,对每个轮胎的压力、温度与电池电压参数进行实时的测量,并将测量的数据通过RF 通信方式发送到基站模块进行处理。基站模块,一方面接收来自轮胎模块的RF数据,并进一步判断轮胎参数是否正常,如果发现异常则进行实时报警;另一方面接收来自钥匙模块的RF控制数据,并验证钥匙的ID是否合法,如果发现异常,则及时进行报警,如果正常,基站向门控执行机构发送确认信息,实现启/ 闭锁的动作;同时,基站模块通过LF 通信方式与钥匙模块进行通信,利用钥匙模块中应答器的密码与基站模块中的密码进行匹配来控制发动机的启动,以达到防盗的目的。基站可以通过汽车总线与汽车内部的其他电子系统相连,实时地共享数据和控制信息。
3 系统硬件设计与实现
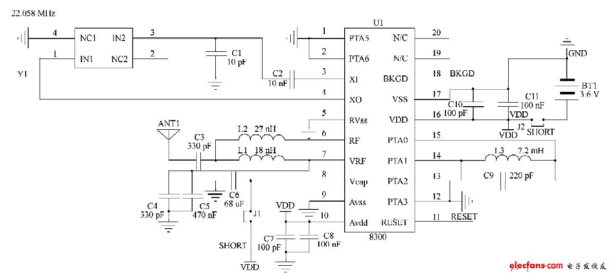
3.1 轮胎模块电路
轮胎模块由轮胎状态的数据采集与发射电路组成,如图2 所示。

图2 轮胎模块电路
轮胎模块电路采用FREESCALE公司的智能嵌入式传感器MPXY8300.该系列传感器集成了该公司的低功耗S08 核,内含512 字节RAM和16 KB Flash,同时还集成了低功耗电容式压力、温度传感器和单通道的低频输入接口。其RF发射支持315 MHz 和434 MHz 两种载波频率,并可通过编程配置使寄存器为幅移键控(ASK)或频移键控(FSK)调制方式。它还集成了电荷泵功能,当电池电压较低时,可提高RF 发射部分供电电压,从而使其仍能达到一定的R F 发射强度。
MPXY8300 是一款将压力温度传感器、8 位微控制器(MCU)、RF 发射器和双轴(XY)加速器全部集成到一个片上的系统级芯片(SOC)。MPXY8300 压力测量范围:轿车100~800 kPa,卡车100~1 400 kPa,温度测量范围:-40~125 ℃。