时间:2012-07-30 11:40
人气:
作者:admin
粮食是人类赖以生存的基本物质,是关系国计民生的重要物质,目前我国地方各大粮库的温湿控制,主要采用干温度表、毛发湿度计、双金属式测量计、湿度测试纸等测量器材进行人工检测。ZigBee技术具有节点能耗低、成本低、应用简单、组网能力强等优点。基于以上优点,本文提出了基于ZigBee 的无线传感器网络的粮仓环境检测系统。
1 系统框架设计
本文采用ZigBee 技术的无线传感器网络,通过传感器采集粮仓的温湿度,并把数据传输到无线通信节点中。在系统中,每个粮仓安置几个发送模块作为路由器使用,通过路由器把数据无线发送到协调器中,协调器通过RS232 与上位机进行通讯,实现对粮仓环境温湿度的监控。同时系统也对粮堆温度的现场测量,不仅在现场显示,供现场工作人员监控粮堆的温度,而且通过无线节点发送到协调器,在上位机中显示。图1 为系统的结构示意图。系统中存在一个节点作为协调器节点,完成网络组建、路由功能。粮堆内节点只作为终端节点,之间互相不通信,因此采用半功能节点(RFD),完成粮堆温度采集及发送。而粮仓节点采用全功能节点(FFD),之间可以互相通信并附带路由器功能,完成网络通信及温湿度采集。

图1 基于ZigBee 的粮仓温湿度监控系统结构示意图
2 温湿度监控系统硬件设计
2. 1 粮仓节点
无线传感器节点由数据采集、数据处理、无线通信和能量供应四个模块组成,节点结构如图2 所示。

图2 传感器节点结构图
数据采集模块负责温湿度信息采集和数据转换; 数据处理模块由微控制器组成,负责控制整个传感器节点的操作和数据存储; 无线通信模块由无线收发器组成,负责与其他传感器节点进行通信,能量供应模块为系统其他的三个部分提供能量。SHT11是瑞士Sensirion 公司推出的基于CMOSensTM 技术的新型温湿度传感器。而CC2430 芯片为Chipcon 公司生产的2. 4GHz 射频系统级芯片,是一款真正符合IEEE802. 15. 4 标准的片上ZigBee 产品。通过SHT11 检测得到温湿度,并转化为数字信号,传输至CC2430,由CC2430 负责对信号进行处理发送。节点电源部分使用两节AA 电池,为了使系统工作时间持续长,节点通常在闲置时快速进入休眠模式,其外设模块进入休眠状态,或者电源管理部分不对这些外设模块供电。
CC2430 通过I2C 接口定时读出SHT11 的温湿度数据,并将温湿度通过无线网络传送。SHT11 采用串行与处理器进行数据通信,SCK 数据线负责处理器和SHT11 的通讯同步; DATA 三态门用于数据的读取。为避免信号冲突,微处理器应驱动DATA 在低电平。需要一个外部的上拉电阻将信号提拉至高电平,设计过程中,将SHT11 温湿度传感器与一个拓展插口P7 接在一起,独立做成一个小模块,便于与无线模块模板的连接,用CC2430 芯片发送采集数据到无线模块模板上的CC2430 芯片。SHT11 温湿度传感器模块的P7 对应CC2430 模板的L7 口,CC2430 模板既用来对SHT11 温湿度模块供电也用来对CC2430 芯片供电,无线模块模板与SHT11 温湿度传感模块的连接电路图如图3 所示。
2. 2 粮堆节点
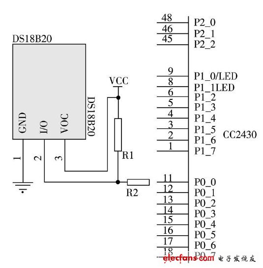
对于粮库的监控,不仅要监控粮仓的温湿度,而且也要监控粮堆的温度。对温度传感器的选型,这里采用DS18B20.DS18B20 是一款全数字温度转换及输出传感器。从DS18B20 读出信息或是写入DS18B20信息仅需要1 根口线( 即单总线接口) 。温度变换、读取等所需的能量由总线提供,无需外接电源。使用DS18B20 可以节省系统资源、使系统结构更趋简单,可靠性更高,更节能,更适用于温度缓变场所的长时间温度监测。最高分辨率达到12 位,精度可达±0. 5℃。基于DS18B20 温度传感器节点设计如图4 所示。

图3 与温湿度传感模块的连接电路图。

图4 与温度传感模块的连接电路图。
3 软件设计
粮仓/粮堆温湿度节点软件的实现: 终端节点首先通过初始化系统参数,读取数据。之后立即开始发送节点地址,等待路由器响应,而后发送数据长度,确认长度后路由器可以预留合适的空间存储数据而后接收数据,接收校验码。至此,本次发送任务结束,进入睡眠状态,节省电源。而路由器接收下一发送模块的数据,并将刚接收的数据发送给协调器。
经过上面的步骤,粮仓温湿度监控系统可以实时监控粮仓的温湿度变化,为更便捷地实现数据观测,粮仓温湿度采集系统上位机监控界面采用图形化的编程语言LabVIEW 软件编写,实现对终端监测节点上传数据的采集与处理,并实时显示各个节点的IEEE 号和温湿度数据。粮仓温湿度采集系统监控界面如图5 所示。在进行PC 机和无线采集模块串行通信前,首先配置好串口,即串口初始化,使计算机串口的各种参数设置与无线收发模块的串口参数保持一致,以致能够正确的通信。由图5 可见,所设计的界面反映了各节点所采集的温度和湿度,图中,0x6CFCFC5385FC4797 和0xE972B47D46C97E 分别是两个CC2430 节点的IEEE 地址,24.6℃和24.4℃表示两个节点的温湿度传感器所采集到的温度,66. 5%和67. 6%表示为两个节点采集到的湿度。

图5 粮仓温湿度采集系统监控软件界面
4 结论
本文提出基于ZigBee 技术的粮仓温湿度监控系统设计,采用簇状网络组网,实现对粮仓环境温、湿度的测量,采集并在LabVIEW 平台上实现了节点数据的显示。通过实验证明这种解决方案有很强的实用性,系统运行稳定。在实际的推广中,可根据实现目标的需要确定路由器和终端设备的数量,解决实际应用中有线网络布线成本过高及不便到达、环境恶劣地区环境温湿度监测的问题。