时间:2011-10-17 14:15
人气:
作者:admin
门禁系统,又称为出入口控制系统,是对重要区域或通道的出入口进行管理与控制的系统。随着社会的发展,它已不局限于简单的对门锁或钥匙的管理,而是集自动识别技术和现代化管理技术与一体的新型现代化安全管理系统,已成为安全防范系统中极为重要的一部分,被广泛应用中智能大厦、办公室、宾馆等场合。目前,门禁系统的控制手段主要有:指纹识别、人脸识别、虹膜识别和射频卡等。前3种方式都属于生物识别技术,是以人体某部分的特征为识别载体和手段,其唯一性和不可复制性决定了其是最安全的身份验证方法,但其价格昂贵,难以普及,且涉及到个人隐私,只适用于高端和绝对机密的场所。
射频卡是无线射频技术和智能卡技术相结合的产物,其具有使用简单、维护方便等特点。
为了提高门禁系统的现代化管理和远程监控能力,介绍了一种基于Web技术的门禁系统。系统采用无线射频技术,当读写器的射频范围内出现非接触式IC卡时,读卡并将信息通过串口通信传送给服务器进行相关的数据处理,并构建了基于C/S模式的管理平台,管理员可通过Web网页对门禁控制器查询和控制,从而有效地实现在互联网的任何位置对信息的实时监控。
1 系统架构
系统采用非接触式IC卡,利用无线射频识别技术RFID(RadioFrequencyIdentification)检测IC卡,当IC卡靠近读写器时,读写器能准确地对其识别,并将其序列号发送给主控器和PC机,通过应用程序连接后台数据库获取与该卡号对应的用户信息。
若该卡已进行注册,则通过验证并通知控制器开门,并记录卡号和开门时间,反之则禁止通行并告知持卡人离开。
系统由电子标签、读写器、串口通讯、服务器和用户终端五部分组成。如图1所示。读写器是系统的核心,其通过射频信号与IC卡(电子标签)通信,完成读卡、存储和发送数据的工作,其可以独立工作,也可联网工作,文中采用RS232串口通信与服务器相连。
服务器和用户端之间采用C/S结构,应用软件与数据库SQLSERVER2000连接通过ADO对象实现,两者通过局域网实现互联。在系统管理员授予权限的情况下,用户均可以查询、统计、打印管理系统的所有相关记录。

2 硬件设计
2.1 硬件总体设计
射频读写器是系统的核心,由主控电路、射频读写电路、天线耦合电路和天线等电路组成,负责对射频信号的处理和数据的传输,完成对IC卡序列号读取的任务,如图2所示。

电子标签,即射频卡,由IC卡片、感应天线组成,封装在一个标准的PVC卡内,芯片及其天线无任何外露部分。卡片无需电源,在一定范围内靠近读写器时,通过天线的传递来完成数据的读写操作。本文选用Philips公司的Mifare1卡,该卡基于ISO14443TYPEA国际标准,每张卡具有全球唯一的序列号,具有防冲突功能。
天线的作用就是产生磁通量,为卡片提供电源,在读写器和卡片之间传送信息。天线的有效电磁场范围就是系统的有效工作区域。
读写芯片选取Philips生产的用于读写Mifare1卡的专用芯片MFR500,工作频率为13.56MHz。
主控器由AT89S52单片机及其外围电路组成,负责控制读写模块、与PC机间的串口通信和对外部设备的控制操作。其中单片机对读写模块的操作就是通过控制MFRC500来实现对Mifare1卡的操作。
它是单片机与IC卡之间数据传输的桥梁。
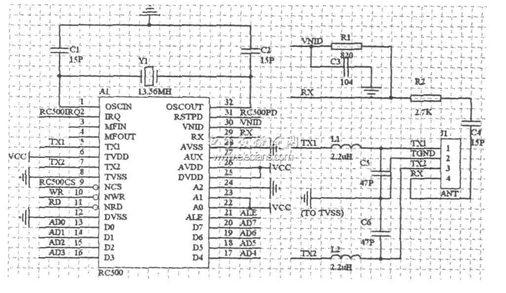
2.2 射频电路设计
射频电路的核心是读写芯片MFRC500,它是单片机与IC卡之间数据传输的桥梁。其与单片机的连接如图3所示。

单片机对读写芯片采用中断控制方式,中断控制口INT0与MFRC500的IRQ脚相连。MFRC500内部有64个寄存器,单片机通过往寄存器里写入控制命令来对其进行配置和操作,其中掉电检测引脚RSTPD连接单片机P2.0脚,NCS脚连接P2.7脚,NWR、NRD分别连接至单片机读写端口WR、RD脚,数据口D0~D7连接至单片机P0口石英晶体振荡器产生13.56MHz的工作频率,L1、L2、C5、C6构成的低通滤波器用于抑制晶振电路同时产生的高次谐波。接收电路由R1、R2、C3、C4组成,采用MFRC500内部产生的VNID电势作为RX脚的输入电势,为了减少干扰,VIND脚连接一电容C3到地,且必须在RX和VNID之间连接一个分压器(R1),最好还在天线线圈和反压器之间串连一个电容(C4)。为了获得更好的性能,在电路板布线时,这些元件应紧靠MFRC500芯片天线引脚RX、TX1、TX2。
2.3 天线电路设计
为了获得稳定可靠的射频信号,天线的性能至关重要,其直接影响了读写器的作用距离和灵敏度。天线的性能与其品质因数Q有关,Q与天线的几何形状、大小、圈数等因素有关。
系统设计的是近距离耦合式IC卡,天线制作选用PCB天线,即直接在PCB板上制作天线电路板,该法稳定性较好。
天线连接到读写芯片时,需要外加匹配电路。如图4所示。系统对天线进行了大致估算,并通过改变匹配电路的电容值,以达到最佳的读写距离。

上一篇:RFID系统的数据传输编码分析