时间:2011-08-25 10:31
人气:
作者:admin
芯片电路的功耗主要来自开关的动态功耗和漏电的静态功耗。动态功耗主要是电容的充放电(包括网络电容和输入负载)以及P/N MOS同时打开形成的瞬间短路电流。静态功耗主要是扩散区与衬底形成二极管的反偏电流和关断晶体管中通过栅氧的电流。工作时序及软件算法设计有缺陷,会降低系统工作效率、延长工作时间,也会直接增加系统能量的消耗。本文将具体阐述低功耗设计理念在基于MSP430和MFRC522的非接触式读写器上的应用与实现。
模块电路设计
系统选用MSP430F413单片机和MFRC522射频芯片。为简化系统结构,本系统仅由低电压报警单元、MCU单元、射频收发单元、天线、红外发射接收以及外围信号组成。
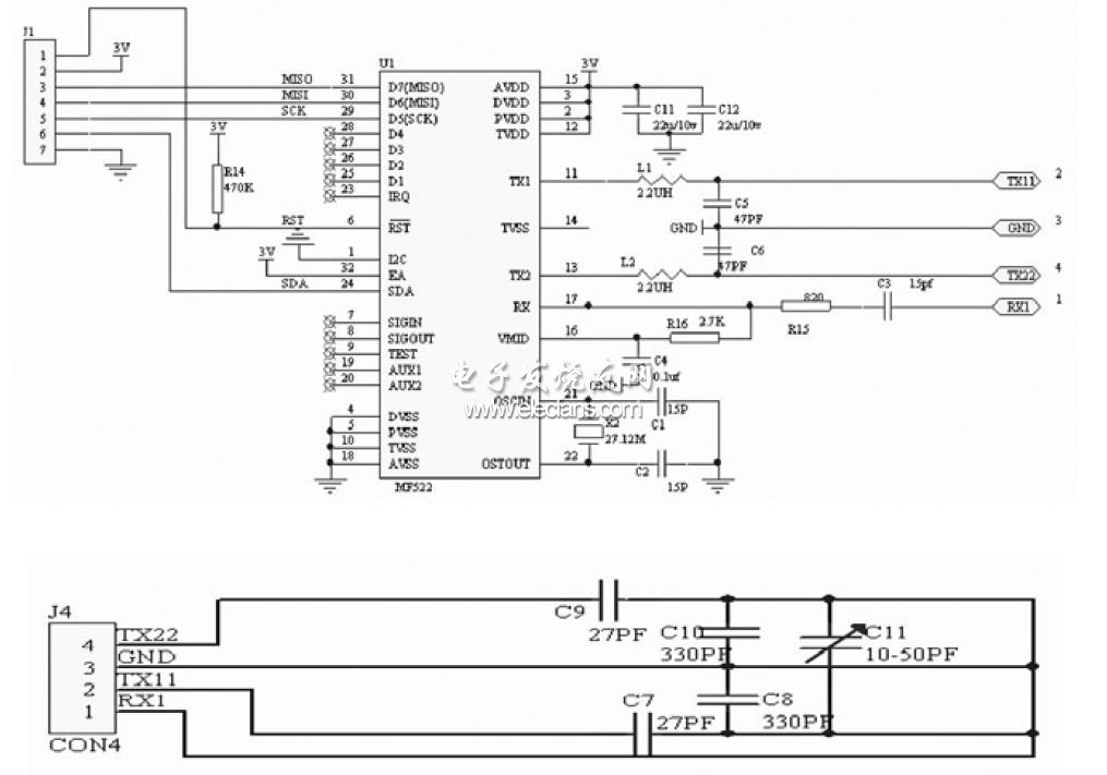
本系统选用的是SPI接口方式,其连接图如图1所示。

图1 MCU与射频接口及下载接口图
MSP430选用JTAG接口下载仿真程序。为了进一步减少功耗,在系统处于休眠模式时可通过指令关闭SPI接口和MCU中无用的端口。
射频卡读写器采用电感耦合式天线,主要用于产生磁通量,而磁通量用于向射频卡提供电源并在读卡器与射频卡之间传输信息。当一个RFID系统正常工作时所需的磁感应强度B一定时,安培匝数NI由环形天线的边长a以及标签和读写器天线的距离x来共同决定。其关系式为:

电感耦合式天线的特征值主要有品质因数(Q)和谐振频率。一般而言,Q一方面衡量能量的传输效率,另一方面也衡量频率的选择性。对于并联谐振回路,Q可以定义为:
Q=2πfRC=R/(2πfL)(f在本系统中为13.56MHz) (2)
式中:f为谐振频率;R为负载电阻;L为回路电感;C为回路电容。Q值越高,天线的输出能量越高,然而太高的Q值会干扰读写器的带通特性,从而无法遵从协议标准。一般来说,Q=20时,整个系统的带通特性与带宽都比较好。RFID系统中的品质因数一般在10~30内取值,最大不要超过60。
MFRC522从TX1和TX2引脚发射的信号是已调制的13.56MHz载波信号,辅以多个无源器件实现匹配和滤波功能,以直接驱动天线。其匹配电路和信号接收电路如图2所示。

图2 天线匹配电路
红外发射接收电路部分的设计目的是为了节省电源开支,当系统处于休眠模式时停止发射无线电波,可外加一个红外对管来检测是否有卡进入天线范围。当红外接收管接收到外界有卡时立即进入中断,跳出休眠模式,对外发射无线电波,并进行相关的操作。这种通过指令间断打开红外发射管检测是否有卡再进入中断唤醒CPU和打开天线的方法缩短了天线和红外管的电流消耗,从而节省了功耗。
上一篇:微距条件下的无线传能的实现